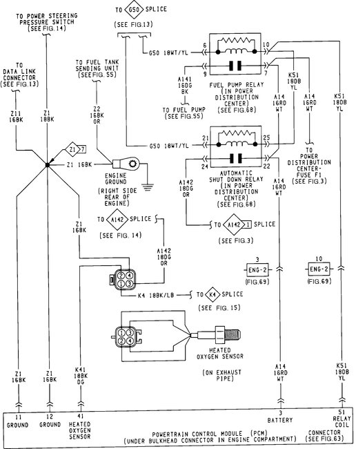
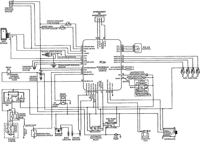
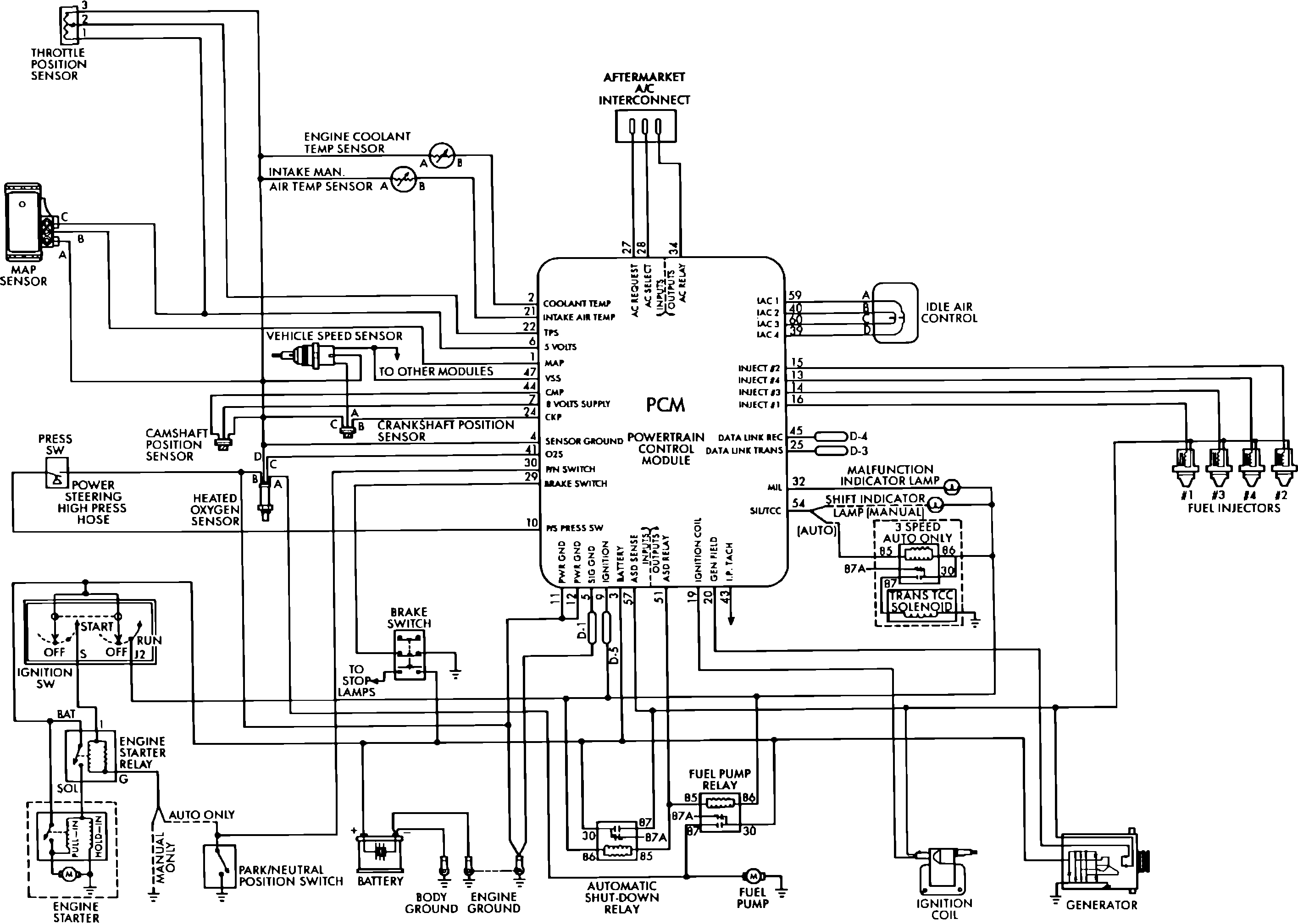
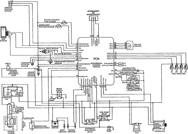
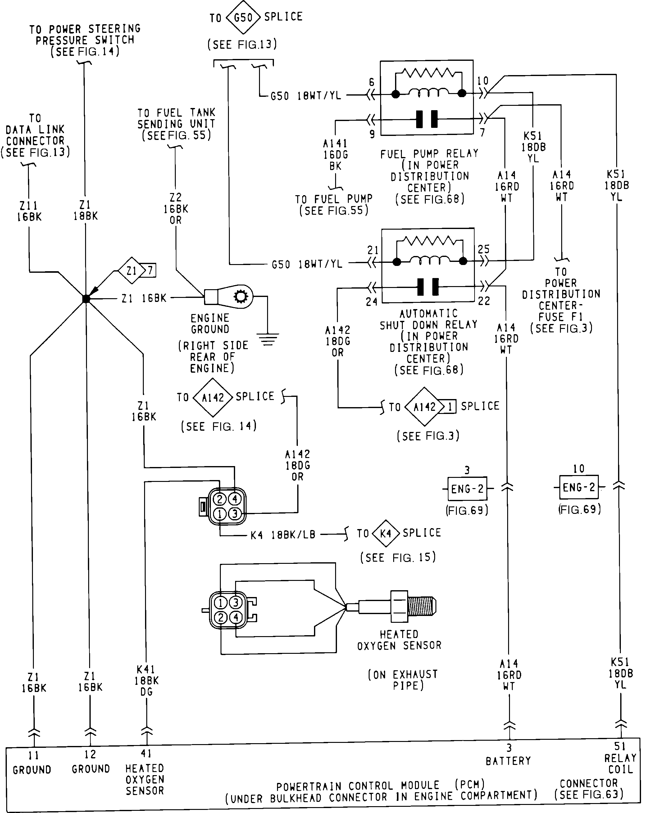
Okay, so it was starting fine. Then now nothing. I have replaced crank sensor. I have constant fire on one side of the coil and when I turn the key on I get a quick flash of 12 volts. Now that is where it stops. The one side that gets the 12 volts when you turn the key on never gets voltage again while cranking. From what I have read this means the ASD is good. Automatic shutdown relay. I am not getting a check engine light when I turn the key on. So everyone said oh it is got to be ECM. Well I replaced the capacitors and tried it. No light no start. It will turn over all day long just not start. I also have no power coming out of the back of the coil while cranking.
So I am at this point. Replace cam position sensor. And if that does not work a new ECM. If that does not work I need to take it to a mechanic.
Do not want to do that. Please let me know any ideals or help you can offer. I am a good half donkey’s rear end if a mechanic. As long as there is a shade tree around.
So I am at this point. Replace cam position sensor. And if that does not work a new ECM. If that does not work I need to take it to a mechanic.
Do not want to do that. Please let me know any ideals or help you can offer. I am a good half donkey’s rear end if a mechanic. As long as there is a shade tree around.
Sep 26, 2018 at 4:01 PM



