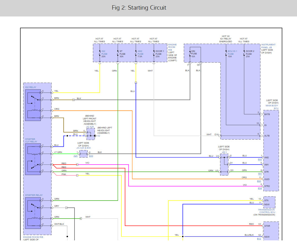
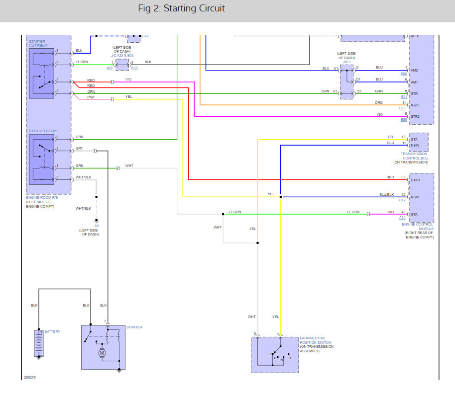
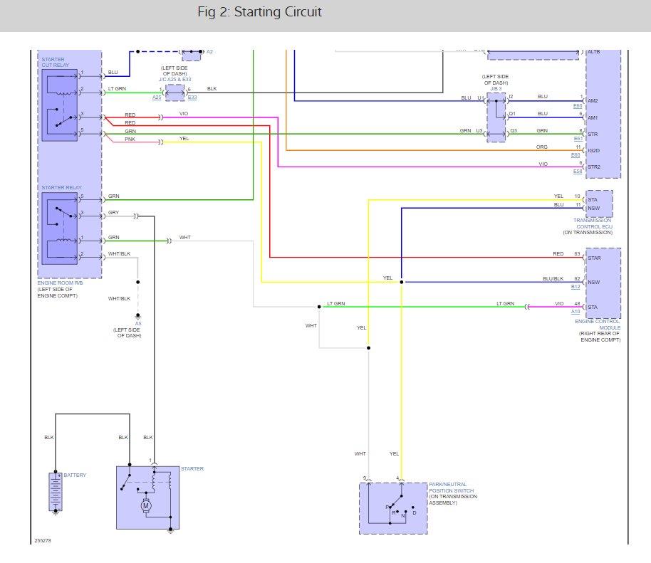
My controller doesn't work but I use it to start my vehicle by pushing the brake pedal as I out the device up to the start button. will this harm my car if I've used it to start my car for a couple months now? I'm asking because it only starts when it wants to.
Jan 17, 2023 at 12:01 AM

