Push button start installation?

2004 CADILLAC ESCALADE
200,000 MILES
Avatar
MERKUM901
  • MEMBER
  • 12 POSTS
I have the vehicle listed above with a 6.0. I have the Crimestoppers cool start Keyless Entry and remote start installed. I have a push putting kit that I would like to add to my truck and was looking for information on how to integrate it. Do i use the starter wires as well? If so, do I need relays etc. I was thinking that it would be just the 6 ignition wires connection but I'm not sure. Thanks in advance.
Mar 30, 2024 at 4:53 AM
Advertisement
Avatar
STRAILER
  • CERTIFIED EXPERT
  • 53,854 POSTS
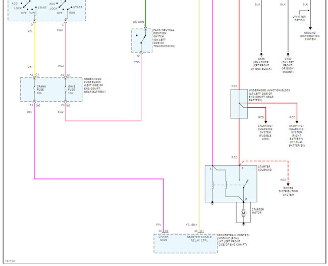
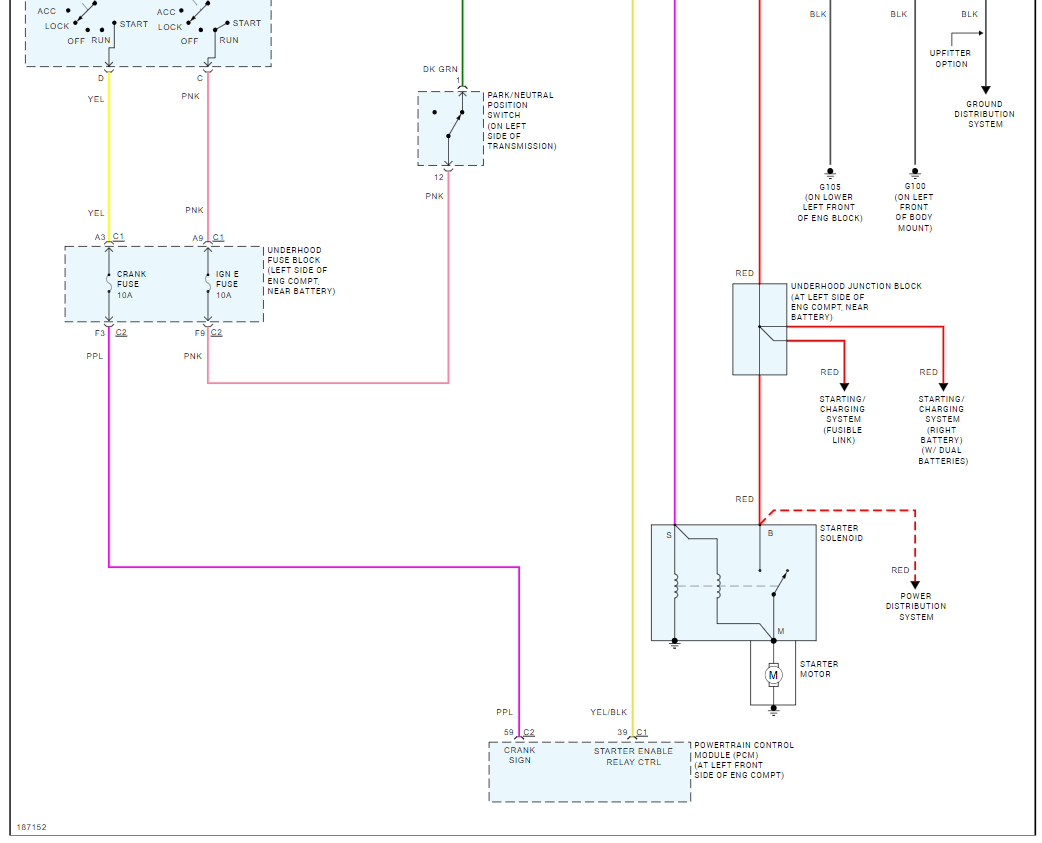
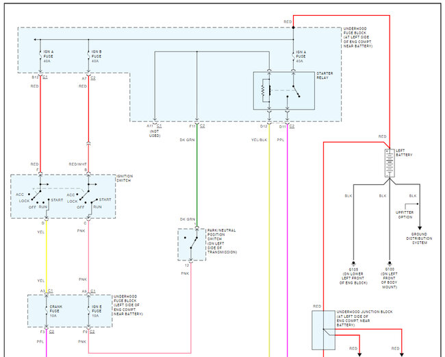
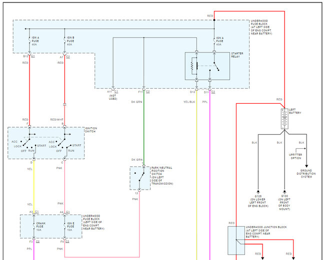
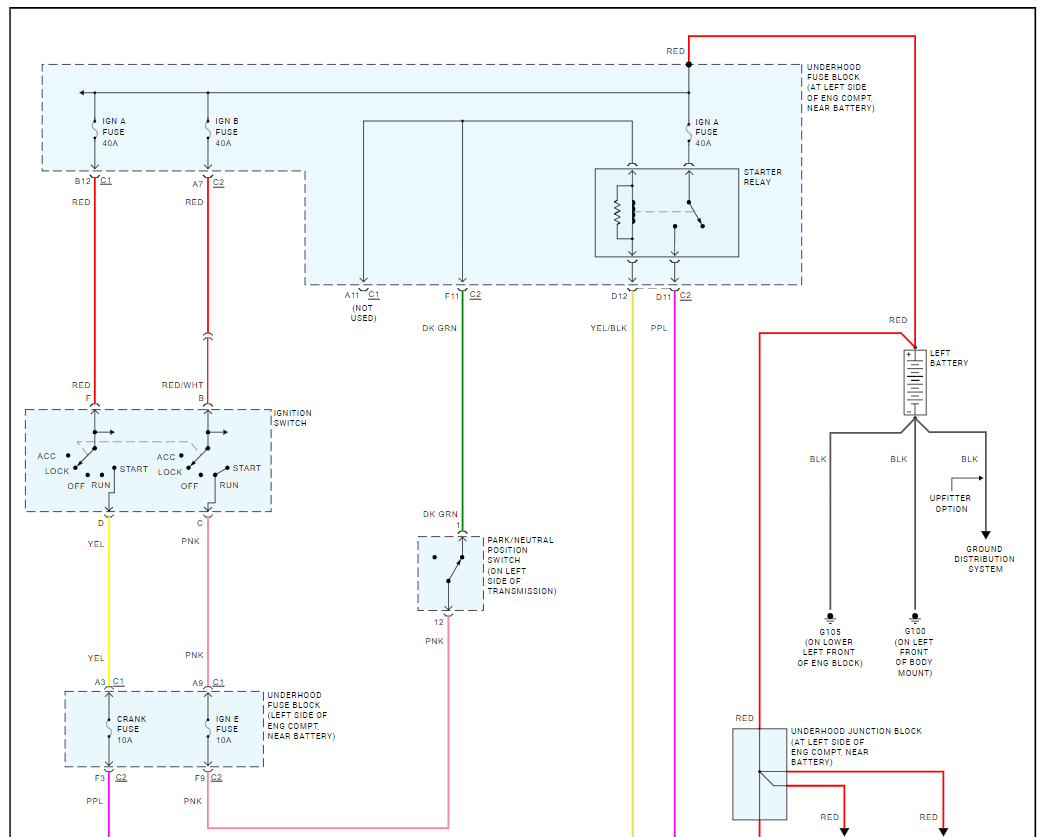
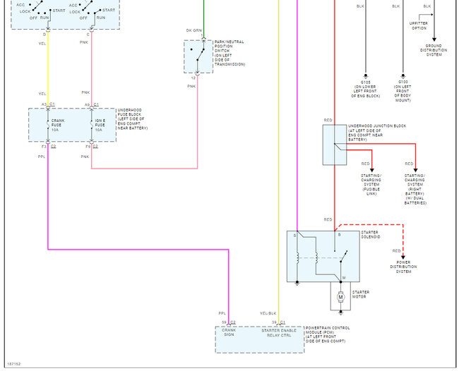
The push button kit should have instructions on how to install it. We don't have information on aftermarket kits like that. Here is the starter wiring diagrams if that can help you. Do you have the brand name and model number? Check out the images (below). Please upload pictures or videos in your response to the problem so we can see what's going on.
Mar 30, 2024 at 12:22 PM