button to lock the four doors stopped working?

2006 SATURN ION
142,000 MILES
Avatar
RAFAEL ENRIQUE RAMíREZ DíAZ
  • MEMBER
  • 1 POST
The button to lock the four doors when leaving the car stopped working... the doors do not close and you only hear a click.
Jun 6, 2024 at 3:15 PM
Advertisement
Avatar
STRAILER
  • CERTIFIED EXPERT
  • 53,854 POSTS
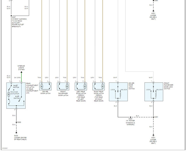
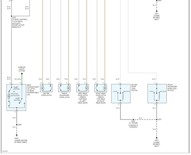
Chances are the switch went bad but to be sure if you ground the white wire off of the driver's side lock switch the doors should lock. Here are the wiring diagrams for the door locks so you can see how the system works. Check out the images (below). Let us know how it goes.
Jun 7, 2024 at 10:24 AM