Procedure for head gasket replacement

2008 CHRYSLER TOWN AND COUNTRY
168,500 MILES • 3.8L • V6 • 2WD • AUTOMATIC
Avatar
CANNON1349
  • CERTIFIED EXPERT
  • 861 POSTS
Customer brought their van (listed above) here with the problem of it running terribly and the engine light flashing. Got under it and coolant is just pumping out of the backside of the rearmost cylinder head.

What's the exact procedure for the head gasket removal? Must I drain the radiator completely or could I leave some in there? And the oil will have to be drained of course but do I also need to suck out fluid from the channels?

And I need to know advice on removing gasket material/cleaning the mating surfaces there.
Jun 24, 2019 at 3:54 AM
Advertisement
Avatar
SCGRANTURISMO
  • CERTIFIED EXPERT
  • 4,897 POSTS
Hello,

You should drain the coolant. You don't have to worry about draining the oil, it should all be in the oil pan. Cleaning the mating surface of the cylinder block, if any is needed, is best done with a razor blade and gasoline. The cylinder head mating surface should be fresh aluminum because the cylinder head should be shaved at a machine shop to ensure it is flat and that there is no warpage to it. If you would like the complete instructions for the removal of your vehicle's head gasket, let us know and we can get that information to you as well.

Thanks,
Alex
2CarPros
Jun 24, 2019 at 10:27 AM
Avatar
CANNON1349
  • CERTIFIED EXPERT
  • 861 POSTS
sure, any information is helpful.
Jun 24, 2019 at 4:46 PM
Advertisement
Avatar
SCGRANTURISMO
  • CERTIFIED EXPERT
  • 4,897 POSTS
Hello again,

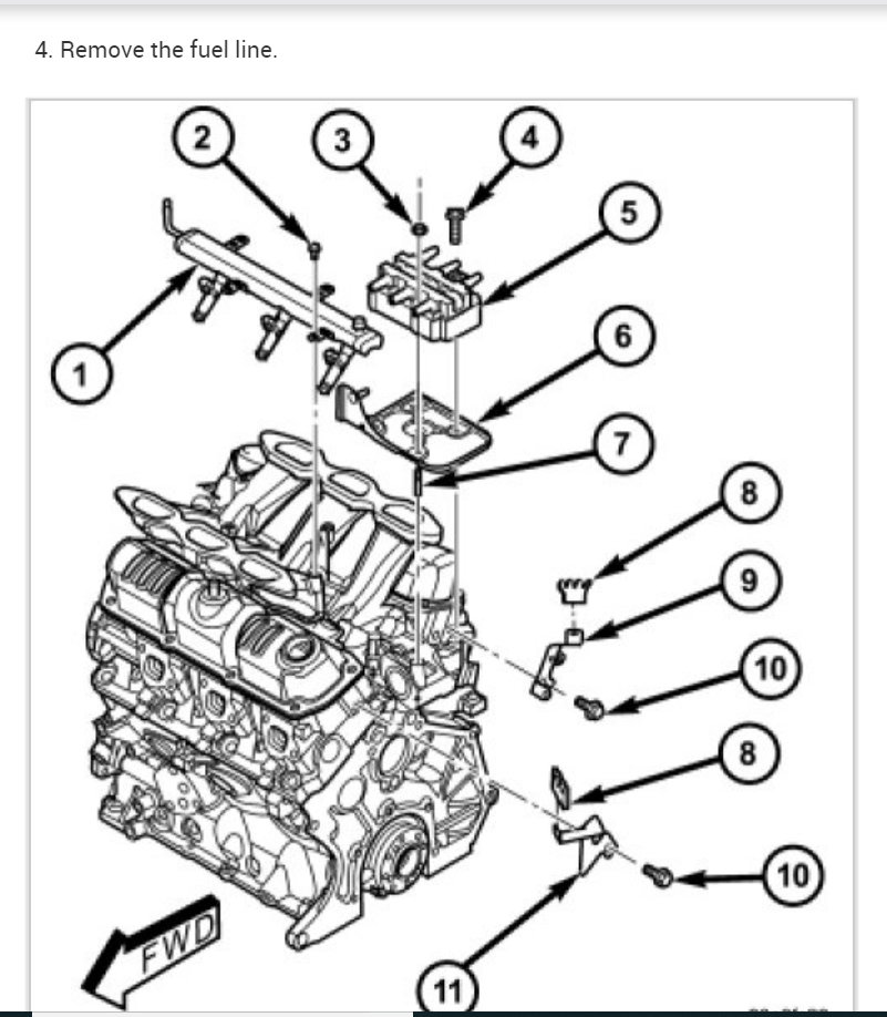
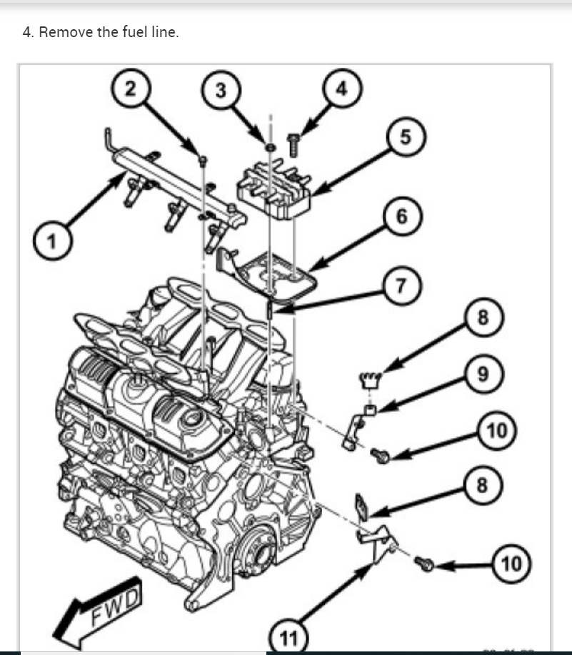
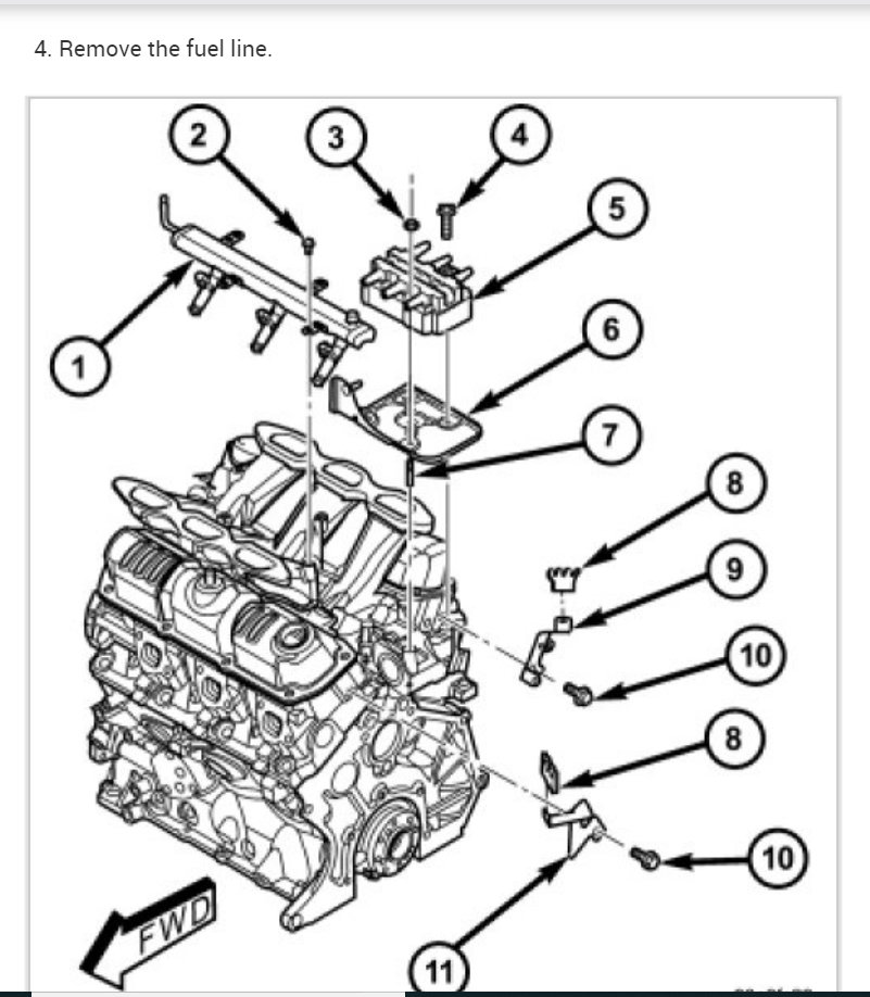
The information that you requested is included in the diagrams down below. Please go through the guides and get back to us with how everything turns out.

Thanks,
Alex
2CarPros
Jun 25, 2019 at 11:40 AM
Avatar
CANNON1349
  • CERTIFIED EXPERT
  • 861 POSTS
I have the upper and lower intake out, now I need to get the exhaust off. What trick is used to get to the lower bolt on the flange? The 24th diagram shows bolt #4, there's a another one on the opposite side of the flange there, but there is just not enough room to get a wrench on it.
Jun 29, 2019 at 2:51 PM
Avatar
CANNON1349
  • CERTIFIED EXPERT
  • 861 POSTS
Never mind. I got it. What a ridiculous design for the exhaust. Anyway I attached pictures of where I'm at. The rear head was visibly leaking, but the front head is the dirtiest. Should I clean the pistons? Let me know what you think on the conditions.
Jun 30, 2019 at 4:07 PM
Avatar
SCGRANTURISMO
  • CERTIFIED EXPERT
  • 4,897 POSTS
Hello again,

Sure. You are there, why not? From the pictures you sent everything looks pretty good. The first picture of the pistons is the bank that was having problems. There is a little carbon built up, but not really that bad. Good job! That's what we like to see. Please let us know if you have any other questions or concerns. That is what we are here for.

Thanks,
Alex
2CarPros
Jul 2, 2019 at 9:53 AM
Avatar
CANNON1349
  • CERTIFIED EXPERT
  • 861 POSTS
Trying to put this thing back together. In the attached picture one lifter is higher than the others making a rod higher, and now the head won't seat well. What's the problem?
Jul 5, 2019 at 3:45 PM
Avatar
SCGRANTURISMO
  • CERTIFIED EXPERT
  • 4,897 POSTS
Hello again,

Did you get your cylinder head shaved and trued up?

Thanks,
Alex
2CarPros
Jul 6, 2019 at 4:10 PM
Avatar
CANNON1349
  • CERTIFIED EXPERT
  • 861 POSTS
yes. I took it to a machine shop and they resurfaced it and vacuum checked the valves and everything is okay. I got the heads on. I just tightened each head bolt little by little which slowly compressed that valve until it looked flush. Guess here's to hope.
Jul 6, 2019 at 4:36 PM
Avatar
SCGRANTURISMO
  • CERTIFIED EXPERT
  • 4,897 POSTS
Hello again,

I think you are going to be okay. There really is no reason why your head should not fit on the block squarely.

Thanks,
Alex
2CarPros
Jul 7, 2019 at 3:35 PM