problems with nonfunctional relays?

2012 CHRYSLER TOWN AND COUNTRY
195,000 MILES • 3.6L • 6 CYL • 2WD • AUTOMATIC
Avatar
AZNAVYVET
  • MEMBER
  • 1 POST
The daughter bought the van listed above modified for Handicap use. She has had several electrical gremlins, had the TIPM replaced for the car not starting, and still has an issue with the cruise being interment, along with the windshield washer not working, I suspect the TIPM to be at fault. would like the electrical schematic of the internal circuit board that holds the control relays.
any help would be great, have looked at your downloads of External Interconnect which helps.
Sep 26, 2023 at 3:05 PM
Advertisement
Avatar
AL514
  • CERTIFIED EXPERT
  • 5,464 POSTS
Hello, we can do that for you, I'll post the Power Distribution ones first and then the ones for those specific components.
These are the Power Distribution diagrams, 1 and 2 go together top and bottom, and so on. 3 pages total.
Are there any codes being stored in any modules for the Cruise Control?
Sep 26, 2023 at 3:22 PM
Avatar
AL514
  • CERTIFIED EXPERT
  • 5,464 POSTS
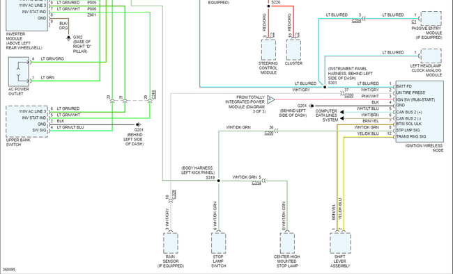
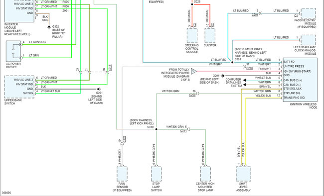
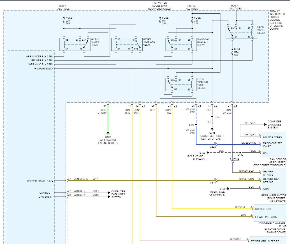
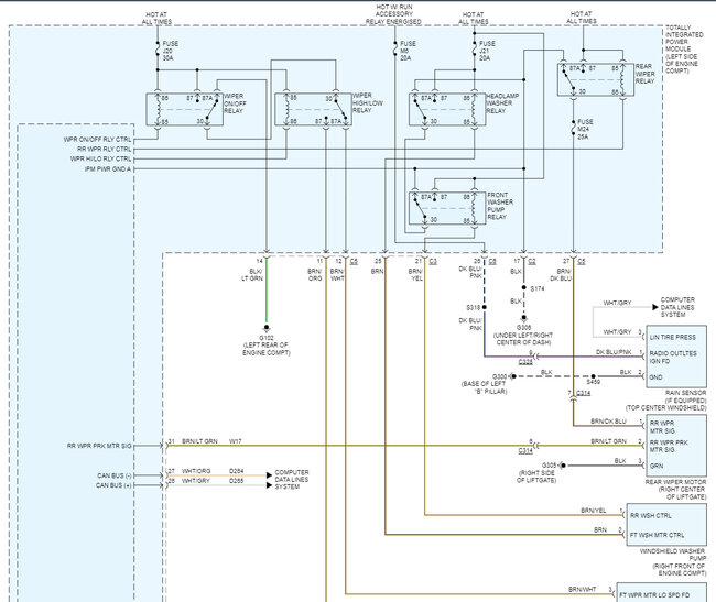
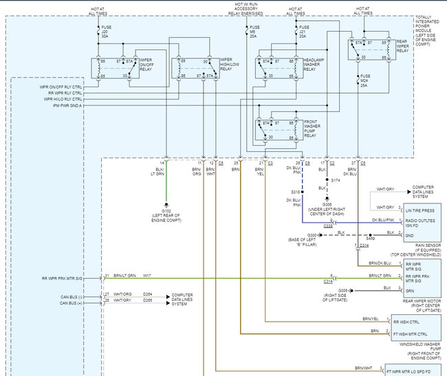
Here are the Cruise Control diagrams 1,2 - 3,4 and the Wiper/Washer 5,6. If you need anything else or find that any wires are not the color you are seeing, we can post the OEM diagrams as well.

Here are some additional Recalls and a TSB on the PCM being updated that may or may not have been done yet.

https://www.2carpros.com/articles/how-to-check-an-electrical-relay-and-wiring-control-circuit

https://www.2carpros.com/articles/how-to-use-a-voltmeter
Sep 26, 2023 at 3:42 PM
Advertisement
Avatar
AZNAVYVET
  • MEMBER
  • 1 POST
Thanks, any info is much appreciated.
C Mottet
Sep 27, 2023 at 8:17 AM