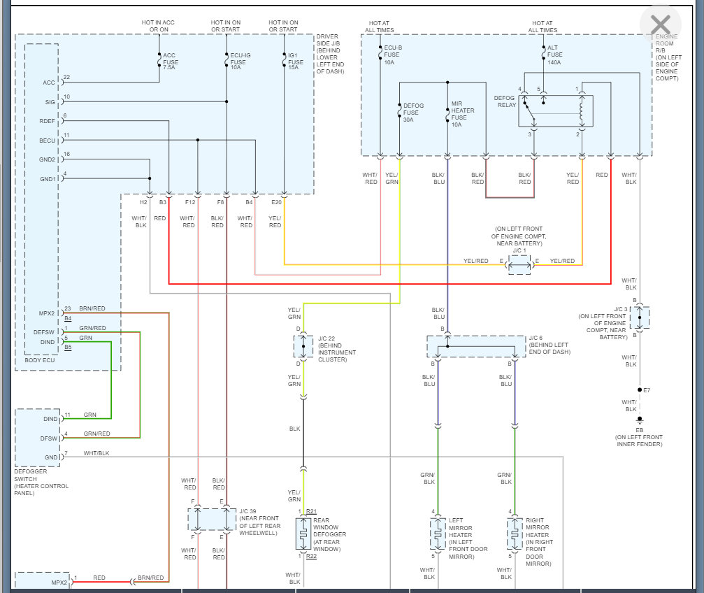
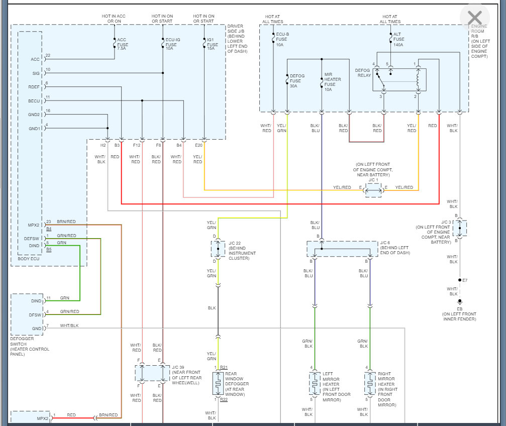
I had the alternator changed but now the defroster on the back window doesn't work. also, the wiper of the back window doesn't work.
Also, i can use the remote starter to lock and unlock the truck but it won't start the truck.
I tried some tips to reset the starter, but it doesn't work.
Could you please help me? Any advice would be much appreciate it.
Thank you!
Also, i can use the remote starter to lock and unlock the truck but it won't start the truck.
I tried some tips to reset the starter, but it doesn't work.
Could you please help me? Any advice would be much appreciate it.
Thank you!
Nov 19, 2021 at 6:43 AM



