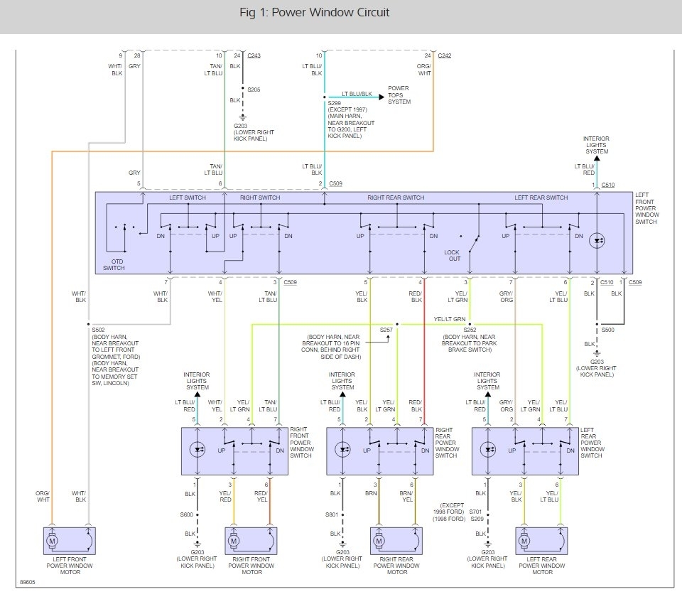
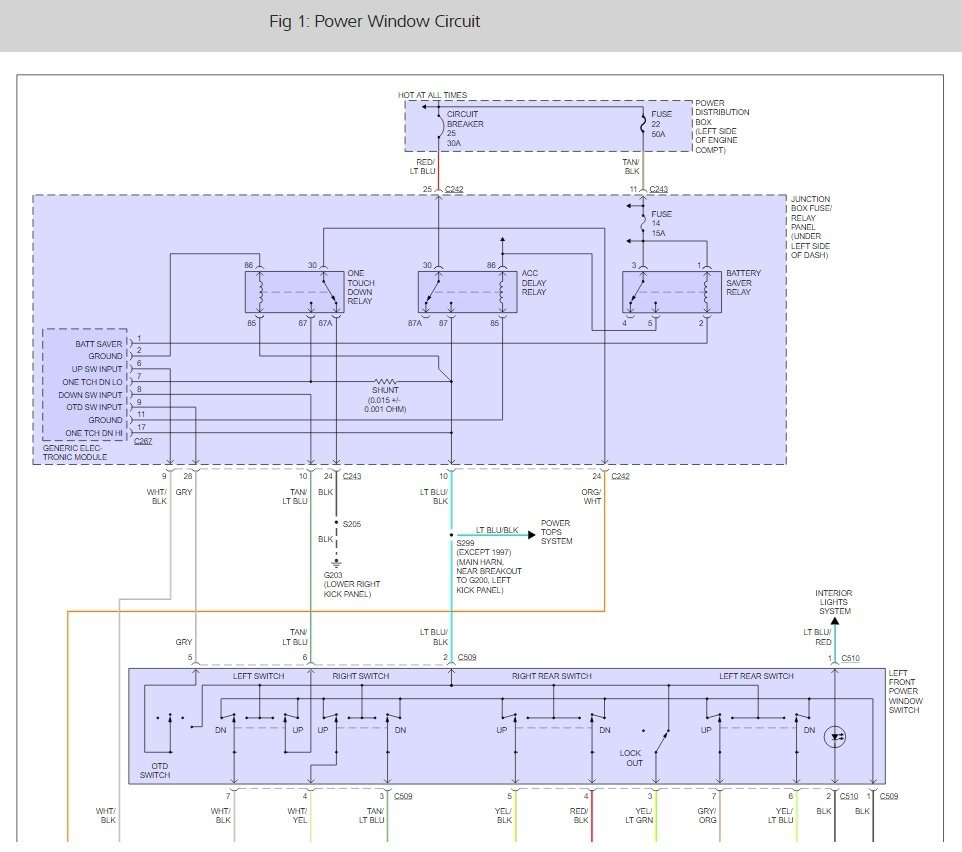
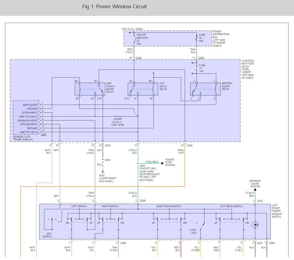
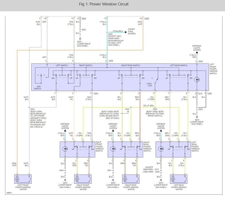
Power windows fuse location

1998 LINCOLN NAVIGATOR
200,000 MILES • 5.4L • V8
Avatar
DUTTON
  • MEMBER
  • 1 POST
None of my power windows work. where is the fuse for power windows located?
Jun 27, 2017 at 11:11 AM
Advertisement
Avatar
STRAILER
  • CERTIFIED EXPERT
  • 53,854 POSTS
Hello,

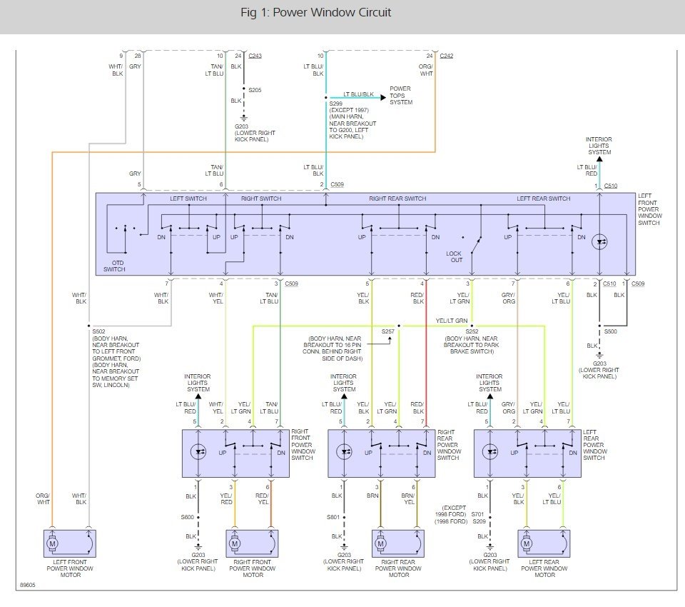
There are a couple of fuses and some relays that run the system. Here are some guides and diagrams (below) to help you do some testing to figure out whats going on.

https://www.2carpros.com/articles/how-to-check-a-car-fuse

and

https://www.2carpros.com/articles/how-to-check-an-electrical-relay-and-wiring-control-circuit

and

https://www.2carpros.com/articles/how-to-use-a-test-light-circuit-tester


1 - 5 Amp Powertrain Control Module
2 - 20 Amp Trailer Tow Stop/Turn Lamps
3 - 10 Amp Audio Rear Integrated Control Panel, Compact Disc Changer, Radio
4 - 10 Amp Running Board Lamps
5 - 20 Amp Amplifier, Subwoofer Amplifier
6 - Not Used

Please run some tests and get back to us we are interested to see what it is.

Cheers, Ken
Jun 29, 2017 at 11:48 AM