Power window not working

2005 FORD CROWN VICTORIA
123,000 MILES
Avatar
  • MEMBER
  • 11 POSTS
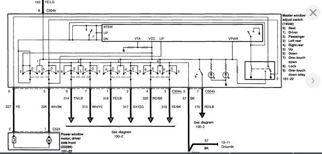
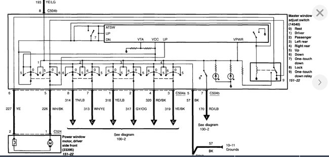
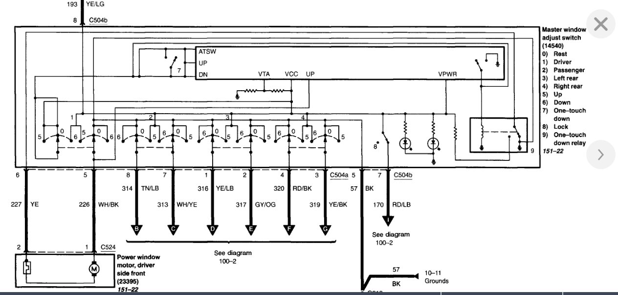
The driver's door power window is not responding. No noise or anything.

I checked the switch (even replaced it) and I am getting 12 volts when I operate the switch. I replaced the motor, but still not working. I pulled the pigtail from the motor and I am getting 12 volts when I operate the switch as well.

Help!
Aug 16, 2018 at 8:05 PM
Advertisement
Avatar
ASEMASTER6371
  • CERTIFIED EXPERT
  • 52,796 POSTS
Good morning.

When you got 12 to the motor, did you check to see if it had a ground as well?

It very well may be a bad motor itself.

Also, did you try tapping the motor with a hammer to see if it will run?

Roy
Aug 17, 2018 at 7:20 AM
Avatar
  • MEMBER
  • 11 POSTS
How do I check to see if it had a ground? Using a voltmeter, I put the positive on one lead and the negative on the other and then worked the switch. I got +12 volts one way and -12 volts the other.
Can I test the motor by applying ground to the body and power to one of the leads?
Aug 17, 2018 at 7:38 AM
Advertisement
Avatar
ASEMASTER6371
  • CERTIFIED EXPERT
  • 52,796 POSTS
Okay, you did it right with the leads. You have power and ground or you would not show system voltage.

You need a window motor based on those results.

Roy
Aug 17, 2018 at 7:42 AM