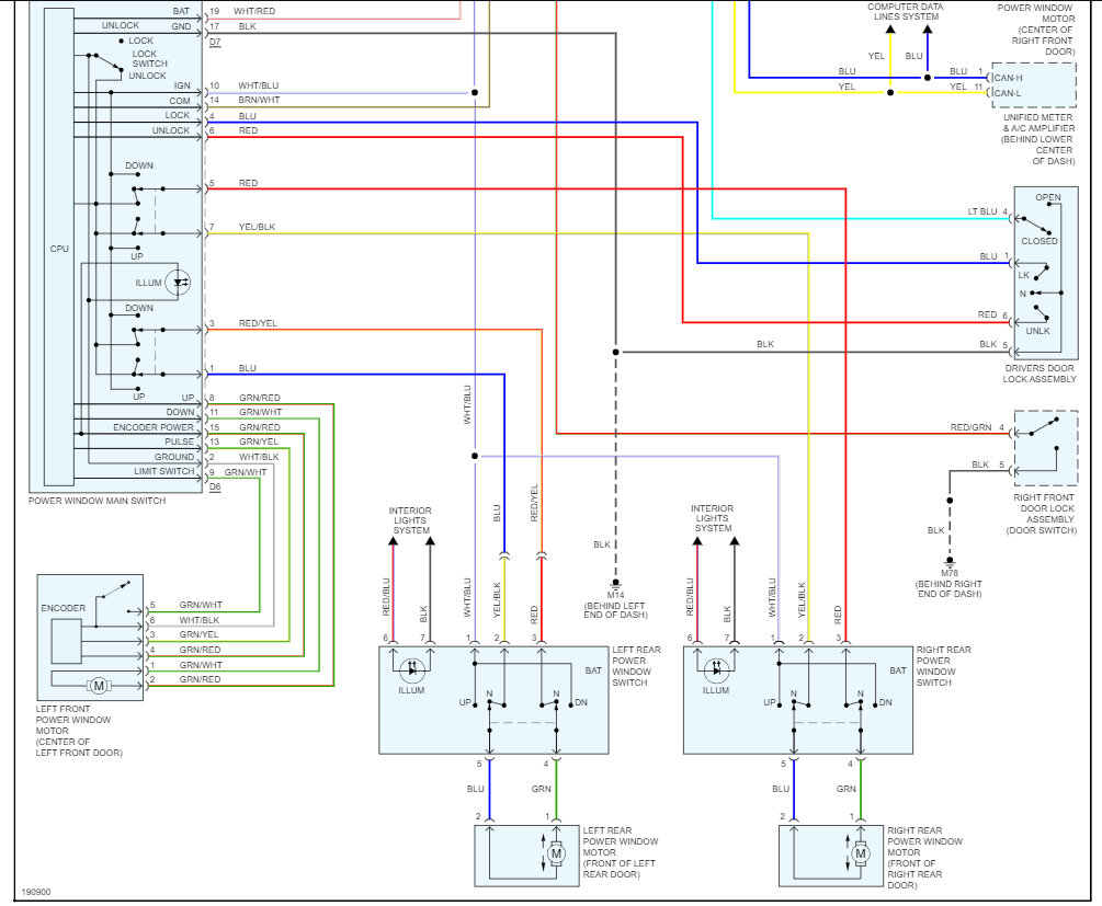
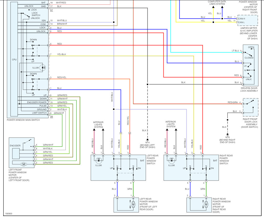
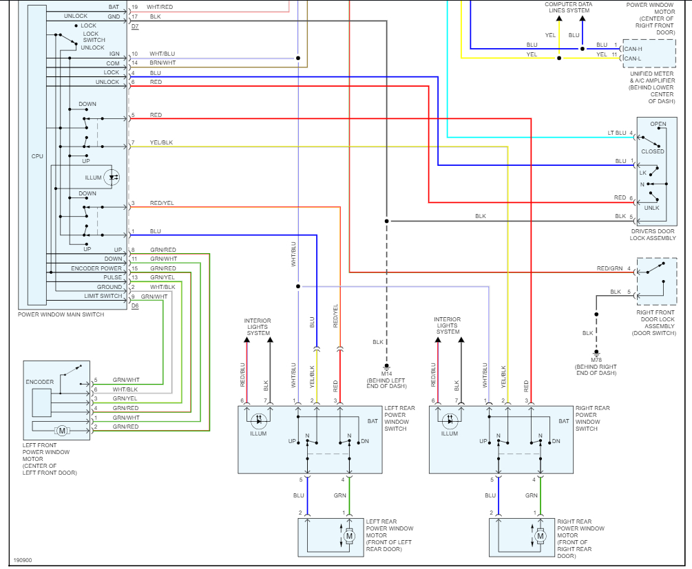
I just bought this car, it didn't come with a key fob, just a key and a radio key, not sure what that is, anyone know? Anyway, when I turn the car off and remove the key from the ignition, the windows in the front roll down. I don't know what is wrong with it, or why it does this, let alone how to fix it. I'd appreciate any help on this!!! Like everyone else, I'd rather not leave my car unlocked, I think that's just asking for trouble. Thank you in advance!!
Oct 14, 2023 at 11:04 AM






