Power windows now working

1994 ISUZU TROOPER
39,615 MILES • 3.1L • 4 CYL • TURBO • 4WD • AUTOMATIC
Avatar
BLANK_TITLE
  • MEMBER
  • 1 POST
None of the rear windows are working.
Apr 19, 2019 at 10:29 AM
Advertisement
Avatar
KASEKENNY
  • CERTIFIED EXPERT
  • 18,907 POSTS
Hi,

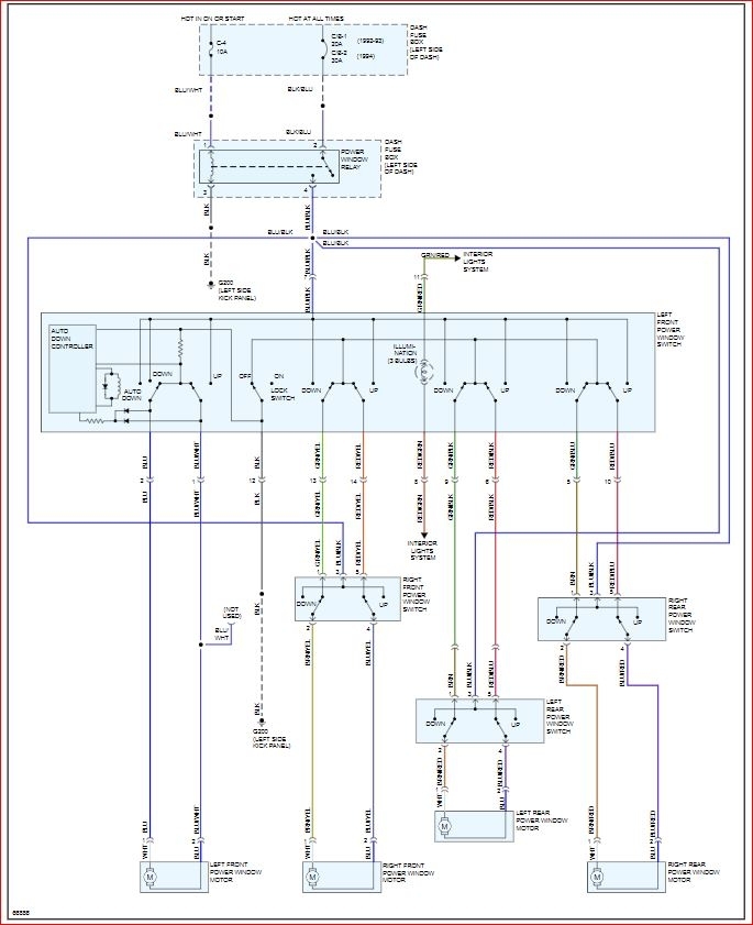
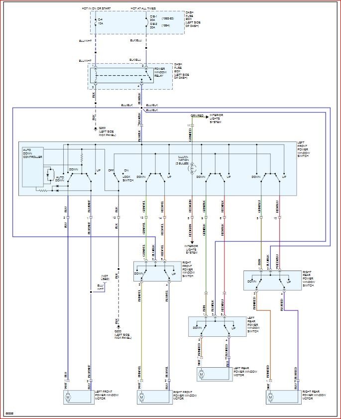
I attached a copy of the wiring diagram for the windows and the operation. It sounds like they don't work from any switch. If that is the case, all these window switch are grounded through the drivers window switch. So most likely this switch has failed. I would suggest replacing this and then retesting. You can follow the wiring diagram and try to bypass the switch and see if you get operation back if you would like.

Thanks
Apr 19, 2019 at 5:22 PM