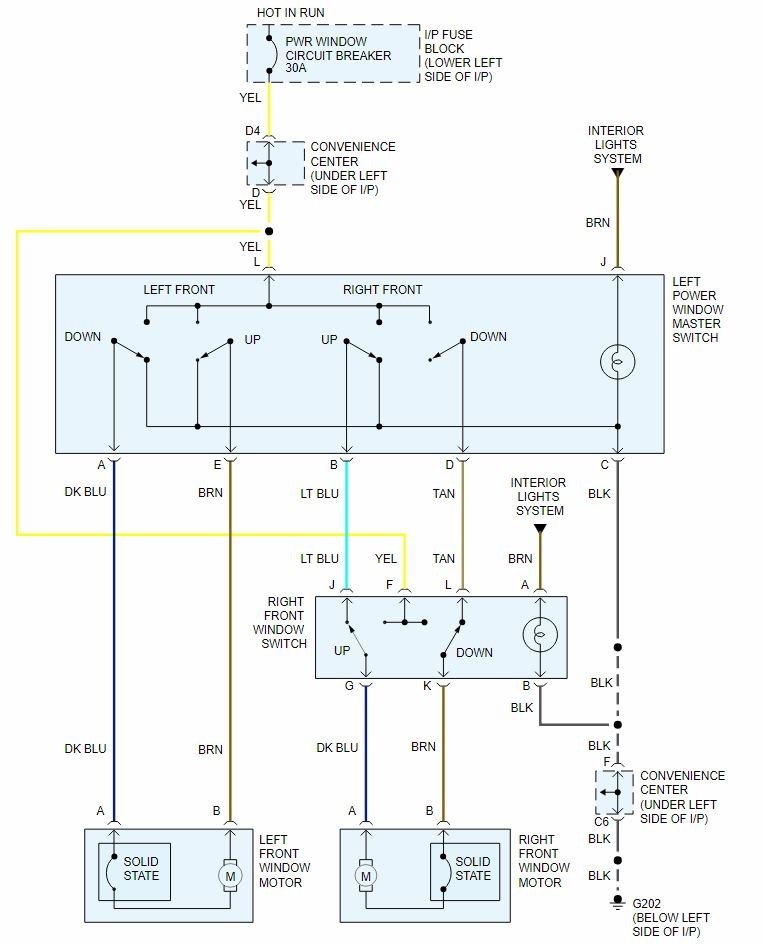
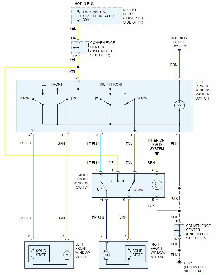
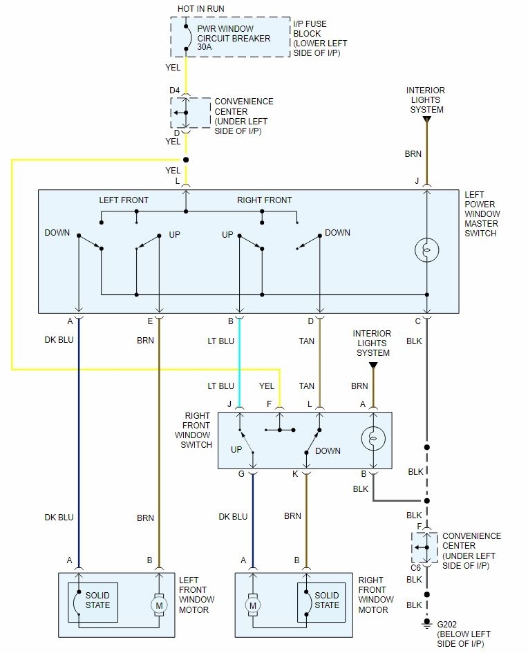
Was working on replacing the door hinge pins on my driver side door when the door slipped off of the holder and it fell off its holder. The button housing was pulled down and upon further inspection, the power window motor power clip was pulled off from the motor. At this time the passenger side window still worked but the next day it stopped working.
I checked to make sure there is power going into the housing which means the fuse is okay. From there I checked the power at the clip which goes into the motor and there is power there. From there I assumed the motor had gone bad, but I bought a new motor and plugged it in and that did not function either. Any tips please I am stuck?
I checked to make sure there is power going into the housing which means the fuse is okay. From there I checked the power at the clip which goes into the motor and there is power there. From there I assumed the motor had gone bad, but I bought a new motor and plugged it in and that did not function either. Any tips please I am stuck?
Sep 11, 2018 at 7:21 PM









