Hi,
I would be happy to help.
First, when you checked the fuse, did you confirm there is power to and from it? A fuse can be good but a problem before it prevents power from getting to it. If you haven't, there are two fuses (one for the left and one for the right) in the fuse box under the left side of the dash. Both are 30-amp fuses. I have a feeling when you checked them, they were good, but if you recheck for power to them, there isn't any. Please do that. Here is a link you may find helpful for this procedure:
https://www.2carpros.com/articles/how-to-check-a-car-fuse
If there is no power, then I need you to remove the power window relay in the same fuse box. First, if there is another relay with the same part number, switch them. If there isn't, here is a link showing how to check one:
https://www.2carpros.com/articles/how-to-check-an-electrical-relay-and-wiring-control-circuit
In addition to checking the relay, pay special attention to step 14 that explains how to jump the relay to see if the accessory then works. Please try that as well.
If that doesn't make a difference, then chances are the fusible link in the under-hood fuse box has failed.
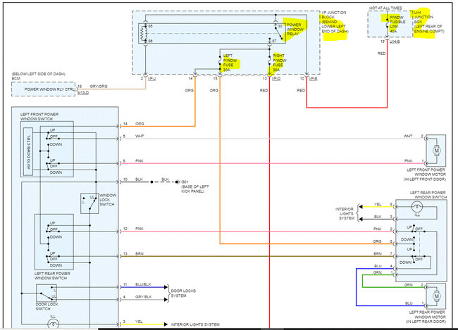
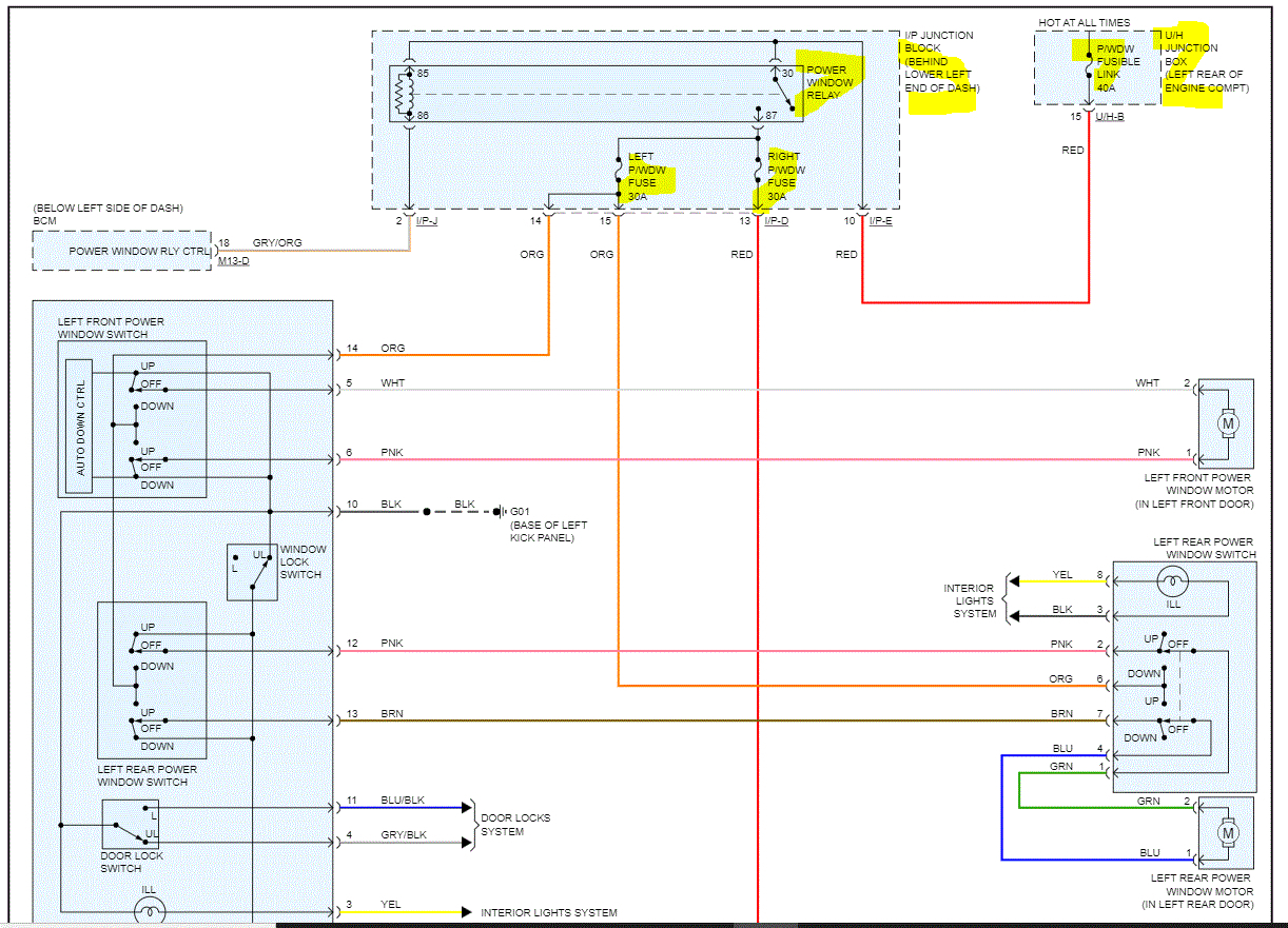
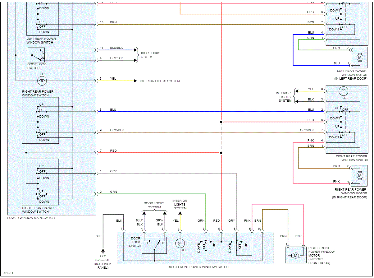
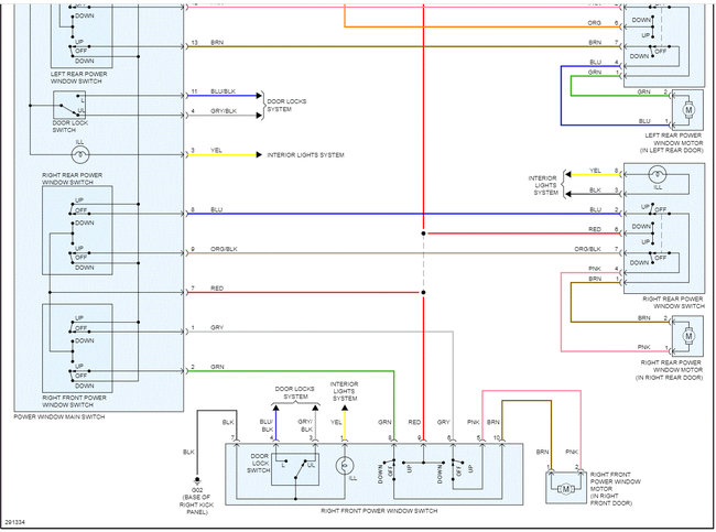
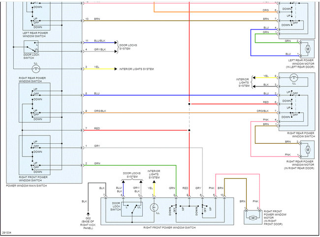
The first two pics below are the wiring schematic for the power windows. I had to cut one page in two to make it readable for you. I did overlap them for you.
The last two pics are the fuse boxes. Pic 3 is the under the hood box and pic 4 is the instrument panel box. I highlighted the fuse locations.
Let me know what you find or if you have questions.
Take care,
Joe
See pics below.
Images (Click to enlarge)
Dec 19, 2021 at 8:12 PM