Power windows not working?

2000 FORD EXPLORER SPORT TRAC
148,000 MILES • 4.3L • 6 CYL • 2WD • AUTOMATIC
Avatar
CASTAWAY52
  • MEMBER
  • 16 POSTS
I have no power to the window switches or power to the wiring door plug it is the type that connects them. Interior fuse #25 was blown fuse #26 is ok. I installed another fuse in 25 and it blew right away with a slight smell of burning wire. The under hood #4 power window fuse 30amp is ok. From what I have been reading it might be the battery-saver relay or the GEM relay. And for the best of me, I can seem to locate them I have the radio and the entire front part of the dash off this is a 2000 2-wheel drive Ford Explorer sport.
Aug 13, 2024 at 10:50 AM
Advertisement
Avatar
STRAILER
  • CERTIFIED EXPERT
  • 53,855 POSTS
If the fuse #25 was blown it goes to the GEM which I have seen go out. Here is the location of the GEM. I would unplug it to see if the fuse still blows.
Aug 14, 2024 at 10:14 AM
Avatar
CASTAWAY52
  • MEMBER
  • 16 POSTS
I already ordered a remanufactured GEM, from what I found and troubleshoot and did it all points to the GEM. I will let you know what goes when I install the new GEM. Thanks, Jack.
Aug 15, 2024 at 4:43 AM
Advertisement
Avatar
STRAILER
  • CERTIFIED EXPERT
  • 53,855 POSTS
Yep, I have seen these go out before, so I think you are on the right track.
Aug 15, 2024 at 10:10 AM
Avatar
CASTAWAY52
  • MEMBER
  • 16 POSTS
Hi, Ken. I still have not resolved the problem with the windows. I just got done unhooking the GEM from the car and installed a new 7.5 fuse and it blew right away. (Fuse #25Generic Electronic Module (GEM), Instrument Cluster, Securi-Lock.) I didn't get a new/used GEM there was a screw-up in the order. I did take it apart and did some checking and really didn't find any burnt spots or anything wrong with it. Like I said it still blew the fuse with it unhooked. Anyway, I guess I am looking for a wiring diagram for fuse #25 so I can trace the wiring to see maybe where it is shorted out and go from there. Thanks, Jack.
Aug 27, 2024 at 9:00 AM
Avatar
STRAILER
  • CERTIFIED EXPERT
  • 53,855 POSTS
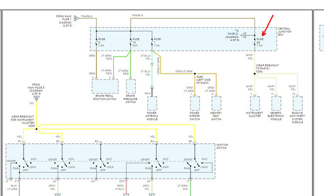
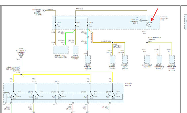
That fuse goes to the GEM, instrument cluster and the passive anti theft module. Here is the wiring for it so you can see.
Aug 27, 2024 at 9:21 AM
Avatar
CASTAWAY52
  • MEMBER
  • 16 POSTS
Hi Ken. Thanks for the diagram, it was very helpful. One more request, do you have the wiring diagram for the two-door power windows from the switches through the door and I guess up to the under-hood fuse box, which was my original problem? Thanks Again. Jack.
Aug 27, 2024 at 10:07 AM
Avatar
STRAILER
  • CERTIFIED EXPERT
  • 53,855 POSTS
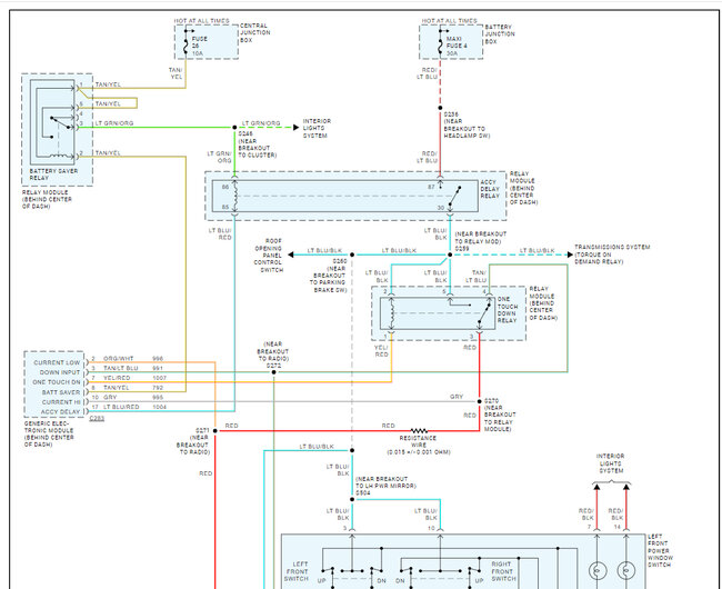
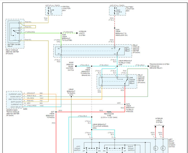
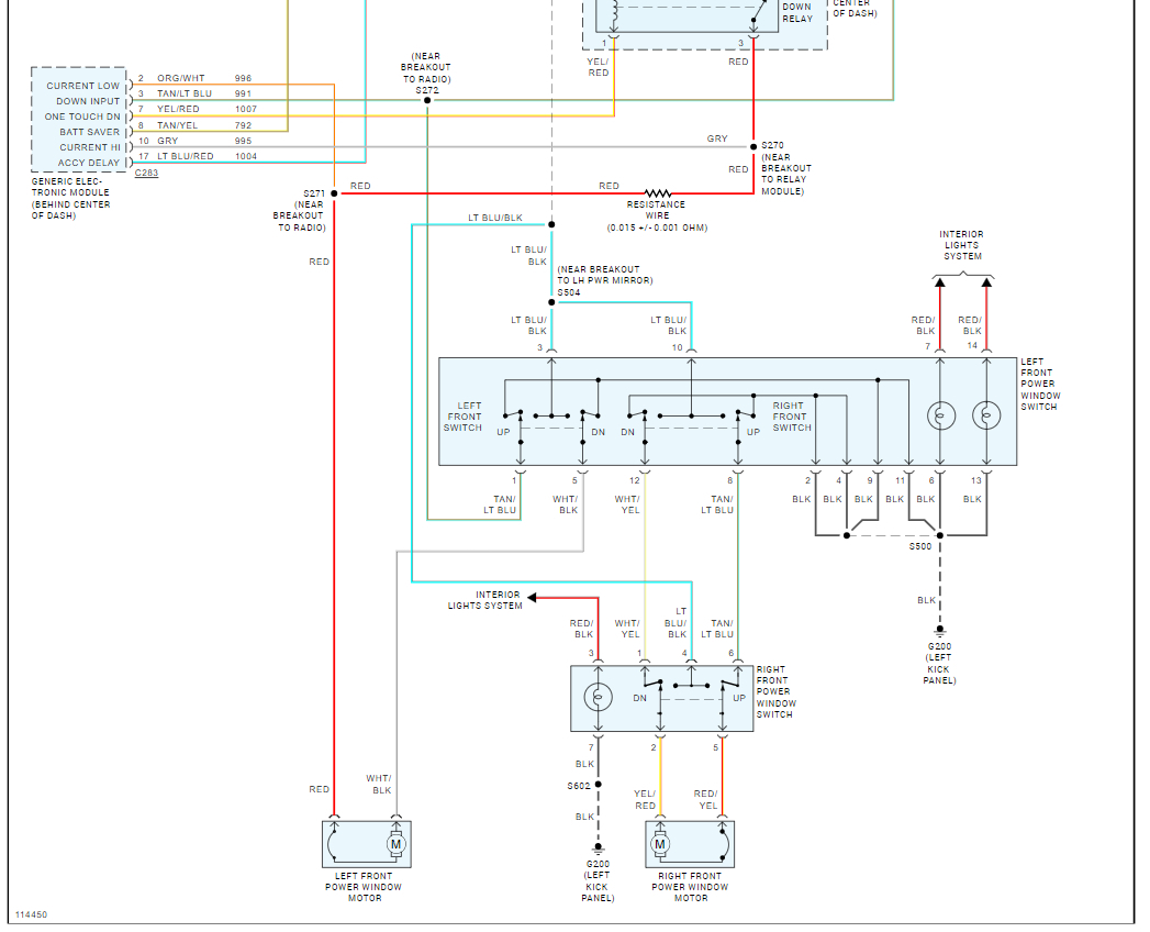
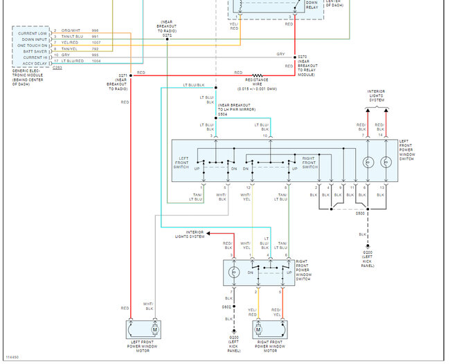
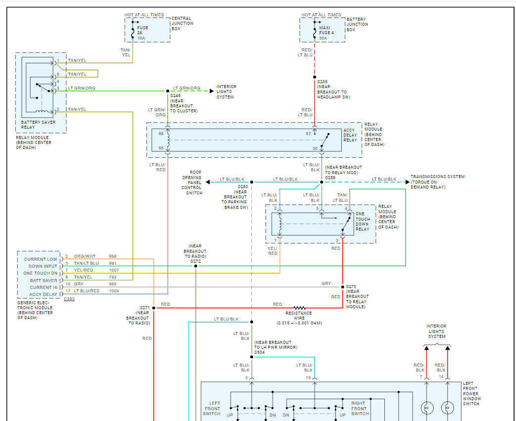
Sure, here are the window wiring diagrams and a guide to help you check the connections:

https://www.2carpros.com/articles/how-to-check-wiring

I see the windows go through the GEM so it could be the main switch that is shorted out, I would unplug the switch to see if the fuse still pops. Check out the images (below). Let us know how it goes.

Aug 27, 2024 at 12:48 PM
Avatar
CASTAWAY52
  • MEMBER
  • 16 POSTS
Howdy Ken. Well, I finally figured it out it came down to the Y/W wire that goes into the black plug on the dash. I did a check-and-go as I hooked everything back up to the GEM as I put the connectors on I would check the fuse the last one I hooked up was the black connector that went to the instrument cluster and the fuse blew. I removed the connector and installed a new fuse all was good, and the windows work now also. I found a used instrument cluster on e-bay should be here next week. I hope that is it. Thanks again. Jack.
Aug 28, 2024 at 1:27 PM
Avatar
STRAILER
  • CERTIFIED EXPERT
  • 53,855 POSTS
Yep, that's what I had a feeling it was, nice work that should fix it, let me know when you get the used cluster. It might be fun to take the old one apart to see if you can see anything burnt?
Aug 29, 2024 at 8:31 AM
Avatar
CASTAWAY52
  • MEMBER
  • 16 POSTS
Hi Ken, yes, it was the dash cluster. I installed the new /used cluster, and everything works the way it's supposed to. I actually tore the whole cluster apart and checked the circuit boards and related parts and found really nothing wrong. I am going to say it was in the small computer chip which is on a separate board. and I could not check it the way it was supposed to be done. Anyway, thanks for your help. Jack...
Sep 6, 2024 at 11:19 AM
Avatar
STRAILER
  • CERTIFIED EXPERT
  • 53,855 POSTS
Yep yep, good job on that one. Glad you could get it fixed, thanks for letting us know. Please use 2CarPros anytime we are here to help.
Sep 6, 2024 at 5:52 PM