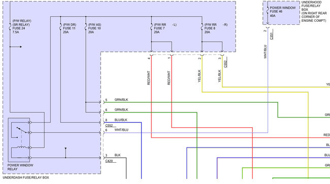
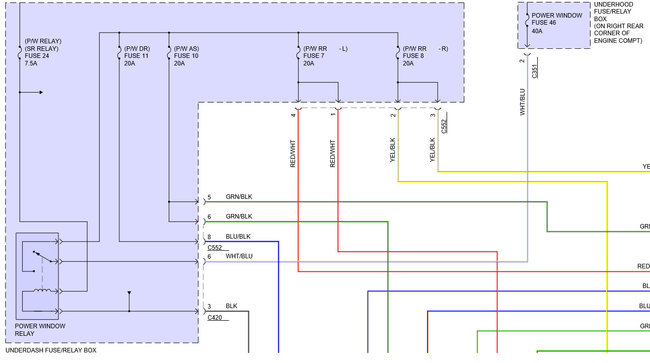
Need some help. My power windows do not work at all. I light tested all fuses and the relay. And even the main switch. Lights up when I push every button except for the passenger window button. Could this somehow cause none of them to work? Also, when I push the driver button with the light tester grounding the switch (think the ground wire is out by the way. I had the light tester stuck in the ground wire in the harness), it makes a buzzing noise. I am at a loss here.
P.S. My mirrors and locks do notwork either. Not sure if that is related.
P.S. My mirrors and locks do notwork either. Not sure if that is related.
Dec 12, 2016 at 3:07 PM
