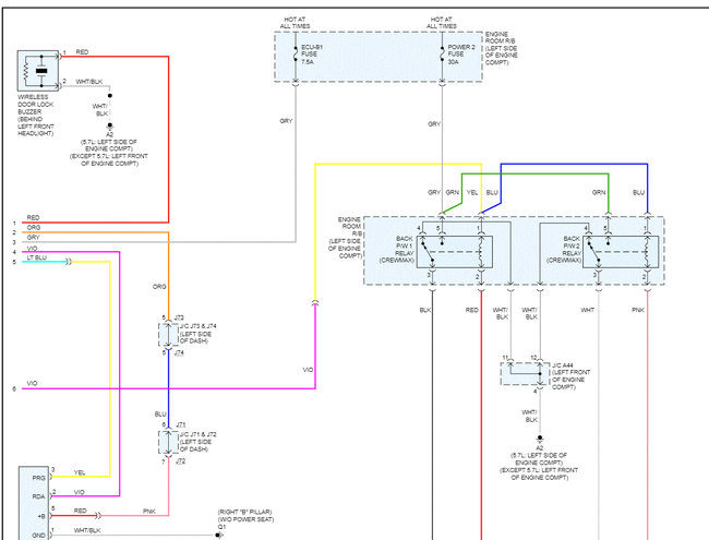
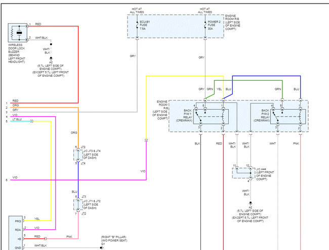
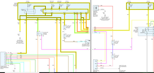
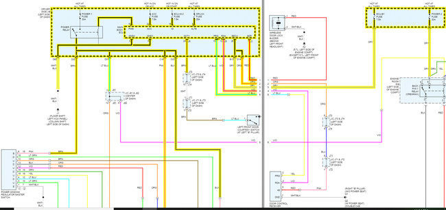
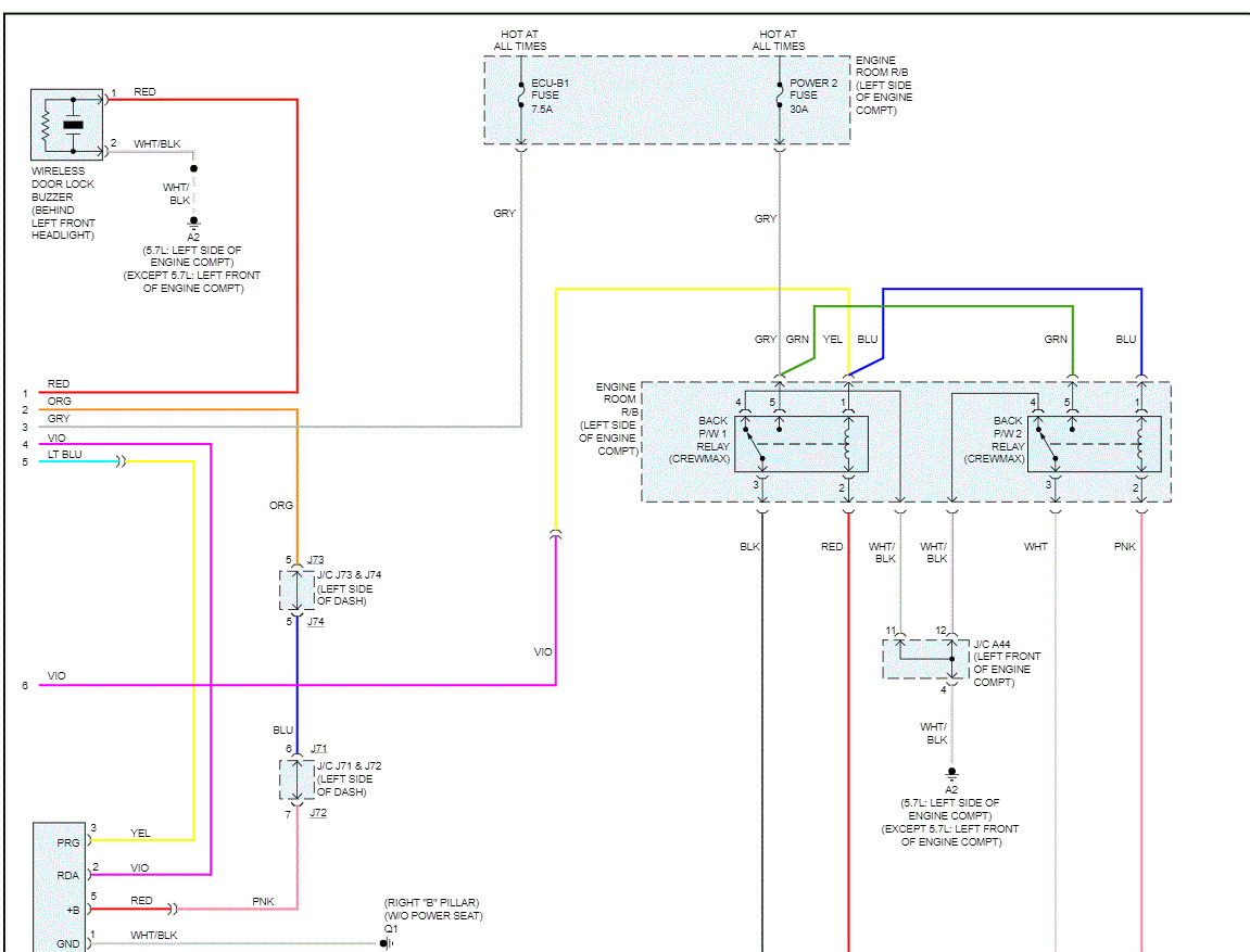
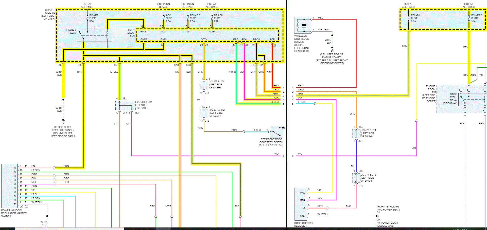
just realized none of the windows work; no clicking heard when holding any of the switches up or down. tried at main switch and at each window..few days ago was checking fuses for radio and found all to be good, not sure if this happened after.. might be a relay or a fuse, if you can pinpoint to their location I would appreciate it..
May 7, 2020 at 11:39 AM






