Both power windows are not working at all

1996 BMW Z3
155,000 MILES • 1.9L • 6 CYL • 2WD • MANUAL
Avatar
CAROLEHD
  • MEMBER
  • 3 POSTS
After reading about this problem, it's probably a blown fuse, but I can't figure out which fuse to replace because in the Fuse Box. there is no label for power windows. I need help please!!
Jul 2, 2019 at 4:23 PM
Advertisement
Avatar
KASEKENNY
  • CERTIFIED EXPERT
  • 18,907 POSTS
Hi Carolehd,

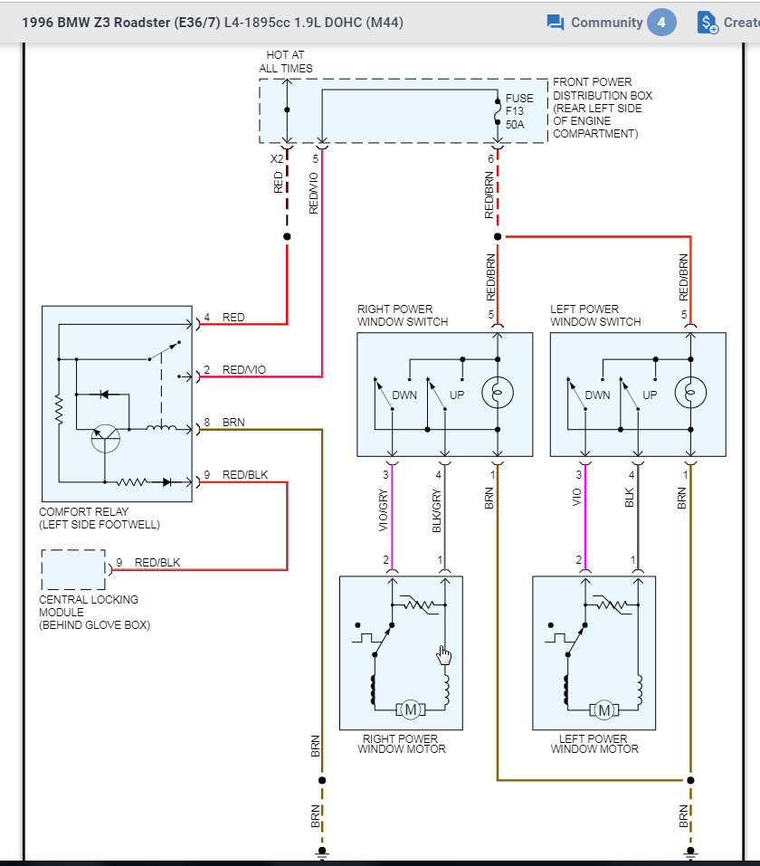
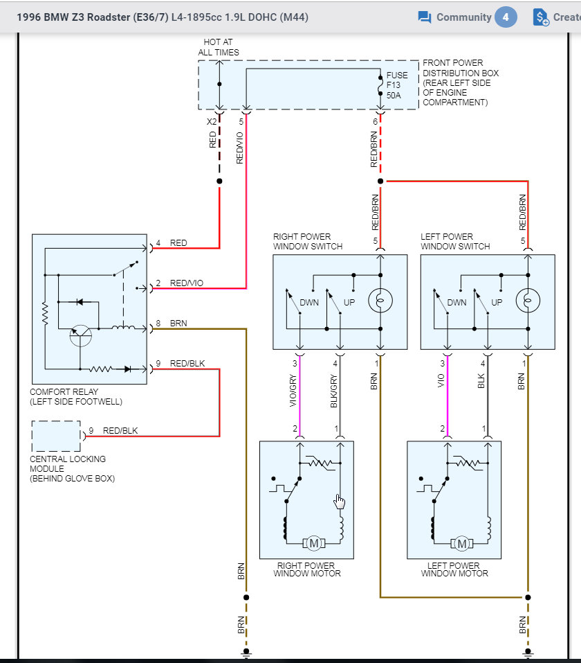
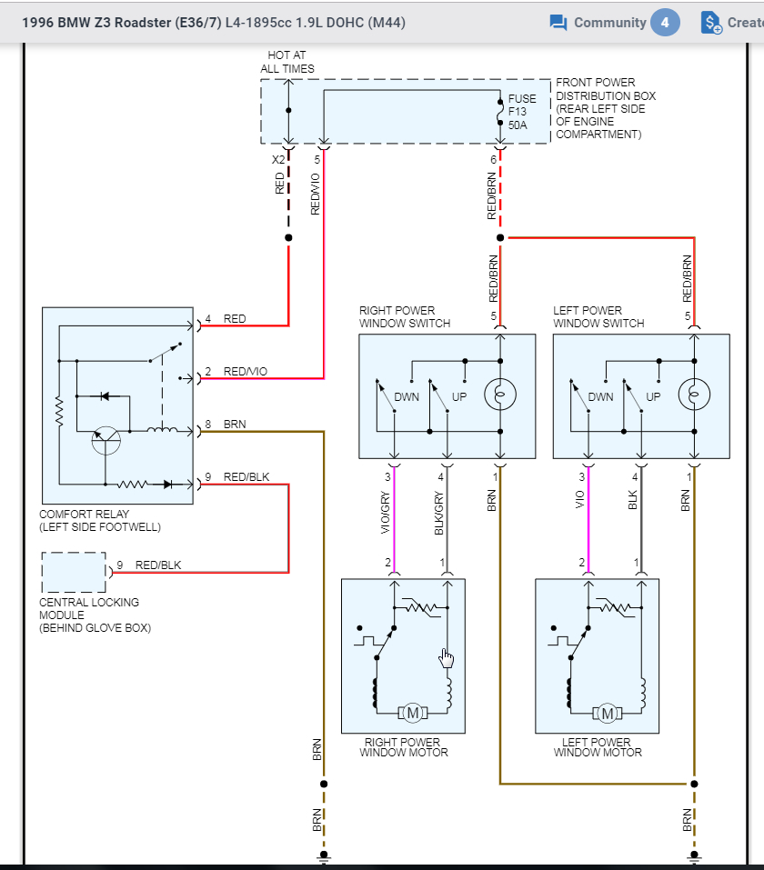
Looks like the rear left of engine compartment fuse box, F13 which is a 50A fuse according to the wiring diagram and a 30A per the fuse box detail. Either way, that is the one you want.

Let me know if you need more information. Thanks
Jul 2, 2019 at 4:44 PM
Avatar
CAROLEHD
  • MEMBER
  • 3 POSTS
Hi kasekenny1, OMG. It worked! Replaced the #13 fuse and the windows work now. Thank you so very much. i had figured out it was probably #13 from my fuse box saying "lift window" but i wanted to be sure. Thank you so much! I'm so happy. Now i can take my Z3 with my dog for a ride to the park! Carolyn
Jul 2, 2019 at 5:06 PM
Advertisement
Avatar
KASEKENNY
  • CERTIFIED EXPERT
  • 18,907 POSTS
Well that just made my day. Anytime I can help a dog have a good time is a good day for me!!! Please let us know of other issues in the future and we will be glad to help. Thanks
Jul 2, 2019 at 5:08 PM
Avatar
CAROLEHD
  • MEMBER
  • 3 POSTS
Hi KaseKenny1, I spoke too soon! Only the driver's window goes down. The passenger window won't move. It might be the switch and I'll wait for my mobile mechanic to check it out when he's here for another car to fix. Thanks again. At least one window rolls down now. Yeah!
Jul 2, 2019 at 6:27 PM
Avatar
KASEKENNY
  • CERTIFIED EXPERT
  • 18,907 POSTS
Okay. Yes. It is either the switch or the motor. If you look at the wiring diagram, both windows are feed off the same fuse then they split to the separate switches, then to the separate motors, then back to the same ground wire.

If neither one worked and you replaced the fuse, now the driver side works, the likely issue is just the switch.

Let me know if you need anything else and I will be happy to help. Thanks
Jul 2, 2019 at 6:49 PM