Good afternoon,
The locks have actuators. Over time they wear out and they will try to lock but cannot. It sounds like you need to replace the actuators.
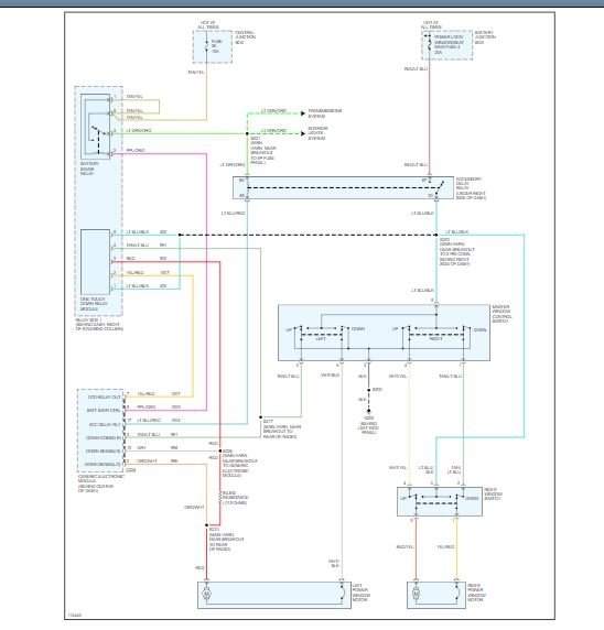
As far as the windows, Is the clicking coming from the switch or the window motor?
Roy
2. Disconnect the battery ground cable.
4. Remove the watershield.
imageOpen In New TabZoom/Print
5. Remove the door glass rear run channel.
- Remove the bolt.
- Remove the window glass rear run channel.
image
6. Disconnect the front door latch control cylinder rod from the door lock cylinder lever.
imageOpen In New TabZoom/Print
7. Remove the outside door handle actuating rod.
1. Unclip the outside door handle actuating rod.
2. Remove the outside door handle actuating rod.
imageOpen In New TabZoom/Print
8. If equipped, drill out the power door lock actuator rivet.
image
9. Remove the front door latch screws
10. Disconnect the interior lamp switch and the door ajar switch electrical connectors.
- If equipped, disconnect the power door lock actuator electrical connector.
11. Position the door latch assembly aside.
imageOpen In New TabZoom/Print
12. Remove the front door latch cable watershield.
imageOpen In New TabZoom/Print
13. Remove the front door latch cable.
1. Remove the cable conduit from the door latch.
2. Disconnect cable from the door latch.
imageOpen In New TabZoom/Print
14. Remove the door latch push button rod.
15. If equipped, disconnect the power door lock actuator from the door latch assembly.
Installation
imageOpen In New TabZoom/Print
1. NOTE: Check window operation after installation. To install, reverse the removal procedure.
Images (Click to enlarge)
Apr 13, 2019 at 3:15 PM