Power windows wiring color code

2006 GMC SIERRA
131,656 MILES
Avatar
MANUEL MORENO
  • MEMBER
  • 9 POSTS
I'm having problems with my window control panel I'm using a Yukon window control wires for my GMC Sierra window original and I can't figure it out with color and wire goes with what.
Jun 7, 2021 at 12:57 PM
Advertisement
Avatar
JACOBANDNICKOLAS
  • CERTIFIED EXPERT
  • 110,175 POSTS
Hi,

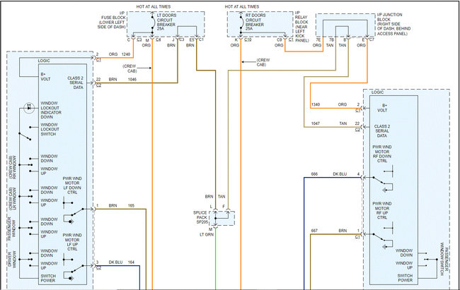
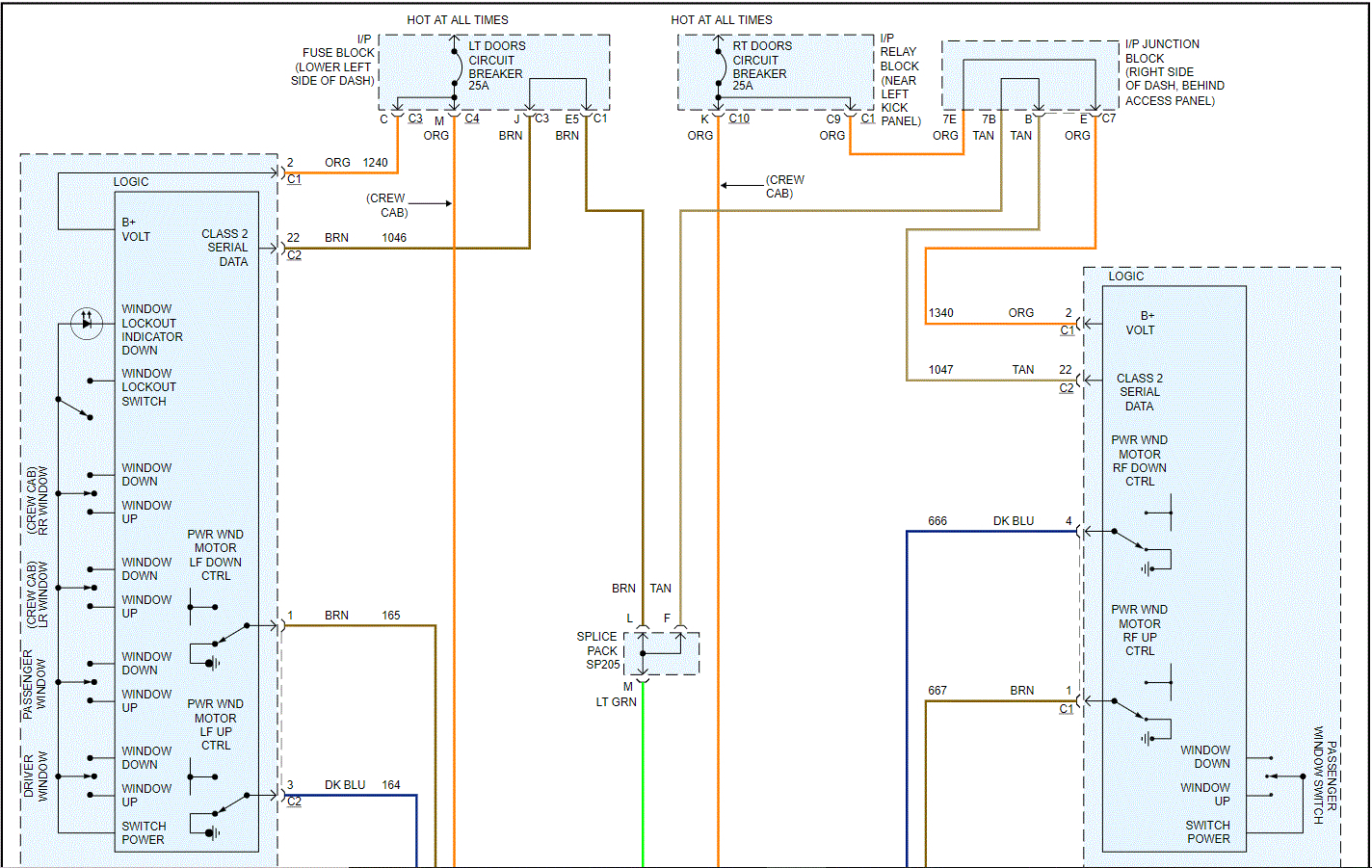
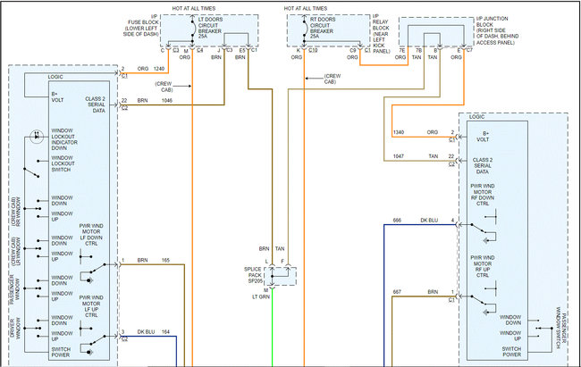
Let's see what we can figure out together. Below, I attached the wiring schematic for the power window circuit specific to your vehicle. If you can provide the year of the Yukon that you got the part from, I will provide those as well Then, we can figure out if it is even possible.

Let me know.

Take care,

Joe

See pics below Note: I had to cut the pic in half to make it readable for you. I did overlap them so you can follow from one to the next.
Jun 7, 2021 at 9:45 PM
Avatar
MANUEL MORENO
  • MEMBER
  • 9 POSTS
It's the same as my truck 2007. I'm kind of new to the wire diagram, so I don't know that much of electrical stuff. the picture I uploaded it's from the Yukon GMC.
Jun 7, 2021 at 10:08 PM
Advertisement
Avatar
MANUEL MORENO
  • MEMBER
  • 9 POSTS
What I going to try is connect the ones that matches the ones from my truck too the GMC Yukon. I just want to know what color goes 2 what after I match them. probably have some wire loose.
Jun 7, 2021 at 10:11 PM
Avatar
JACOBANDNICKOLAS
  • CERTIFIED EXPERT
  • 110,175 POSTS
Hi,

It should indicate it above for your truck. Do you know what year the Yukon is? You have to be a little careful. You don't want to short things out.

Let me know what I can do to help.

Joe
Jun 8, 2021 at 7:55 PM
Avatar
MANUEL MORENO
  • MEMBER
  • 9 POSTS
Yeah, I know that's what I don't want.. And probably it's same as my truck 2007. I am going to ask my neighbor for help tomorrow.
Jun 8, 2021 at 9:29 PM
Avatar
JACOBANDNICKOLAS
  • CERTIFIED EXPERT
  • 110,175 POSTS
Let me know if you find out. I think it will really help us determine if they are the same or not.

Take care,

Joe
Jun 8, 2021 at 10:38 PM
Avatar
MANUEL MORENO
  • MEMBER
  • 9 POSTS
I know that's why I want video of people doing things like that so I can see on my own put. I'll try adding a picture of my GMC wires.
Jun 8, 2021 at 10:56 PM
Avatar
MANUEL MORENO
  • MEMBER
  • 9 POSTS
We're about 2 connect them, so let's see how it goes.
Jun 9, 2021 at 12:39 PM
Avatar
JACOBANDNICKOLAS
  • CERTIFIED EXPERT
  • 110,175 POSTS
Hi,

How did things turn out for you? Did everything work?

Joe
Jun 9, 2021 at 8:36 PM
Avatar
MANUEL MORENO
  • MEMBER
  • 9 POSTS
Yeah, I it did got all my four windows working well.three put I just connected all the colors to each m boom put i am going to try taking it a professional than having as short or etc., but thanks for the support.
Jun 9, 2021 at 10:00 PM
Avatar
JACOBANDNICKOLAS
  • CERTIFIED EXPERT
  • 110,175 POSTS
Hi,

Glad to hear it worked. Take good care of yourself and feel free to come back anytime in the future.

Take care,

Joe
Jun 9, 2021 at 10:19 PM
Avatar
MANUEL MORENO
  • MEMBER
  • 9 POSTS
Well, I do have another question it's about my A/C. I don't know if the fan o everytime I turn no cold air comes through put only when I drive like cold air comes out of the vents.
Jun 9, 2021 at 10:24 PM
Avatar
JACOBANDNICKOLAS
  • CERTIFIED EXPERT
  • 110,175 POSTS
Hi,

I would be happy to help, but I need to ask a favor. Could you please start a new thread? We are trying to keep the threads specific to one topic. I hope you understand.

Just copy and paste your new question. Here's the link:

https://www.2carpros.com/questions/new

Thanks,

Joe
Jun 10, 2021 at 7:41 PM