power windows, A/C and radio not working

1995 GMC C1500
300,000 MILES • 5.3L • V8 • 2WD
Avatar
CLEM GRAHAM
  • MEMBER
  • 1 POST
all stopped working.
Jun 25, 2021 at 5:05 PM
Advertisement
Avatar
KASEKENNY
  • CERTIFIED EXPERT
  • 18,907 POSTS
This could be a number of things and not necessarily the same thing. Did all this fail at the same time?

No matter what the way to figure this out is to pick one of them and figure that out and if they are all related then you fixed them all. If not, we can move onto the next one.

If there is an obvious thing that can cause all of them to fail like they are fed from the same fuse then we can look for commonalities but that is not the case with this issue.

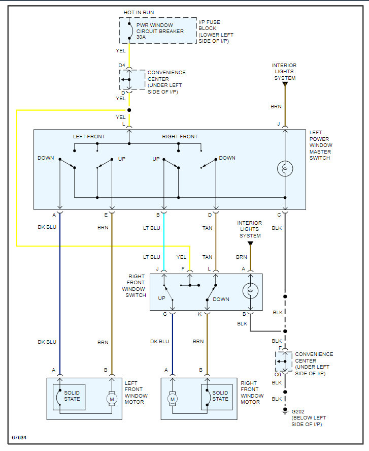
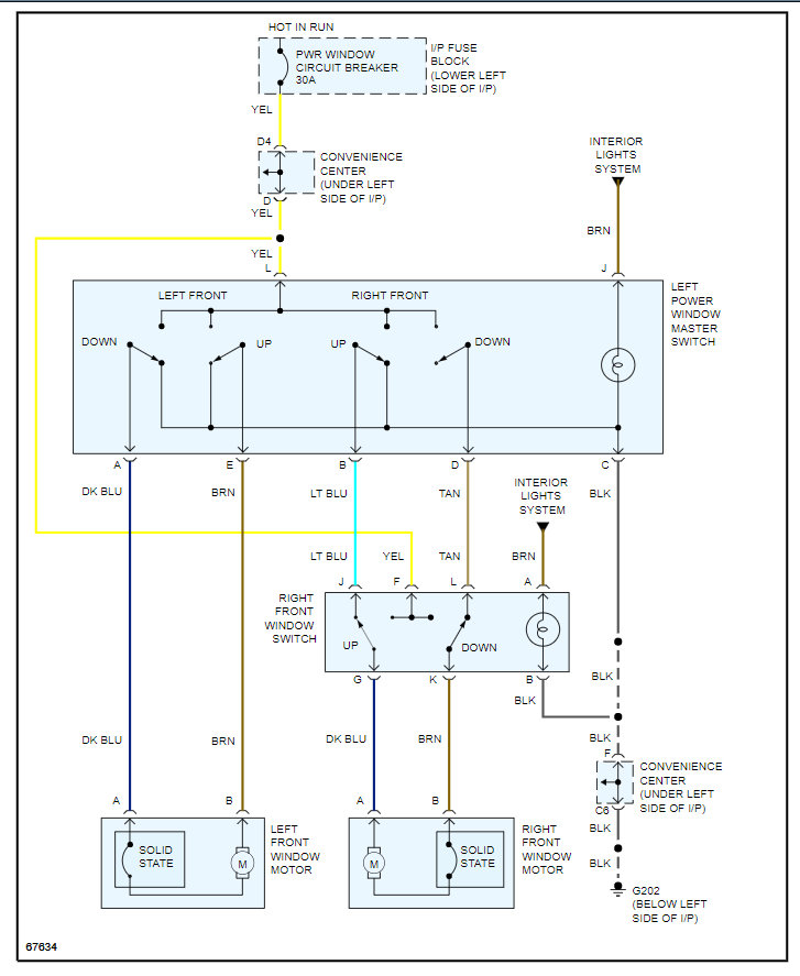
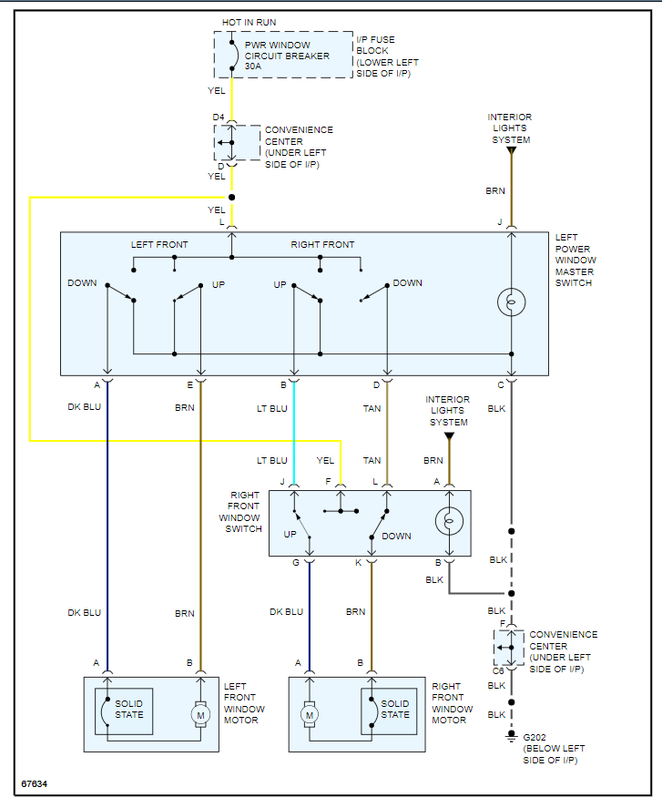
I would suggest starting with the power windows as they are such a simple circuit and see what has voltage and what does not. Clearly starting with the fuse is the best place but then we need to jump to the master window switch.

https://www.2carpros.com/articles/how-to-check-wiring

Please review the wiring diagram for more info and then let me know if you have questions and what you find. Thanks
Jun 26, 2021 at 2:07 PM