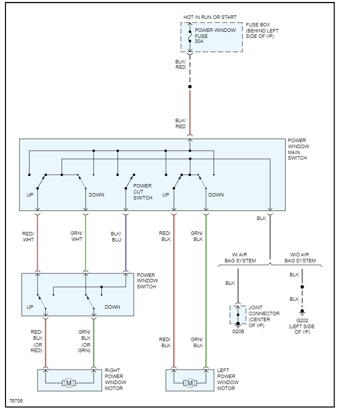
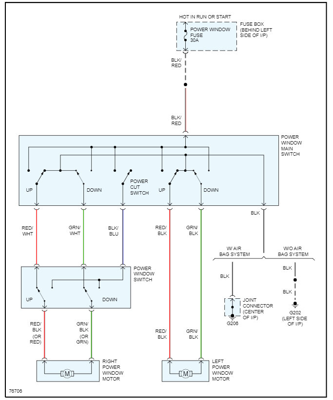
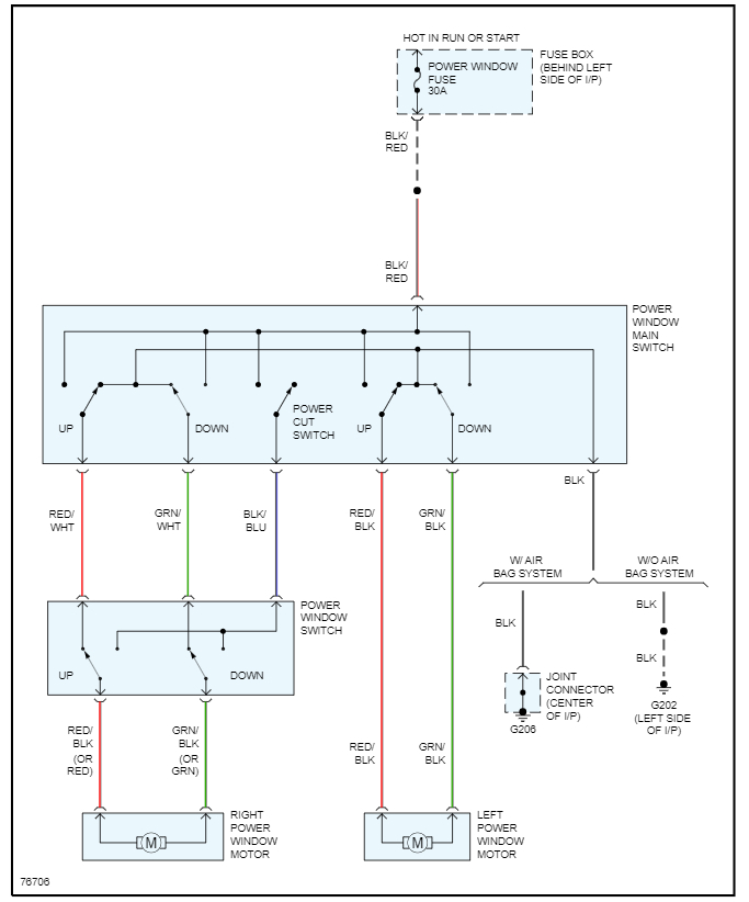
Hello. The 30A fuse appears to be okay. The driver's window went down. The passenger window went down about 1/2” then stopped. Replaced the door Panel switches. No movement at all. Ideas? It would seem to be more than a coincidence that both motors would stop working at the same time. I have a few other questions, but one at a time. This one is the most pressing.
Thank you.
And are any of you within driving distance of Birmingham AL?
Thank you.
And are any of you within driving distance of Birmingham AL?
Aug 21, 2023 at 1:19 PM
