Where is fuse located for power windows? The manual does not indicate.
Mar 2, 2016 at 5:00 AM
Advertisement
HMAC300
CERTIFIED EXPERT
48,601 POSTS
Power windows don't use a fuse, they use a circuit breaker due to the high draw of the motors.The circuit breaker #47 for this and it is in the smart box or under hood fuse box. Here is a guide to help you see where you are losing power and the window wiring diagrams so you can see how the system works:
Check out the diagrams (below). Please run this test and get back to us.
Images (Click to enlarge)
Mar 2, 2016 at 7:19 AM
PAUL.KNOLL1
MEMBER
7 POSTS
Thank you. Can I reset the circuit breaker?
Mar 2, 2016 at 8:07 AM
Advertisement
HMAC300
CERTIFIED EXPERT
48,601 POSTS
No, they reset themselves. If no power then the breaker is bad. It should be visible like a fuse. I do not have access to our manual to show where it is. If under hood it should be marked on underside cover of box.
Mar 2, 2016 at 8:11 AM
PAUL.KNOLL1
MEMBER
7 POSTS
Thank you. I have read that if I disconnect the battery for about thirty minutes it may reset breaker, do you agree?
Mar 2, 2016 at 8:32 AM
HMAC300
CERTIFIED EXPERT
48,601 POSTS
No, breakers do not work like that. If you have no power at your switch then the breaker/fuse is bad or a short in wire.
Mar 2, 2016 at 12:00 PM
PAUL.KNOLL1
MEMBER
7 POSTS
I got frustrated and slammed the car door closed and for some reason all the windows started working. I am thinking a loose wire in door wiring.
Mar 2, 2016 at 12:16 PM
HMAC300
CERTIFIED EXPERT
48,601 POSTS
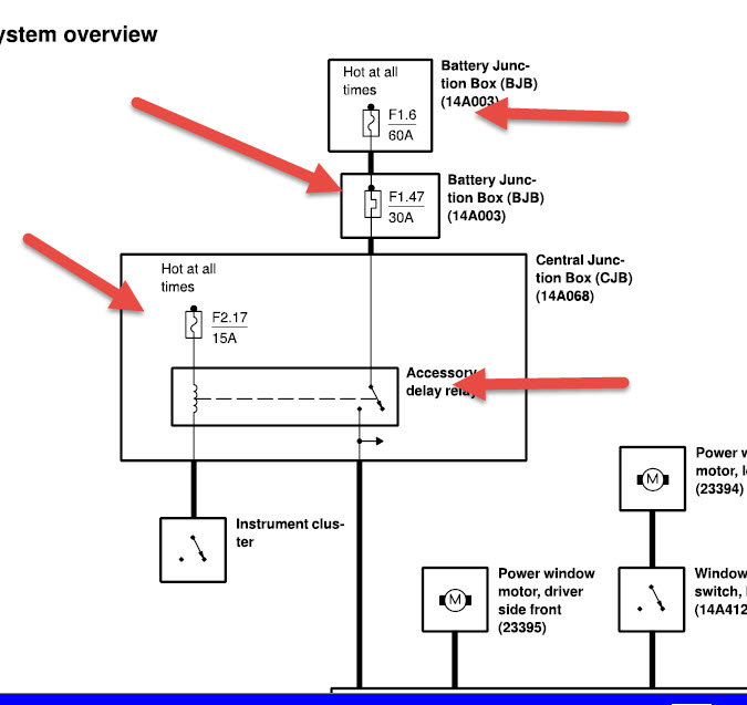
Okay, I went to a Ford manual and got this for you to check. There are three different fuses and a relay to check. See picture.
Image (Click to enlarge)
Mar 2, 2016 at 12:21 PM
HMAC300
CERTIFIED EXPERT
48,601 POSTS
It may be that or a wire broken between the door and jamb.
Mar 2, 2016 at 12:22 PM
PAUL.KNOLL1
MEMBER
7 POSTS
Thanks for fuse locations image, I am just going to test all. I will check the wire between the door and jamb.
Mar 2, 2016 at 12:27 PM
STRAILER
CERTIFIED EXPERT
53,854 POSTS
Please let us know what you find so it will help others.
Mar 7, 2016 at 5:36 PM
PAUL.KNOLL1
MEMBER
7 POSTS
I am going to replace the circuit breaker, I will let you know.
Mar 8, 2016 at 3:36 AM
PAUL.KNOLL1
MEMBER
7 POSTS
Thanks, I change the circuit breaker, all the window work, with one exception. If I have driver side door open the windows will not work, If I shut the door all the window work.
Mar 15, 2016 at 9:50 AM
HMAC300
CERTIFIED EXPERT
48,601 POSTS
Check for a broken wire in door jamb for that window or a bad window switch. Here is a guide to help confirm the issue: