Power windows not working properly

2011 CHEVROLET MALIBU
1,720,027 MILES • 2.4L • 4 CYL • 2WD • AUTOMATIC
Avatar
SEDRICKWILLIAMS
  • MEMBER
  • 3 POSTS
Window is stuck down can't get it up.
Oct 25, 2020 at 3:55 PM
Advertisement
Avatar
KASEKENNY
  • CERTIFIED EXPERT
  • 18,907 POSTS
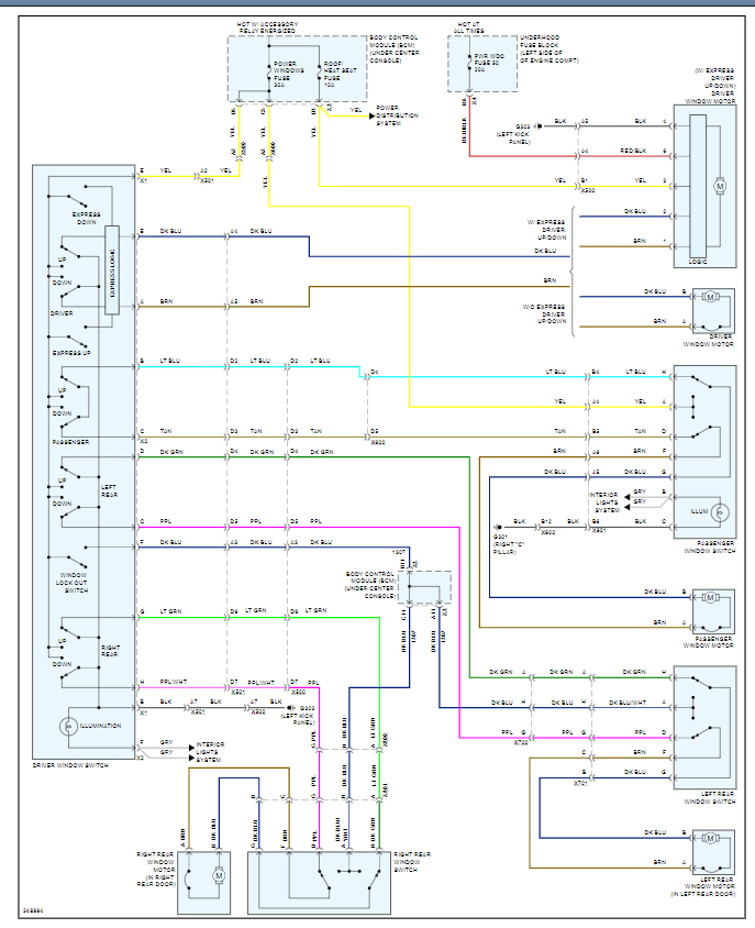
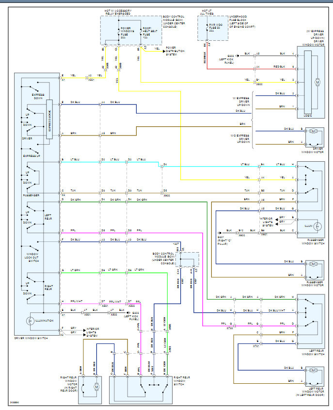
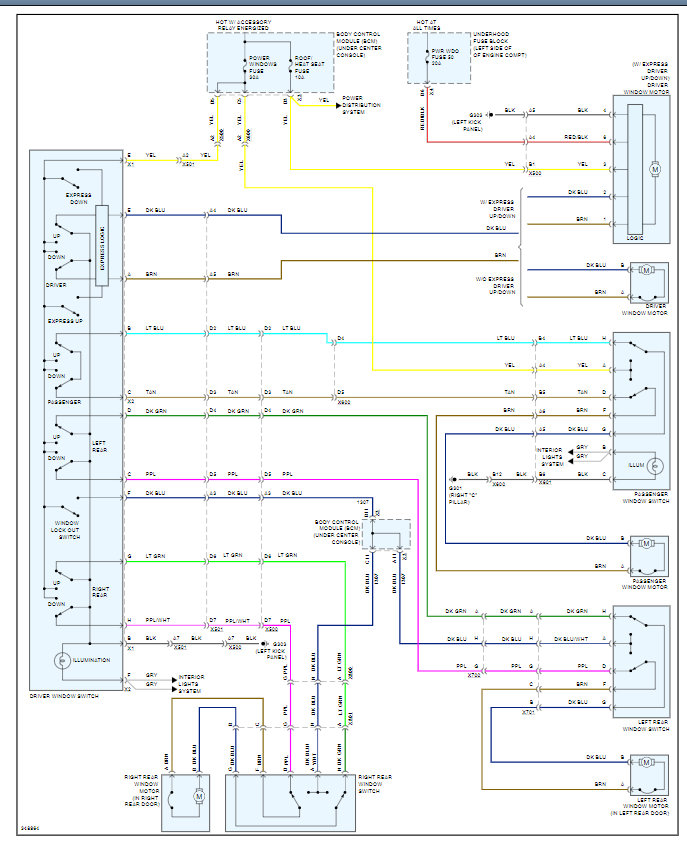
I am assuming it is the driver window but no matter which window it is we need to access the window motor and check for voltage to see if it is getting power. If it is then the motor is the issue. If not, then we have a switch, fuse or wiring issue.

https://www.2carpros.com/articles/door-panel-removal

Let's start with this and go from there.
Oct 25, 2020 at 4:41 PM
Avatar
SEDRICKWILLIAMS
  • MEMBER
  • 3 POSTS
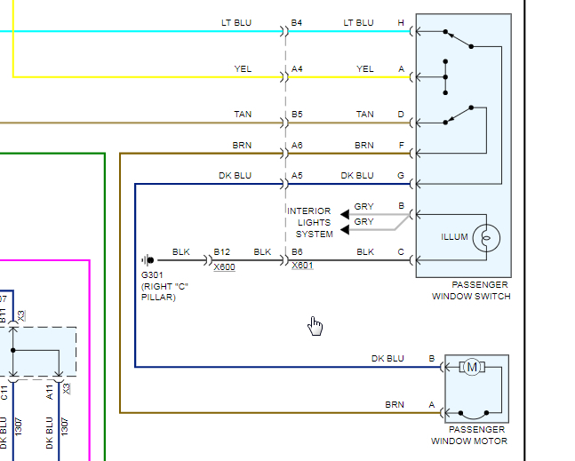
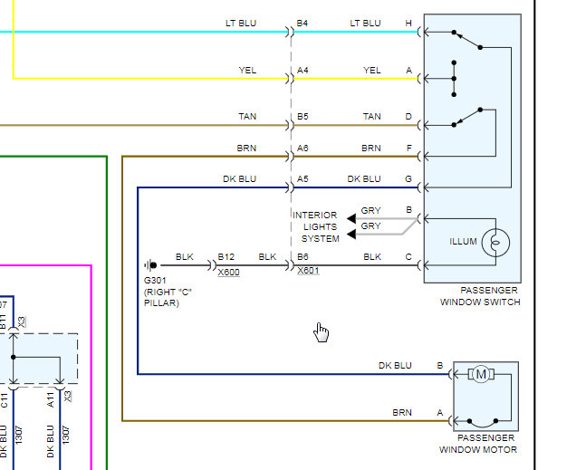
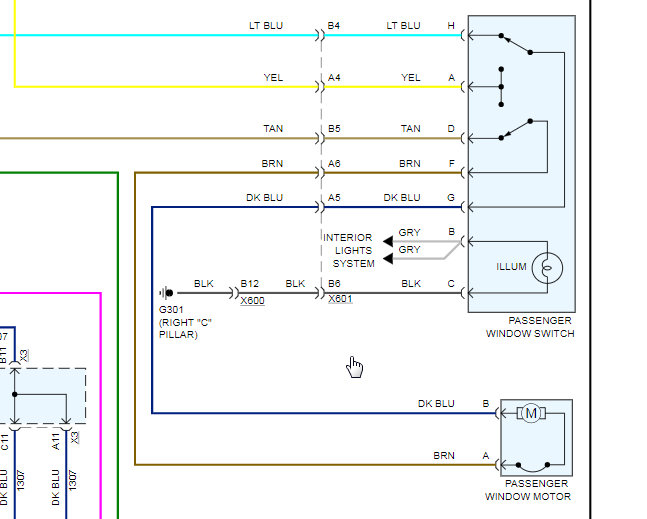
Passenger window, no noise from the motor.
Oct 26, 2020 at 4:59 AM
Advertisement
Avatar
KASEKENNY
  • CERTIFIED EXPERT
  • 18,907 POSTS
Okay. Then we need to access that motor and test for power. Either we have an issue with the circuit sending power to it or the motor itself. If there is power then the motor is the issue.
Oct 26, 2020 at 7:56 PM