Power windows wiring diagram needed?

2001 CHEVROLET SILVERADO
175,000 MILES • 0.6L • V8 • 2WD • AUTOMATIC
Avatar
RLPETERSON78
  • MEMBER
  • 128 POSTS
Hello, I did bodywork on my truck listed above four doors, 1500 HD. I had to take all 4 doors off my truck and now I have installed them back on. When I did that, I could control my front driver side and back passenger side window from the switch controller on the driver's side that should control all the windows. But I could control the other windows by using the switch on the door. Now I have lost control of the passenger back window and the switches on the other doors do not work. Now I only can control the driver's side window, and only lower the back passenger side window, but can't roll it back up. How do I fix this, and do you possibly have a wiring diagram for this truck?
Aug 26, 2023 at 4:46 PM
Advertisement
Avatar
STRAILER
  • CERTIFIED EXPERT
  • 53,854 POSTS
It sounds like one of the grounds is not connected or you have a window relay that is not working.

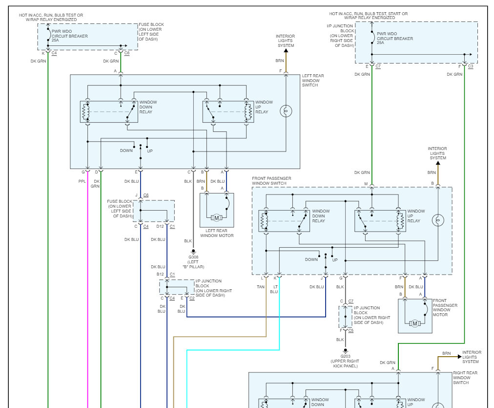
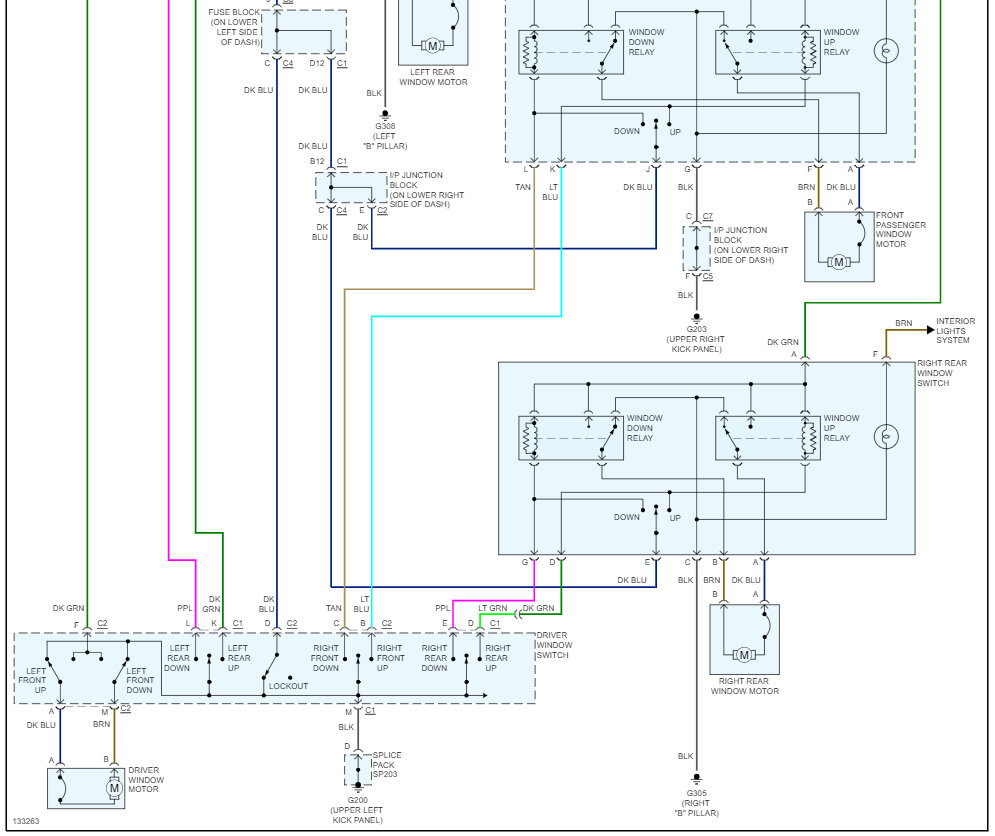
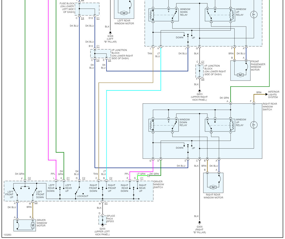
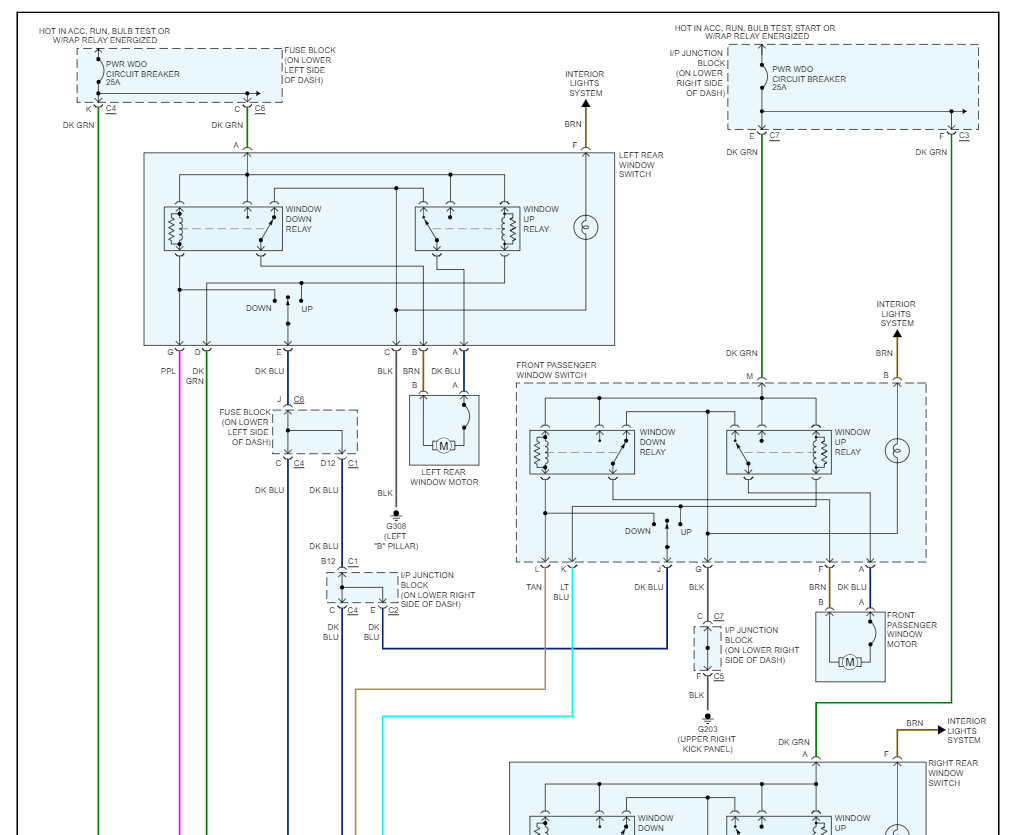
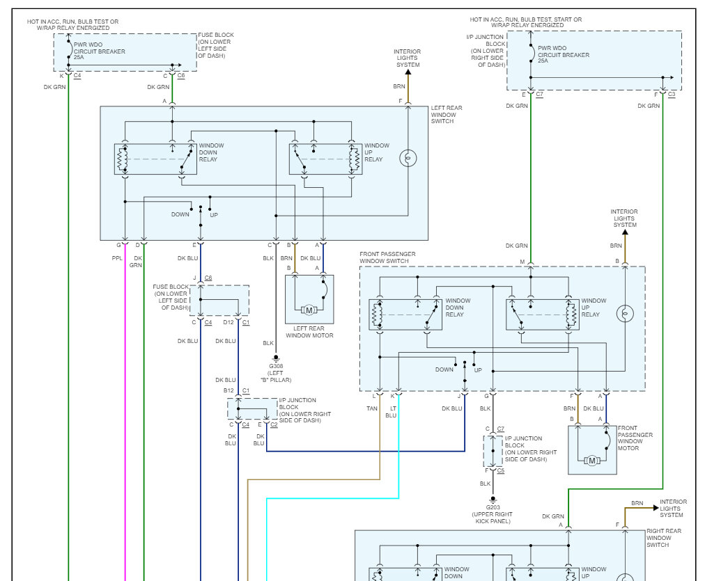
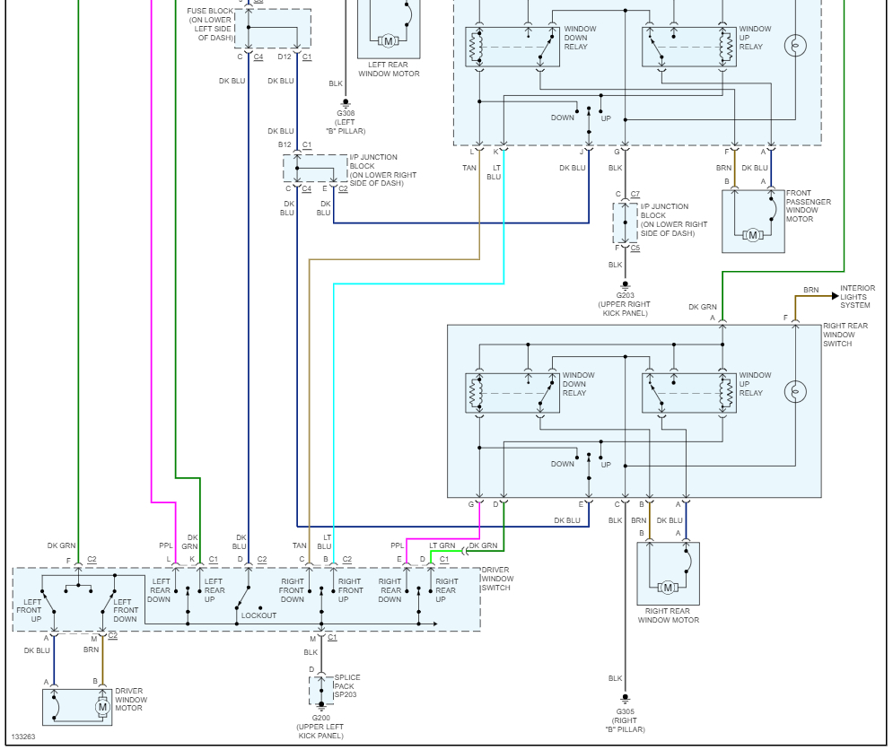
Here is a guide to help you test the wiring and the 4 door window wiring diagrams.

https://www.2carpros.com/articles/how-to-check-wiring

Check out the images (below). Please let us know what happens.
Aug 27, 2023 at 10:49 AM
Avatar
RLPETERSON78
  • MEMBER
  • 128 POSTS
I found that I didn't connect a line that came through the hole where the electrical wires came through from the door into the cab. It was hung up inside the door grommet. It had the two power lines.
Sep 12, 2023 at 10:43 AM
Advertisement
Avatar
STRAILER
  • CERTIFIED EXPERT
  • 53,854 POSTS
So the problem is fixed now? If so nice work :)
Sep 13, 2023 at 9:46 AM
Avatar
RLPETERSON78
  • MEMBER
  • 128 POSTS
Yes it is fixed.
Sep 13, 2023 at 2:51 PM
Avatar
STRAILER
  • CERTIFIED EXPERT
  • 53,854 POSTS
Thanks for letting us know, we are here to help, please use 2CarPros anytime.
Sep 14, 2023 at 10:48 AM
Avatar
RLPETERSON78
  • MEMBER
  • 128 POSTS
Thank you for sending me the wiring diagram. That really helped me track it down and fix it. Ron
Sep 14, 2023 at 3:01 PM
Avatar
STRAILER
  • CERTIFIED EXPERT
  • 53,854 POSTS
What was wrong?
May 7, 2024 at 10:25 AM
Avatar
RLPETERSON78
  • MEMBER
  • 128 POSTS
Hi Ken, the problem with this tread was solved . I have been corresponding with Joe due to a no start, no crank. Is that what you are referring to?

Ron
May 7, 2024 at 1:11 PM