Power windows

2007 HONDA CRV
70,000 MILES
Avatar
RON TENNEY
  • MEMBER
  • 1 POST
Drivers side window works but all others do not operate. Passenger window half way down but will not go up.
May 16, 2018 at 8:27 AM
Advertisement
Avatar
STRAILER
  • CERTIFIED EXPERT
  • 53,854 POSTS
Hello,

This sounds like you have a main window switch or a power window relay that is out because all windows run through it. But to be sure lets run down this guide.

https://www.2carpros.com/articles/electric-window-repair

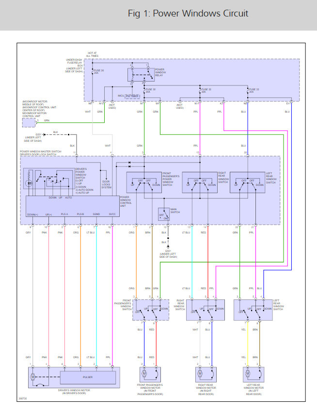
Here is more information to help you get the problem fixed including the window system wiring diagram so you can see how the system works:

https://www.2carpros.com/articles/how-to-check-an-electrical-relay-and-wiring-control-circuit

Check out the diagrams (below). Please run this test and get back to us.

Cheers, Ken
May 17, 2018 at 11:05 AM