Power windows not working

2000 FORD EXPLORER
240,000 MILES • 4.0L • 6 CYL
Avatar
JEFFERYKS.
  • MEMBER
  • 6 POSTS
Power windows quit working.
Apr 22, 2018 at 10:28 PM
Advertisement
Avatar
ASEMASTER6371
  • CERTIFIED EXPERT
  • 52,796 POSTS
Good morning.

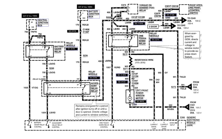
In most cases, it is a fuse that has failed. I enclosed a diagram for you to view. check the fuses for power with a test light for power on both sides. if they are okay, let me know as we will need to check and see if there is power to the master switch.

Do the other windows work with there separate door switches?

Roy

Apr 23, 2018 at 5:18 AM
Avatar
JEFFERYKS.
  • MEMBER
  • 6 POSTS
Roy. Thank you very much. I cannot find a fuse that is popped. None of the windows work and neither does the dome light. It is weird how i cannot find anything wrong.
Apr 23, 2018 at 6:10 AM
Advertisement
Avatar
ASEMASTER6371
  • CERTIFIED EXPERT
  • 52,796 POSTS
Did you check for power on both sides of the fuse?

Another common issue is the wiring in the front door. there is a rubber boot when you open the door that contains all the wiring for the windows and the dome light. from all the years of opening and closing, the wires can break from constant bending.

try cutting open the boot and inspect the wiring for any damage.

Roy
Apr 23, 2018 at 6:15 AM
Avatar
JEFFERYKS.
  • MEMBER
  • 6 POSTS
Okay, that is what I will do next.
Apr 23, 2018 at 7:16 AM
Avatar
ASEMASTER6371
  • CERTIFIED EXPERT
  • 52,796 POSTS
Keep us updated.

Roy
Apr 23, 2018 at 7:20 AM
Avatar
JEFFERYKS.
  • MEMBER
  • 6 POSTS
Yes, i am working on it now.
Apr 23, 2018 at 7:35 AM
Avatar
ASEMASTER6371
  • CERTIFIED EXPERT
  • 52,796 POSTS
Okay.
Apr 23, 2018 at 7:36 AM
Avatar
JEFFERYKS.
  • MEMBER
  • 6 POSTS
I recently had the transmission flywheel clutch replaced. it is four-wheel drive when I got it back to four wheel high and four wheel drive indicator lights are flashing and my windows power windows quit working. I tested all the relays and all the fuses are good and check the wiring in the door like you said and were good. Any ideas?
Apr 24, 2018 at 4:10 AM
Avatar
JEFFERYKS.
  • MEMBER
  • 6 POSTS
Also, the door locks work on both doors and the power mirror buttons work.
Apr 24, 2018 at 4:12 AM
Avatar
ASEMASTER6371
  • CERTIFIED EXPERT
  • 52,796 POSTS
Okay, did you verify power to the master switch? If you do, then we have to look toward the GEM module as it controls the operation of both the windows and the four wheel drive system.

Roy
Apr 24, 2018 at 4:33 AM