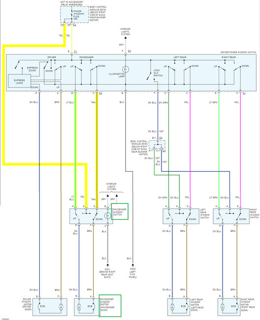
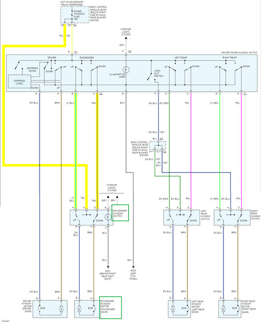
Well, since you are able to operate the passenger side window from the driver side master window switch, which tells me that the yellow wire coming into the driver side switch has at least some power on it. It should be 12 volts DC. Although it would be wise to verify that. If you buy a very basic multimeter from even Walmart, it should cost about $20, I can walk you through testing the yellow wire that comes from the Power Windows Fuse (30amp). But you will have to take off the door panel to access the connectors on the driver's door switch. The panels are pretty easy on these older Chevys.
If we check that there is good power and good ground at the switch connectors, then I would say the switch is most likely at fault.
But it's important to know that there is a full 12volts going to the switch and it has a good ground as well before replacing it.
Without checking those things, you may replace the switch and have the same issue. Power for the rear windows comes from the driver's door switch, so that would explain why they are not working.
If the ground for the switch (which is located down where your left foot would be, behind the left kick panel), is either corroded or has a bad connection, the switch will work off and on sometimes. The location it's in makes it susceptible to moisture or water intrusion, which can happen if the driver's door seal is not fully sealing out moisture anymore, or water can also leak down from a windshield seal that's not in the greatest shape. But these are just examples of what can happen.
But the door panel will need to come off and you should also see a rubber boot when the door is open, that runs from the door to the vehicles frame, the wiring for the door runs through that boot, and it's a location where those wires frequently break.
So you let us know what you are comfortable doing, the door panel has 2 or 3 screws which are sometimes hidden under a little cover that pops off, and then you need to pry out on the bottom of the door panel to pull it off, I'll see if I can find a video showing how to do this.
This is our guide which shows how the door panel is removed. Once it's off, you will see the push in clips that hold the bottom section to the door frame.
As well as a guide for using a multimeter.
https://www.2carpros.com/articles/door-panel-removal
https://www.2carpros.com/articles/how-to-use-a-voltmeter
Mar 27, 2024 at 11:09 AM