☰
Login
Join
×
Home
Answered Questions
Repair Topics
Repair & Service Guides
Popular Questions
Warning Lights
Trouble Codes
How It Works
Testing / Diagnostics
Symptoms
Videos
Login
Become a Member
Home
Chevrolet
Tahoe
Body
Window
Not Working
Power windows not working properly
1999 CHEVROLET TAHOE
200,000 MILES • 5.7L • V8 • 2WD • AUTOMATIC
THUNDER123
MEMBER
7 POSTS
FOLLOW
Power windows will only work from driver control.
Apr 20, 2019 at 5:09 PM
Advertisement
ASEMASTER6371
CERTIFIED EXPERT
52,796 POSTS
Good morning,
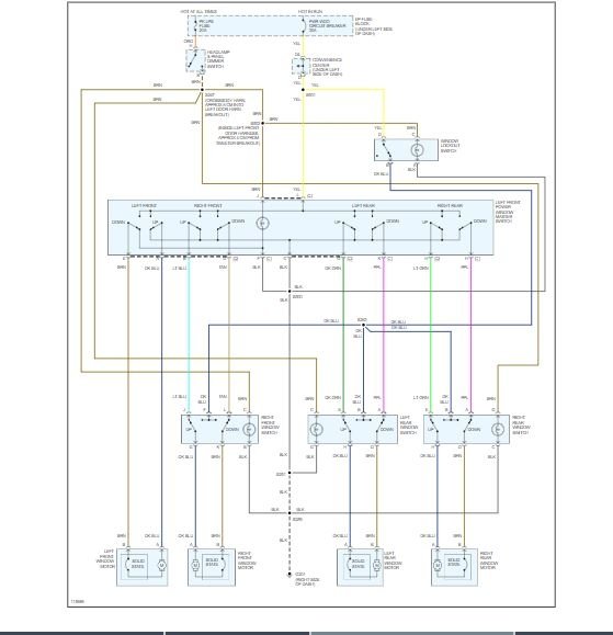
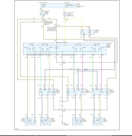
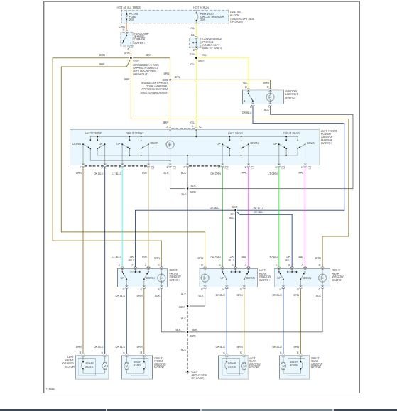
I attached a wire diagram for you to view. Check the fuse listed for power on both sides.
You may still have a master switch issue since the power for the other switches goes through the lockout switch in the master switch.
Roy
Images (Click to enlarge)
Apr 21, 2019 at 6:09 AM