The passenger power window rolls down but not up?

2012 NISSAN ALTIMA
198,772 MILES • 2.5L • 4 CYL • 2WD • AUTOMATIC
Avatar
NOWIMBILLGATIN
  • MEMBER
  • 1 POST
It does the same thing when you roll down the window with the master switch as well. I took my door panel off to replace my speakers, and when I put the door panel back on is when the issue started. I put a multi meter to the passenger window switch and lose 6 volts when I try to roll the window up. Is that normal? I know the motor works because it will roll down, but you have to put a drill battery to it to roll it up. I need my window to roll down. What can I do to find out what the problem is? There are no fuse diagrams that say power window and I don't know how to check the relay. Please help me.
Dec 2, 2023 at 11:00 AM
Advertisement
Avatar
STRAILER
  • CERTIFIED EXPERT
  • 53,855 POSTS
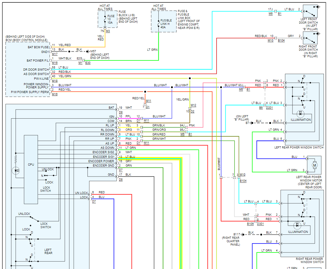
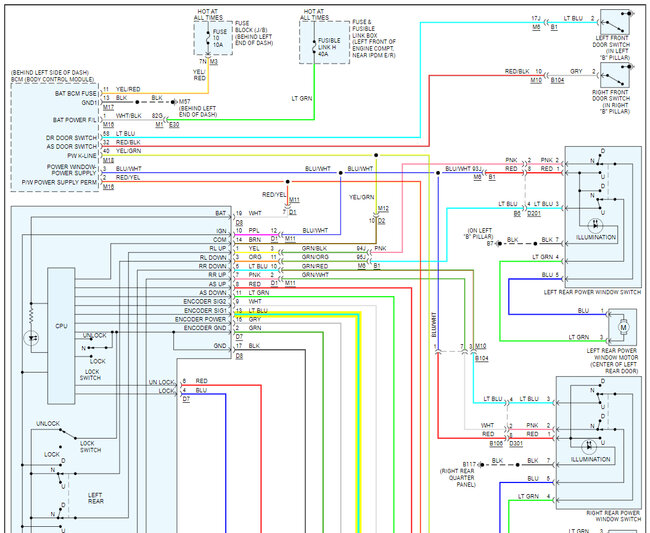
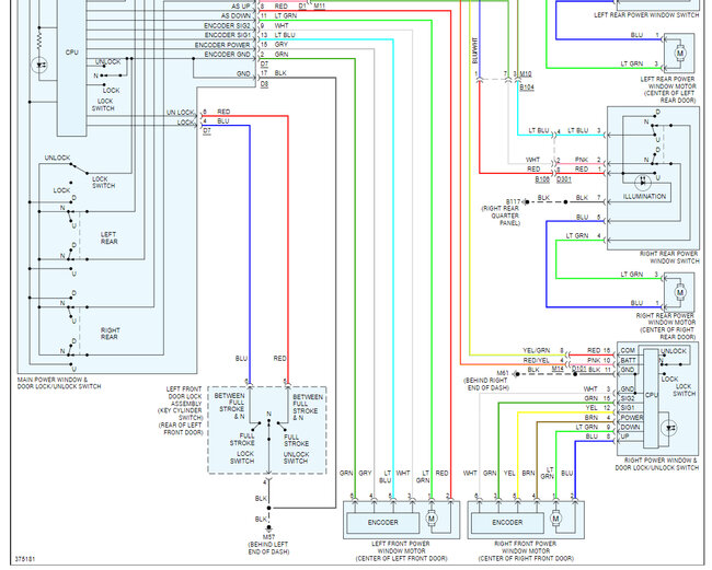
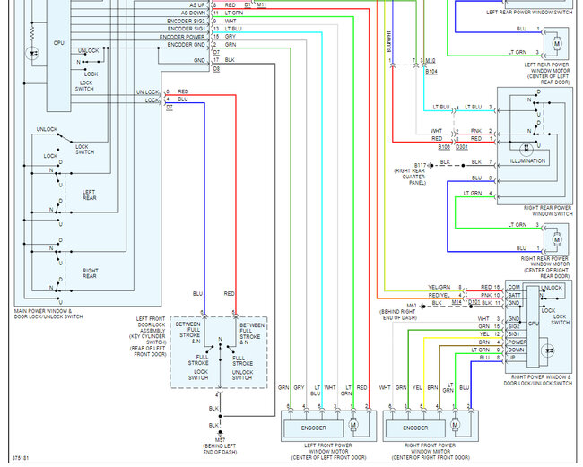
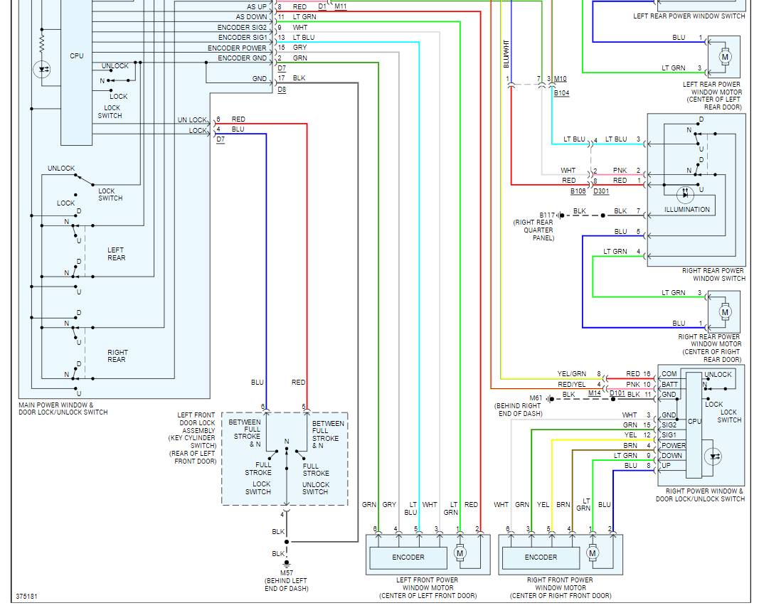
This system has an anti-pinch system so if the window is off the track or something is making the window more difficult to roll up like an obstruction in the track to window will not roll up. I would remove the door panel again to inspect the operation of the window, also you may have a window motor/regulator that is starting to go out which will cause the same problem. To be sure, here is a guide to help you test for power and grounds with the window wiring diagrams so you can see which wire to test at the motor and switch:

https://www.2carpros.com/articles/how-to-use-a-test-light-circuit-tester

It is common for the window regulators to go out. Check out the images (below). Please let us know what happens.
Dec 2, 2023 at 4:39 PM