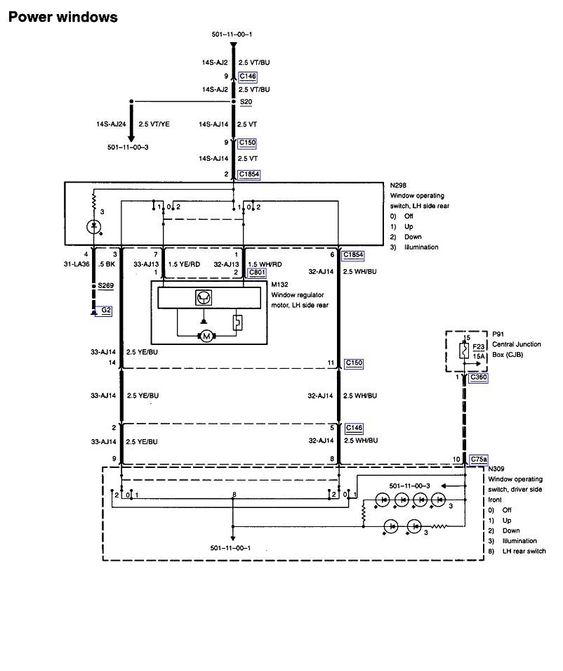
Power windows diagram needed

1999 MERCURY MYSTIQUE
260,000 MILES • 4 CYL • 2WD • AUTOMATIC
Avatar
CLAYTON PESCHKE
  • MEMBER
  • 1 POST
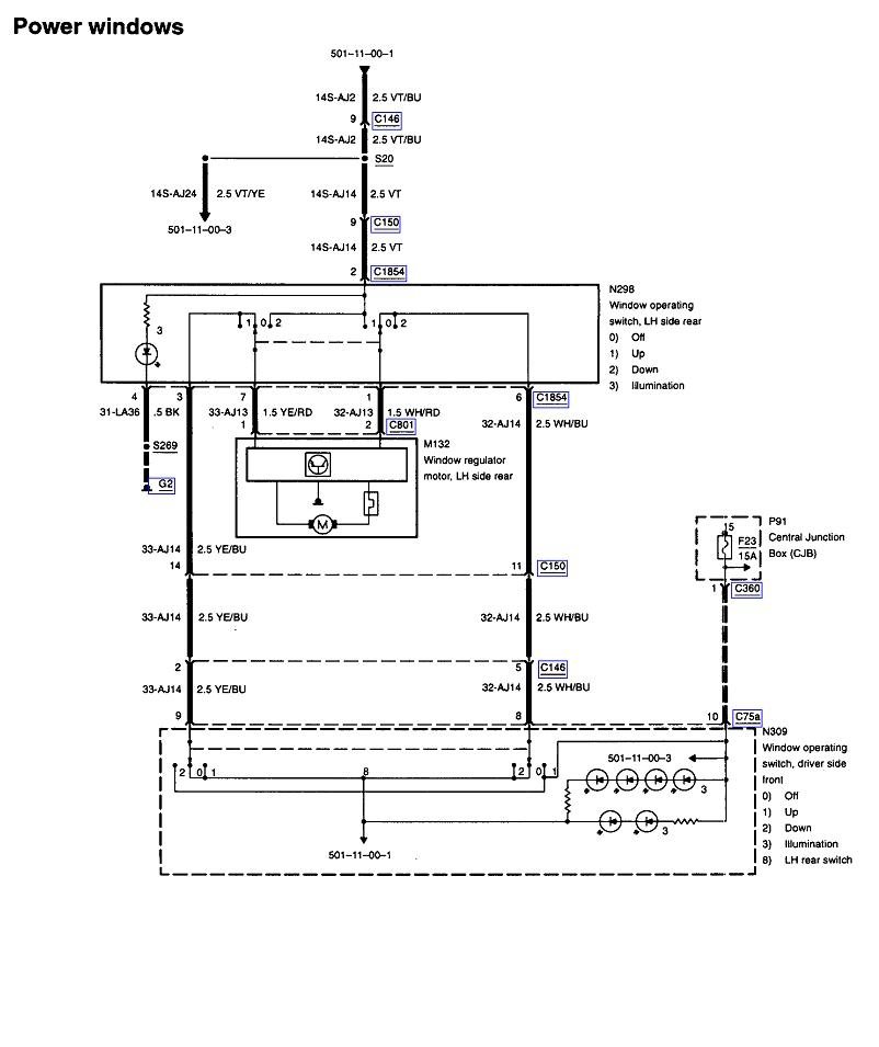
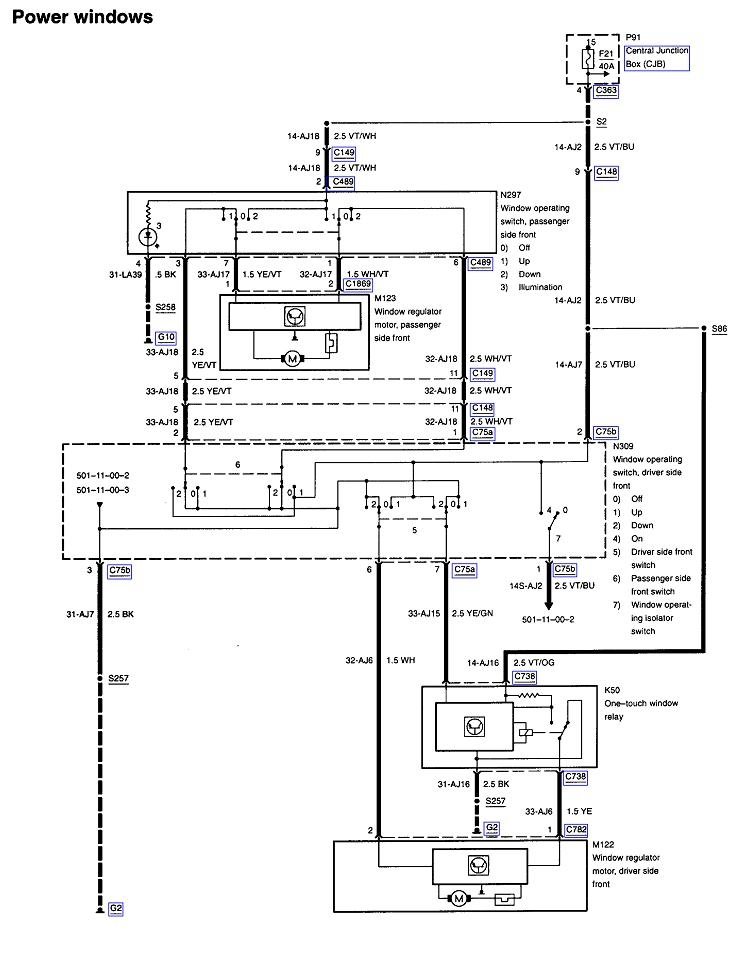
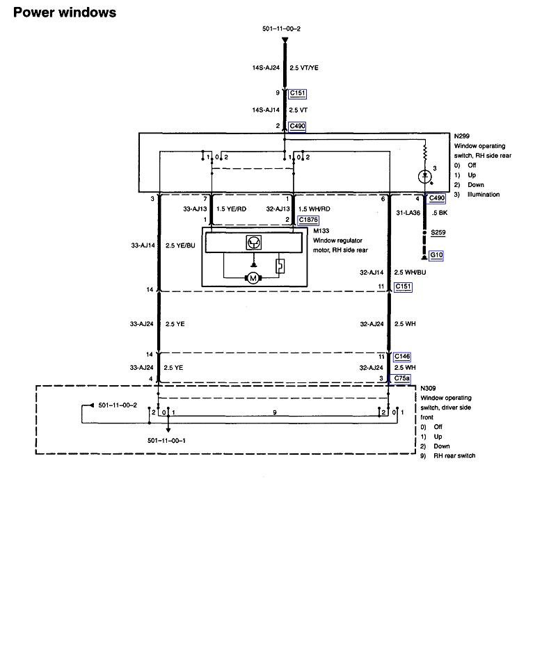
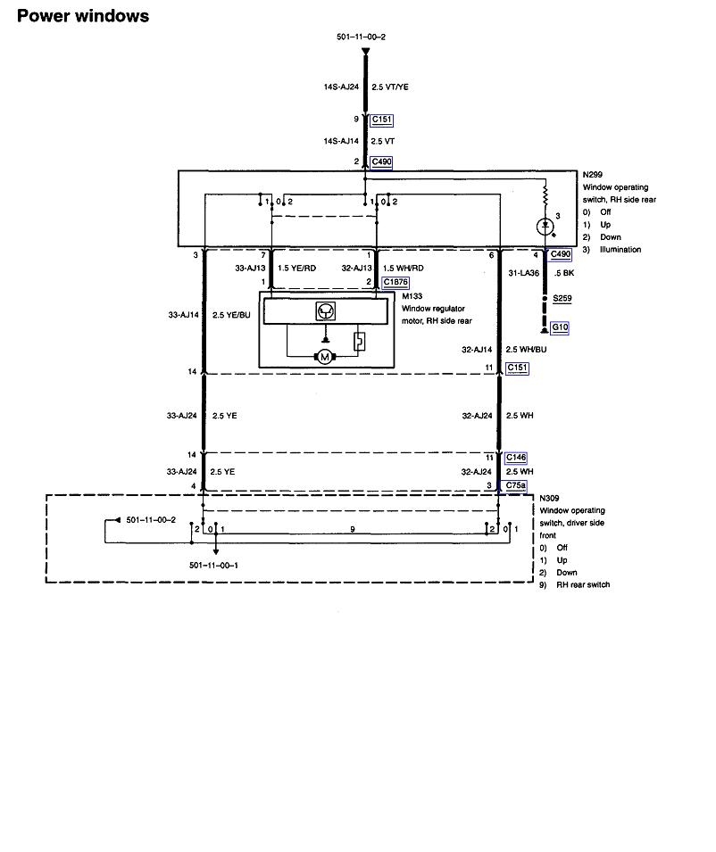
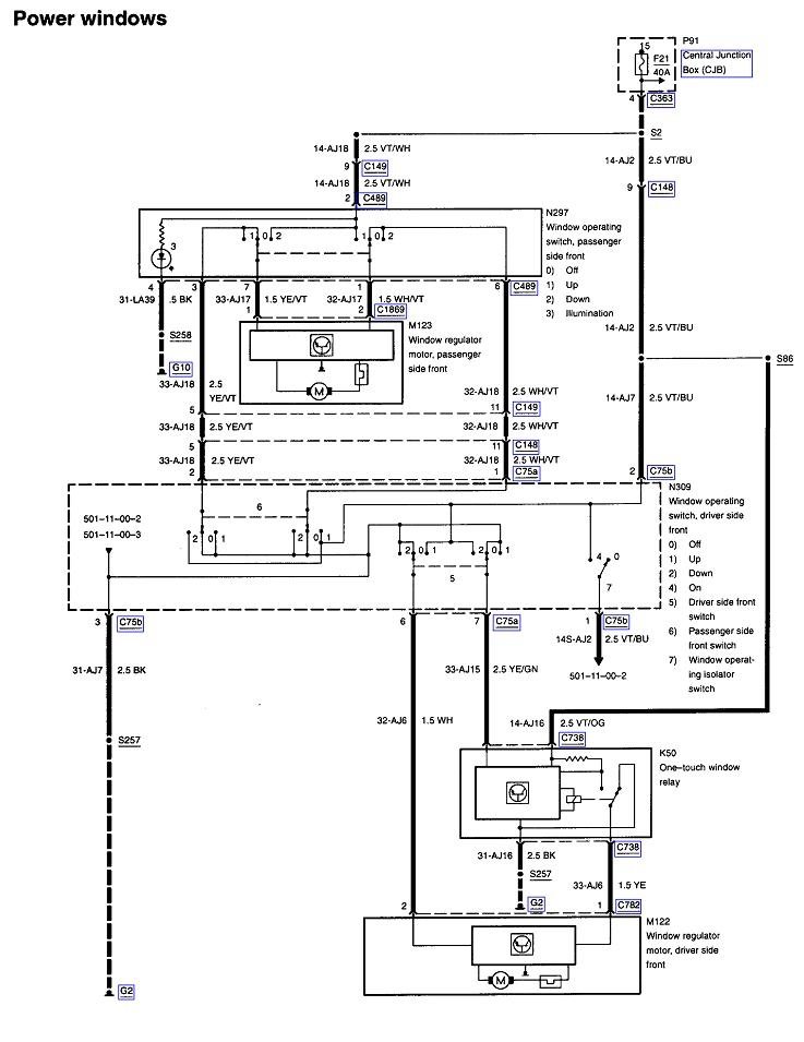
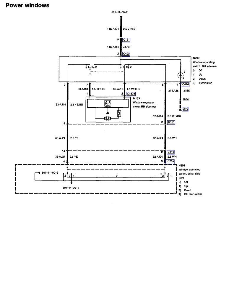
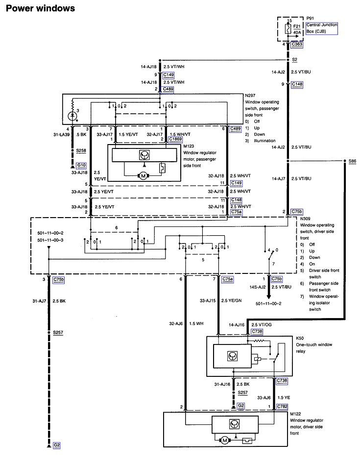
Do you have a power window wiring diagram or can you tell me what color wire is the hot wire on the driver's side. I have a short somewhere and need to at least get the window up. Motor is good.
Oct 1, 2018 at 3:43 PM
Advertisement
Avatar
CARADIODOC
  • CERTIFIED EXPERT
  • 34,306 POSTS
The main 12 volt feed wire to the driver's switch assembly is violet/blue. It is protected by fuse 21, a 40-amp. If you cannot read these diagrams, tell me which parts you are looking at and I will blow them up, . . . I mean I will make them bigger!

If the fuse is blowing, the best suspect is broken and frayed wires between the door hinges.
Oct 1, 2018 at 4:58 PM