Hi,
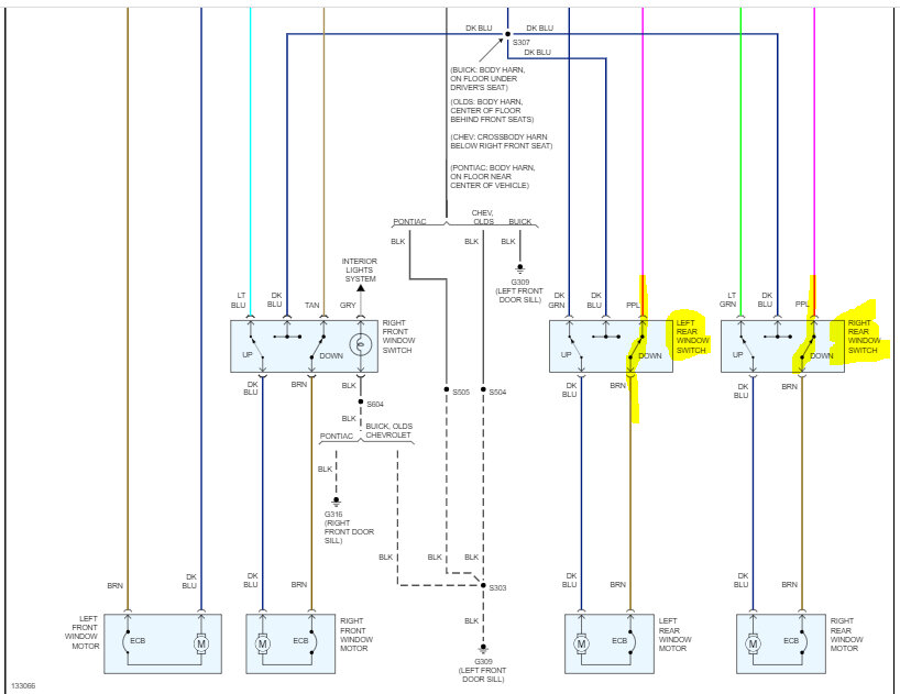
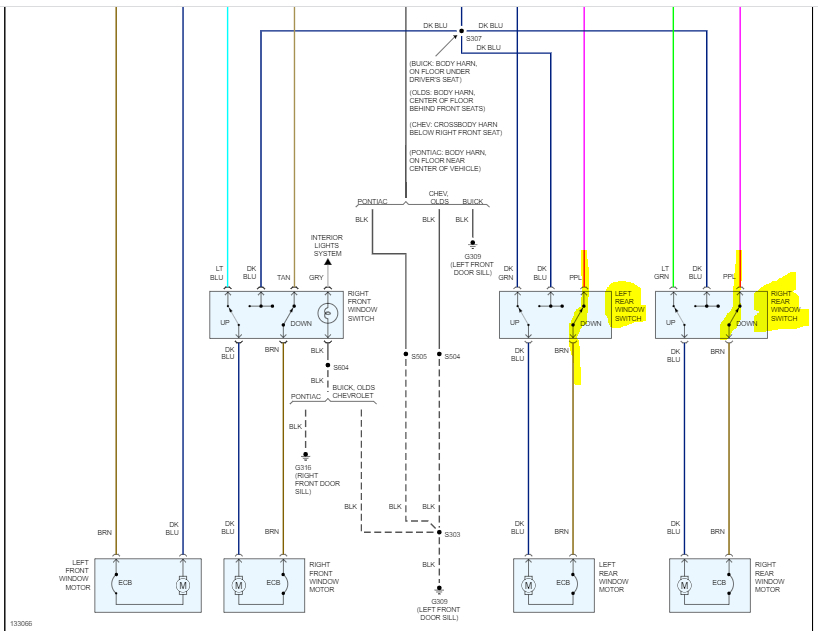
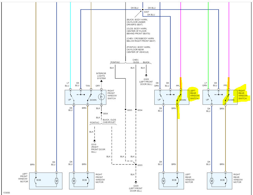
Okay, we are dealing with the right rear. The dark blue wire shouldn't have power if you are checking it at the switch (before the power out to the motor). That goes to the lockout switch on the driver's switch. When you prevent the control of all windows with that switch, you are removing the ground preventing the circuit from being completed. Don't get confused with the fact there is a dark blue wire between the switch and the motor. That is power out to the motor from the switch. At the motor, you should have a dark blue wire and a brown wire.
If you have power at the light green wire at the right rear window switch but not the purple wire, you need to go to the master switch on the driver's side and check the purple out from the switch.
I suggest that because if there is no power to purple, either we have a broken wire or power out from the main switch isn't present. In that case, the master switch needs to be replaced. If there is power out from the master switch that doesn't make it to the right rear switch, there is an open in the circuit (broken wire or bad connection)
Let me know what you find or if you have questions.
Take care,
Joe
Nov 27, 2022 at 6:16 PM