power windows

2000 GMC JIMMY
170,000 MILES • 4.3L • 6 CYL • 4WD • AUTOMATIC
Avatar
CLARESE DUHAIME
  • MEMBER
  • 1 POST
power windows all work from drivers side door only, where is the fuse for the windows and were is the dim relay?
Mar 3, 2018 at 11:49 AM
Advertisement
Avatar
ASEMASTER6371
  • CERTIFIED EXPERT
  • 52,796 POSTS
Good afternoon.

Since all windows work from the drivers side, I assume none work with there own switches?? is that correct??

I will get a diagram for you.

Dim relay?? please explain.

Roy
Mar 3, 2018 at 1:15 PM
Avatar
ASEMASTER6371
  • CERTIFIED EXPERT
  • 52,796 POSTS
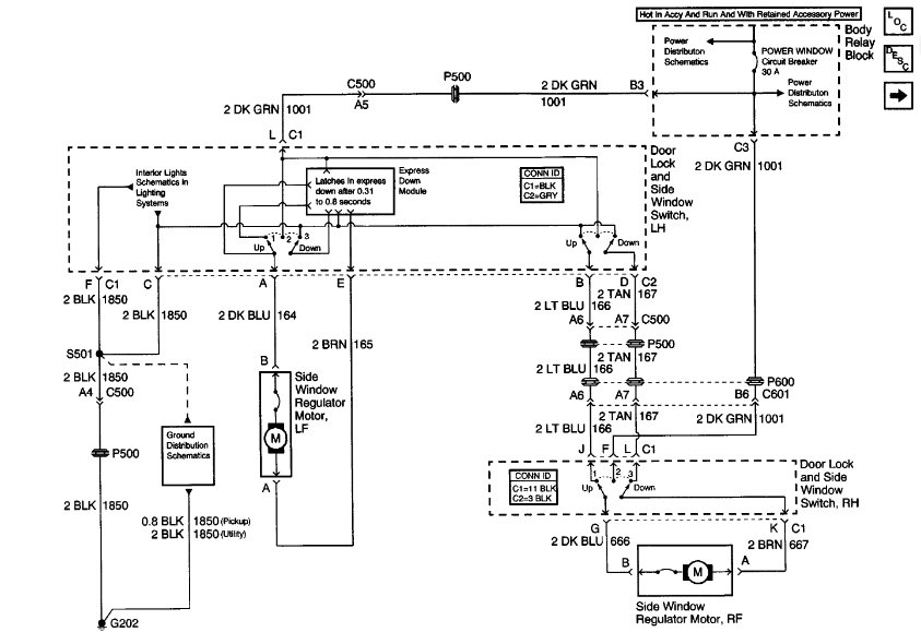
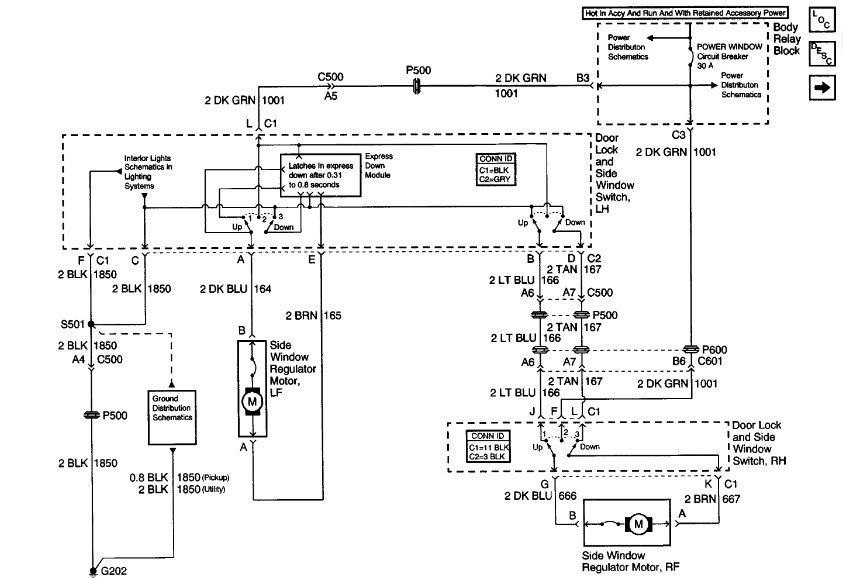
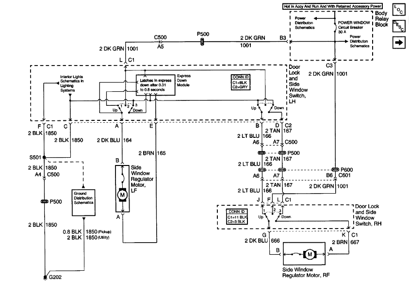
Diagram below. Do you have a voltmeter or test light to check for power at the passenger side switch??

Roy
Mar 3, 2018 at 1:38 PM
Advertisement