Power windows not working properly

2000 BUICK CENTURY
55,000 MILES • 6 CYL • 2WD • AUTOMATIC
Avatar
JABRAMO
  • MEMBER
  • 49 POSTS
My back window went halfway down and then just stopped. I can push the glass up by hand and tape it I hear the motor start and then just stop both up and down. With in a month the front drivers window and the other back exact same problem. I changed the drivers power window control but that was not the problem.
Thanks, Joe
Sep 23, 2020 at 10:41 AM
Advertisement
Avatar
KASEKENNY
  • CERTIFIED EXPERT
  • 18,907 POSTS
We need to go to the motor and test for power. If you have power (and we can assume you do since you hear the motor) then we need to see if the power is remaining there while the motor stops. If we do, your motor is faulty.

Just because the front started doing it as well, I think you may have multiple motor issues but this is how we need to prove that out.

https://www.2carpros.com/articles/how-to-check-wiring

Let me know what questions you have. Thanks
Sep 23, 2020 at 5:53 PM
Avatar
JACOBANDNICKOLAS
  • CERTIFIED EXPERT
  • 110,175 POSTS
Hi,

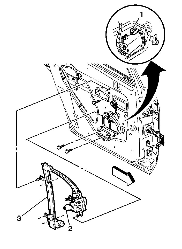
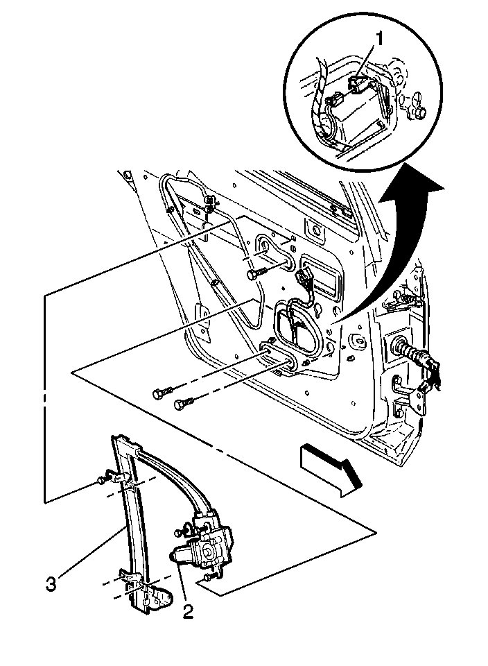
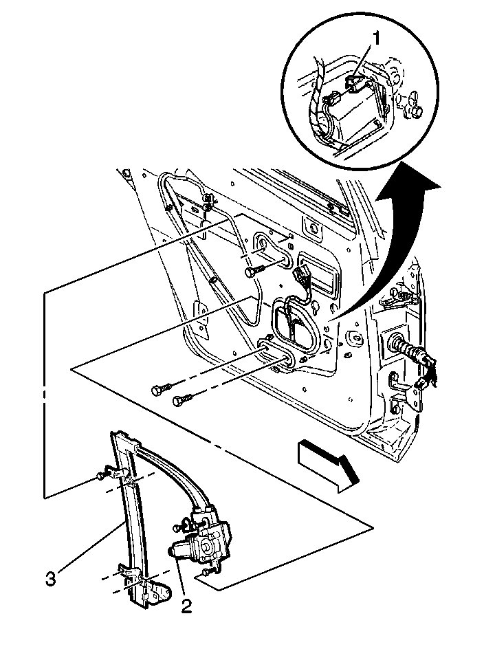
Joe, if you are able to hear the motor running but the window is not moving or attached, it sounds like the regulator has failed. What I suggest is to remove to door panel and inspect the motor and regulator. The motor moves the window via cable drive. Here are the directions for removal and replacement of regulator. Note, that I am providing this in the event you determine it needs to be replaced. Also, it shows the unit in the attached pics.

_____________________________________

2000 Buick Century V6-3.1L VIN J
Rear Door Window Regulator - Power
Vehicle Windows and Glass Windows Window Regulator Rear Door Window Regulator Service and Repair Removal and Replacement Rear Door Window Regulator - Power
REAR DOOR WINDOW REGULATOR - POWER
Rear Side Door Window Regulator Replacement

Removal Procedure

1. Remove the rear door water deflector. Refer to Rear Side Door Water Deflector Replacement (See: Rear Door Panel > Removal and Replacement).
2. Remove the rear door window. Refer to Front Side Door Window Replacement (See: Front Door Window Glass > Removal and Replacement > Front Side Door Window Replacement).


pic 1

3. Remove the rear door window regulator rail lower mounting screws.
Important: The window regulator screws are seated into key slots in the inner door panel and is unnecessary to remove the screws completely from the window regulator.


Loosen the rear door window regulator mounting screws.
4. Lower the rear door window regulator motor into the rear door to gain access to the electrical connector.
5. Disconnect the rear door window regulator motor electrical connector.
6. Remove the rear door window regulator from the rear door.

Installation Procedure


pic 2

1. Position the rear door window regulator into the rear door.
2. Connect the rear door window regulator motor electrical connector.
3. Position the rear door window regulator motor inside the rear door and install it into the key slots in the inner door panel.
4. Position the rear door window regulator rail assembly inside the rear door and install it into the key slots in the inner door panel.

Notice: Refer to Fastener Notice in Cautions and Notices.

5. Install the rear door window regulator rail lower mounting screws.

Tighten the screws to 10 Nm (89 lb in).

Important: In order to ensure proper orientation of the window regulator to the door, tighten the remaining window regulator screws in the specified sequence; lower rear, upper rear, lower front, upper front.


6. Hand tighten the remaining rear door window regulator screws.

Tighten the screws to 10 Nm (89 lb in).

7. Install the rear door window. Refer to Rear Side Door Window Replacement (See: Rear Door Window Glass > Removal and Replacement).
8. Install the rear door water deflector. Refer to Rear Side Door Water Deflector Replacement (See: Rear Door Panel > Removal and Replacement).

____________________________________________

Let me know what you find or if you have other questions.

Take care,
Joe
Sep 23, 2020 at 5:54 PM
Advertisement