It has manual locks and windows. I have added power windows and locks withe the factory door harnesses.
I have not been able to locate a dash harness that has all of the same connectors ( plugs ) as mine has. I have pulled a few! And every BCM is different as well. So......
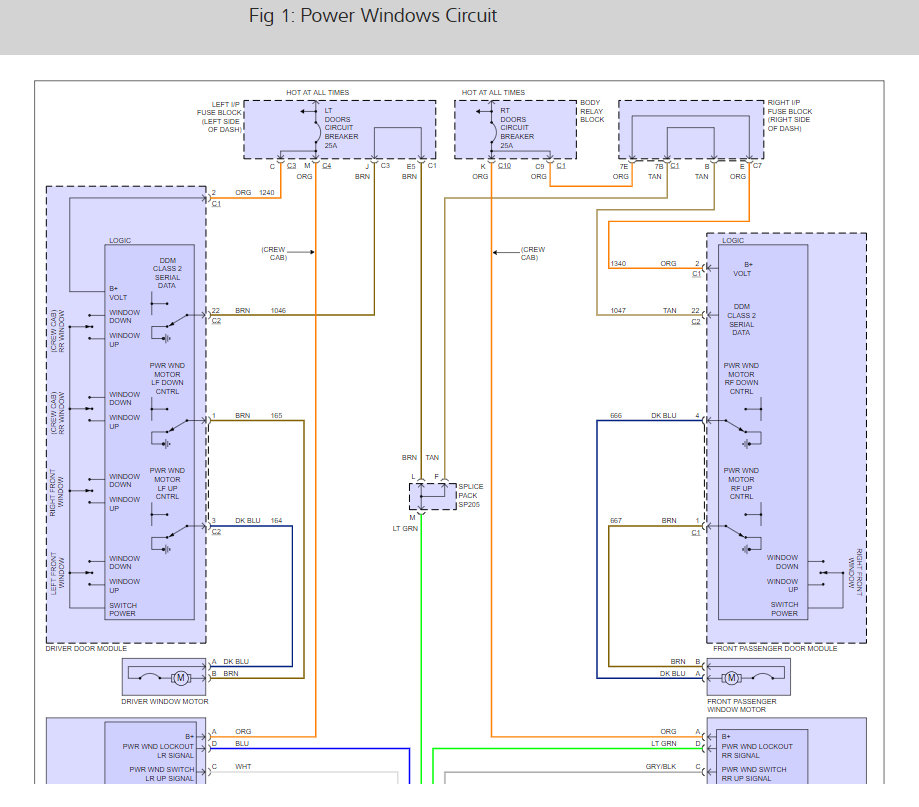
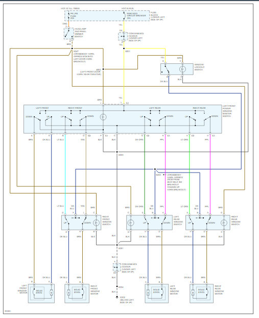
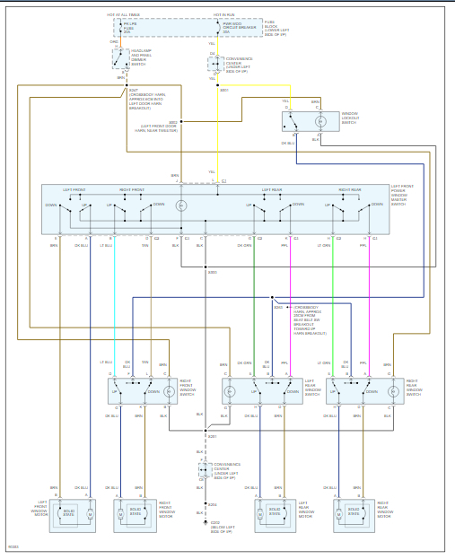
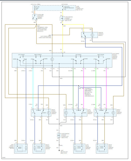
Is there a diagram of the actual switch pins for :
DS window switch
DS lock switch
DS power window switch
PS window switch
PS lock switch
If I can find out what each pin controls I can make the correct connections and add relays where needed
Hope this was enough info?
Thanks
I have not been able to locate a dash harness that has all of the same connectors ( plugs ) as mine has. I have pulled a few! And every BCM is different as well. So......
Is there a diagram of the actual switch pins for :
DS window switch
DS lock switch
DS power window switch
PS window switch
PS lock switch
If I can find out what each pin controls I can make the correct connections and add relays where needed
Hope this was enough info?
Thanks
Apr 15, 2015 at 7:55 AM







