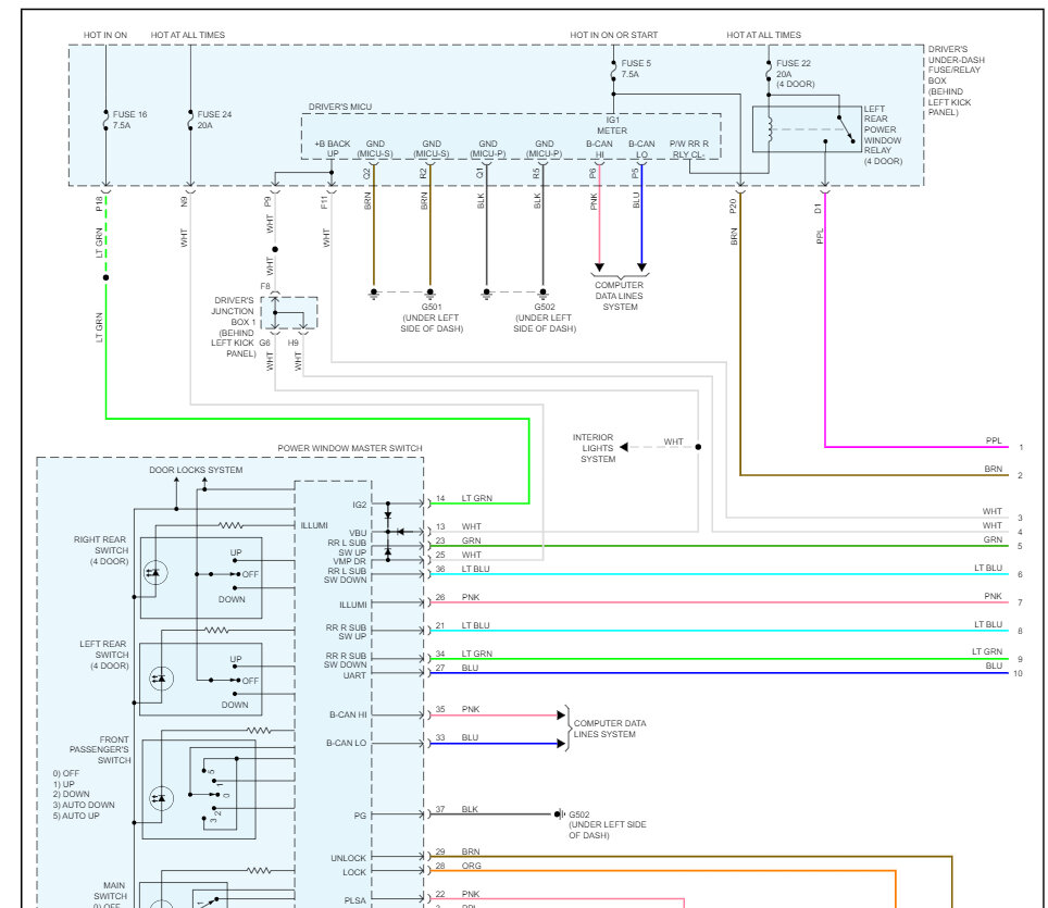
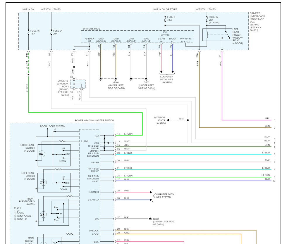
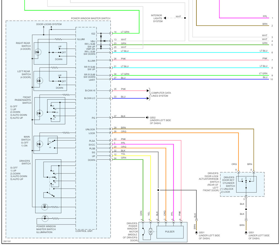
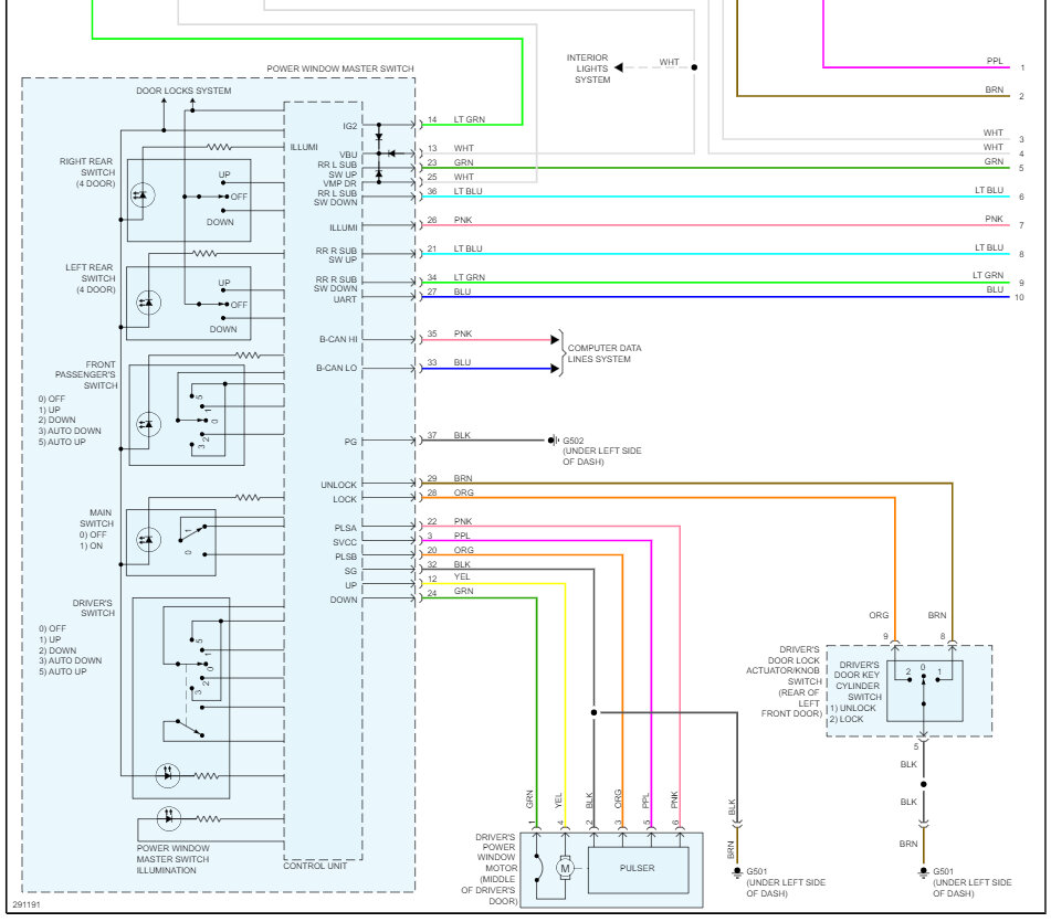
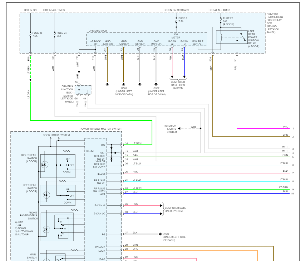
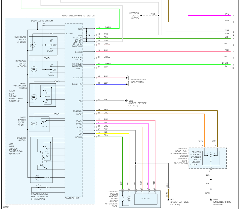
The rocker switch for the driver's power window broke. I took it out to see if it could be repaired, and no, so I ordered a new master switch assembly. Upon trying to install it today, I noticed that 2 very small wires had broken at the clamp point (they were assembled using the crappy "pinch/blade" connectors). I'm not sure where they go so, I can fix them; the colors aren't in my Hayne's manual's wiring diagram. The drivers window is stuck down, so I tried to jump the terminals in the wiring harness, but blew a couple of fuses. Now, not only does the new switch not work, but the power side-view mirrors aren't working either. so, I think either another fuse/relay is blown too, but I don't know for sure. Any ideas on where to start checking for fixes to these two issues?
Aug 21, 2023 at 5:25 PM












