Power window swap

1996 FORD ESCORT
174,000 MILES • 1.9L • 4 CYL • 2WD • MANUAL
Avatar
BILL ANDREWS
  • MEMBER
  • 1 POST
My issue is I have the car listed above without power windows. I also have a 1994 Escort with power windows. Engine in the 1994 is blown. I am swapping doors. Everything was good until I removed my 1996 switch panel and the main plug I need to get power to the doors is not there. I put in the harness that runs beneath the seat that runs to the doors. I removed the entire harness from the front of the 1994 including the fuse panel. The wiring is a confusing cluster. Please help!
Jun 27, 2019 at 2:48 PM
Advertisement
Avatar
STRAILER
  • CERTIFIED EXPERT
  • 53,854 POSTS
Hello,

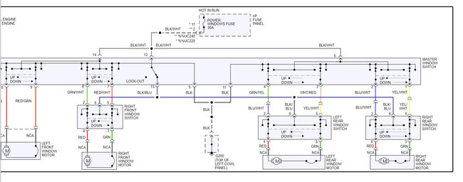
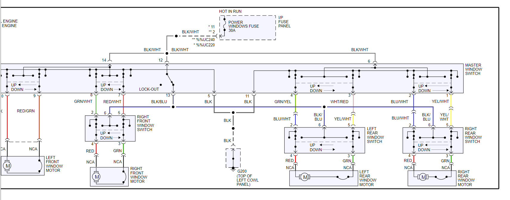
Here is a guide to help you test the wiring with the window wiring diagrams below so you can see how it works:

https://www.2carpros.com/articles/how-to-check-wiring

Check out the diagrams (below). Please let us know if you need anything else to get the problem fixed.

Jun 29, 2019 at 7:13 PM