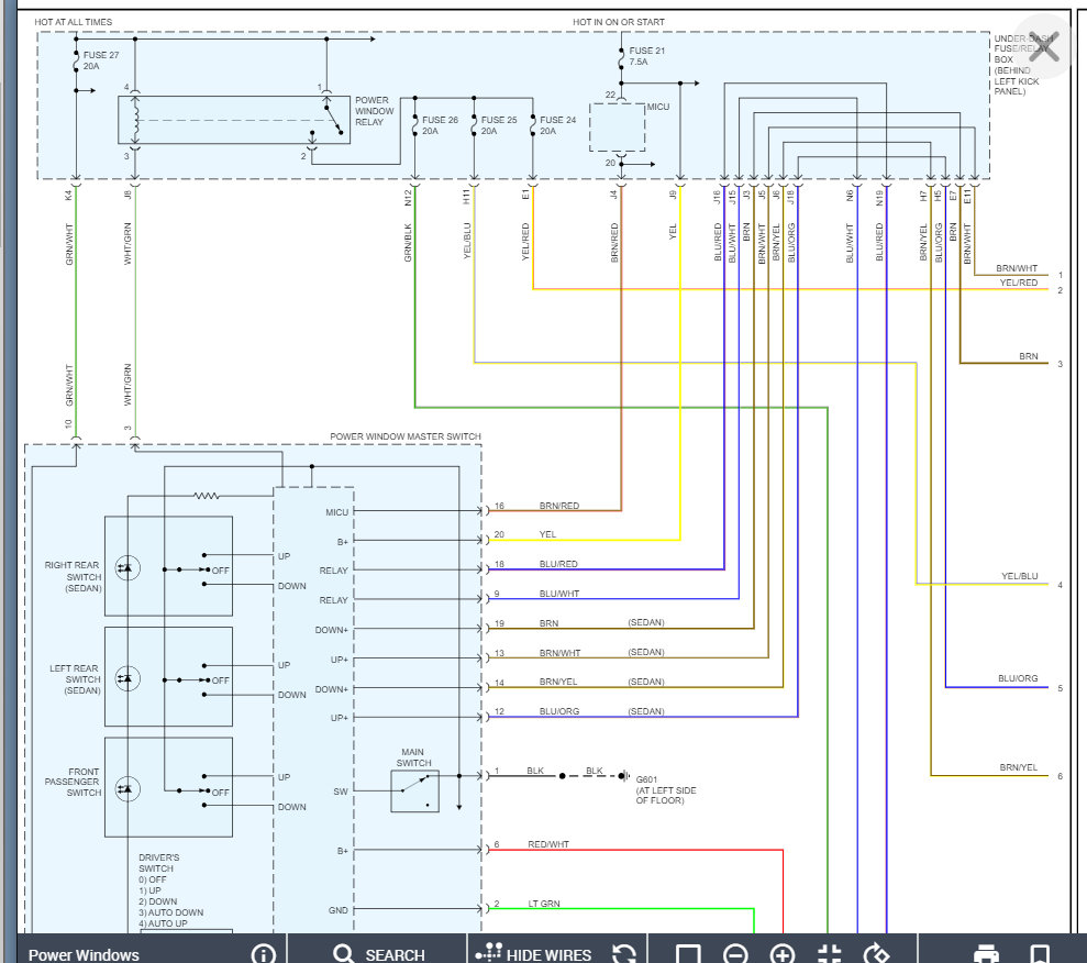
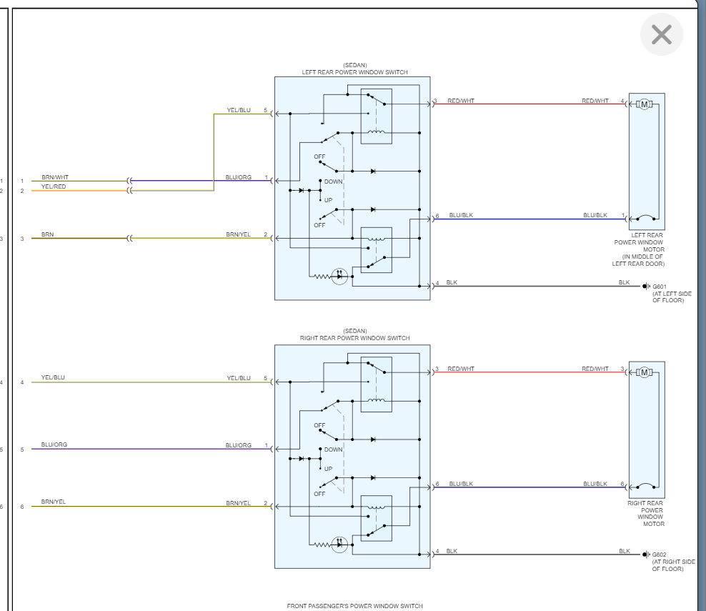
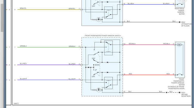
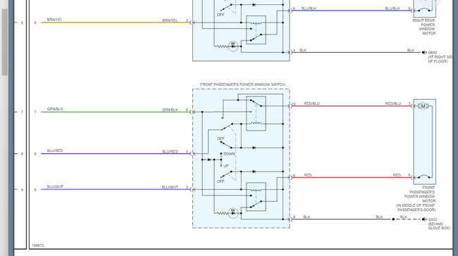
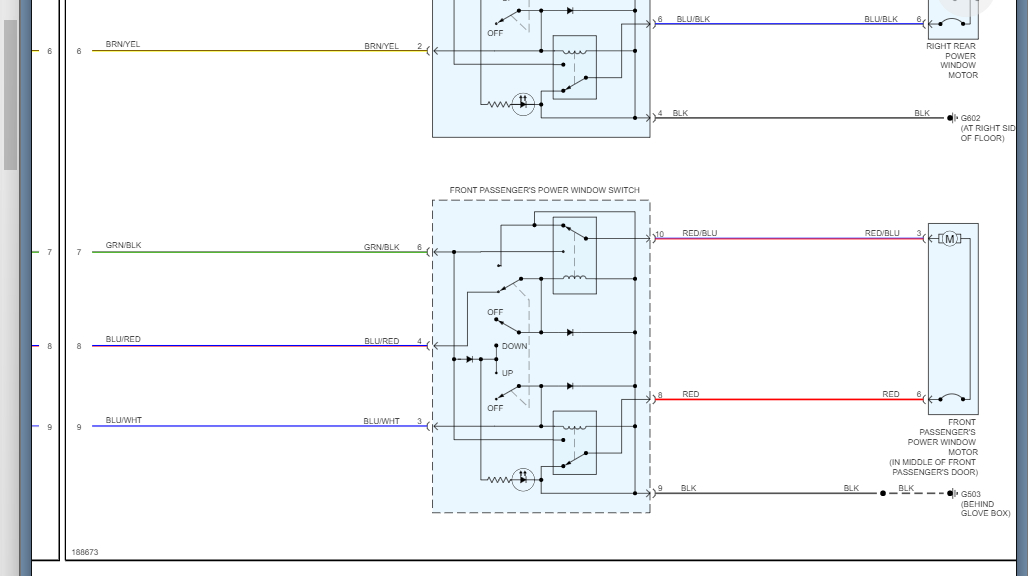
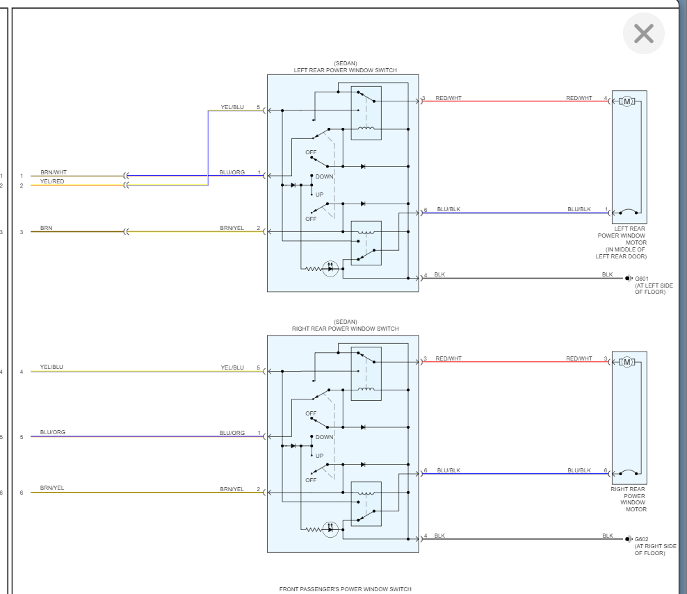
The previous owners stated that they would work sometimes then other times they wouldn't. Can you please tell me how I check the motors, or would it even be possible to be the motors? The driver side master control works everything the window locks mirrors and the passenger side window. When you press the button for the front and rear driver side windows u can hear a clicking sound. I also have a radio issue you can get in the car and turn the key to the on position and power the radio on but there is no sound whatsoever coming from the speakers and the radio is powered on.
Jun 25, 2022 at 11:07 PM



