Hello,
I tried to figure out looking at previous questions/answers but mine seems to be a little different problem.
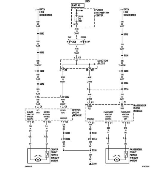
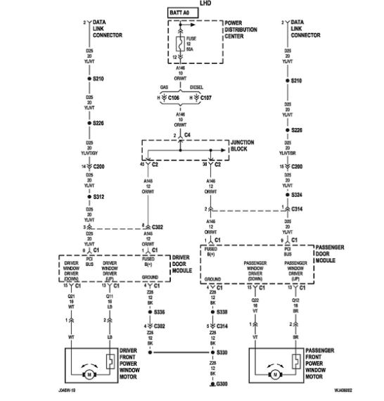
Window motor on passenger side spins just one direction, down.
Switch from driver and passenger operates fine to down. When switched on up, from both passenger and driver side switches, a tiny click comes out of the switch box on driver side, but motor does not spin.
Single it gives signs of life (a little click) when operated, means wiring/circuits are fine?
I tried to figure out looking at previous questions/answers but mine seems to be a little different problem.
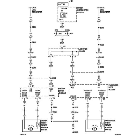
Window motor on passenger side spins just one direction, down.
Switch from driver and passenger operates fine to down. When switched on up, from both passenger and driver side switches, a tiny click comes out of the switch box on driver side, but motor does not spin.
Single it gives signs of life (a little click) when operated, means wiring/circuits are fine?
Nov 1, 2018 at 12:56 AM





