power window main control switch configuration (rebuild) wiring diagram needed?

2000 KIA CARNIVAL
230,000 MILES • 2.9L • 4 CYL • 2WD • MANUAL
Avatar
RENZ LAZER
  • MEMBER
  • 2 POSTS
The power window switch (driver side) configured by another mechanic, I bought new power window switch for the vehicle listed above to bring it back to original connection, but the connector was already replaced and configured. Please send me the original wiring color code with diagram connected to the control switch so I can follow. Thanks a lot and more Power.
Oct 29, 2022 at 7:08 AM
Advertisement
Avatar
STRAILER
  • CERTIFIED EXPERT
  • 53,854 POSTS
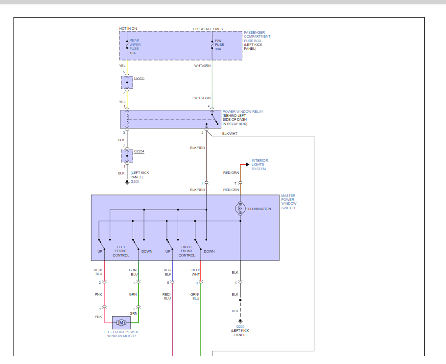
Sure, here is the color wiring diagrams so you can repair the wiring as needed. I have also included a guide that will help you test the wiring connection once you have completed the repair.

https://www.2carpros.com/articles/how-to-check-wiring

Check out the images (below). Please let us know if you need anything else to get the problem fixed.
Oct 30, 2022 at 12:52 PM