Hi,
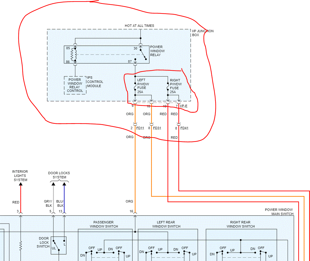
If power was lost to all windows, it sounds like the power window relay has failed. It could be a fuse as well. Take a look at the attached picture I attached. That is the instrument cluster fuse box. I need you to check the two fuses I circled. Also, remove the relay and switch it with another one that has the same part number to see if it makes a difference.
If you look at pic 2, I included a pic of the instrument panel fuse box and highlighted the components needing checked.
Here are a couple links you may find helpful:
https://www.2carpros.com/articles/how-to-check-a-car-fuse
https://www.2carpros.com/articles/how-to-check-an-electrical-relay-and-wiring-control-circuit
Let me know what you find.
Joe
Images (Click to enlarge)
Jul 17, 2020 at 7:56 PM