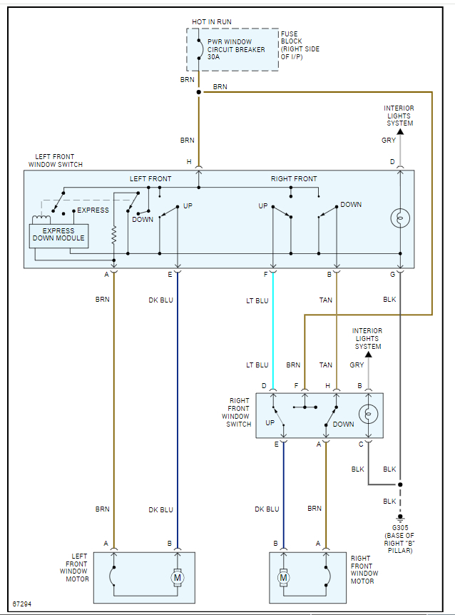
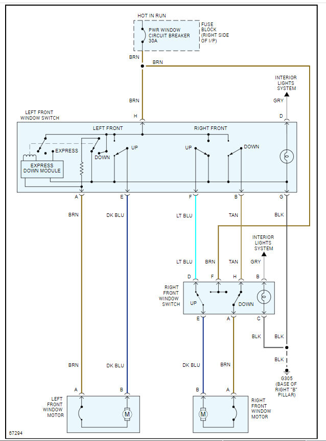
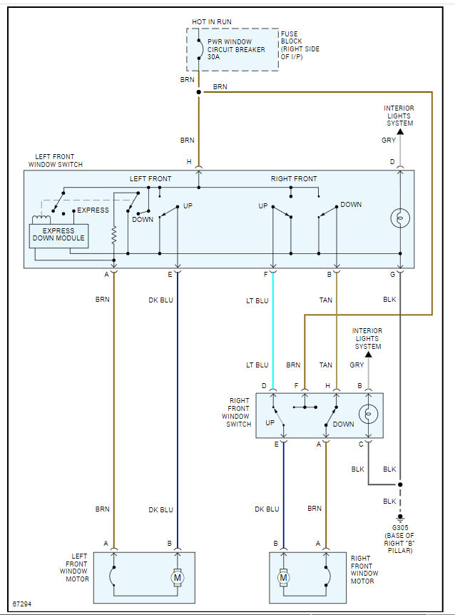
I've got a 2 door GP with a broken window switch. I need to know which wires go to which pins. I can't find the wiring diagram or the layout of the connector. Any help?
Oct 10, 2024 at 1:58 PM


