☰
Login
Join
×
Home
Answered Questions
Repair Topics
Repair & Service Guides
Popular Questions
Warning Lights
Trouble Codes
How It Works
Testing / Diagnostics
Symptoms
Videos
Login
Become a Member
Home
Chevrolet
El Camino
Body
Window
Wiring
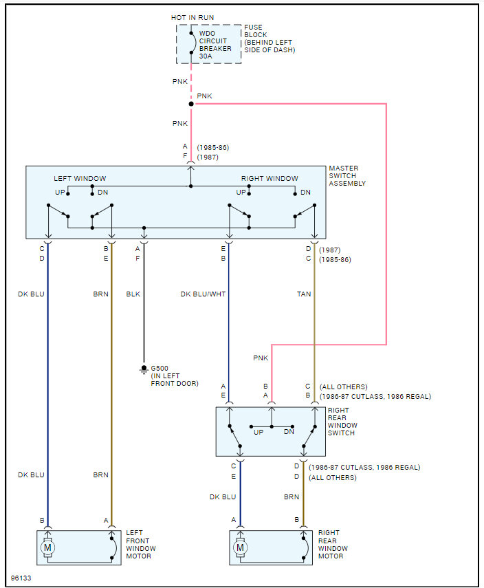
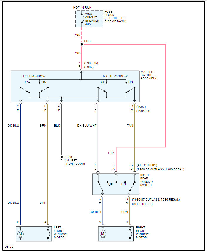
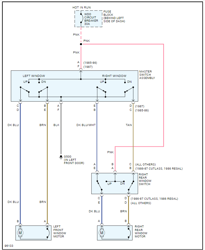
Can I get the power window wiring schematic?
1989 CHEVROLET EL CAMINO
200,000 MILES • V8 • 2WD • AUTOMATIC
DOLLABILL25
MEMBER
44 POSTS
FOLLOW
I just need to know the wiring schematic for the power window switch driver and passenger side, please. thank you
Apr 13, 2024 at 7:35 AM
Advertisement
STRAILER
CERTIFIED EXPERT
53,854 POSTS
Sure, here are the wiring diagrams for the windows as you have requested, also I have included a guide to help you test the connections.
https://www.2carpros.com/articles/how-to-check-wiring
Check out the images (below). Let us know if you need anything else.
Image (Click to enlarge)
Apr 13, 2024 at 12:02 PM