Power window diagram

2004 PONTIAC SUNFIRE
5,000,000 MILES
Avatar
JESSICA WINNEN
  • MEMBER
  • 1 POST
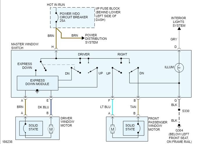
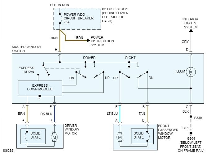
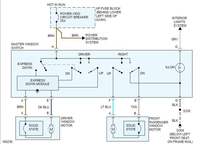
2 door center console mounted window switch. I need to know which wires go to which pins.
Jun 4, 2020 at 9:45 AM
Advertisement
Avatar
STEVE W.
  • CERTIFIED EXPERT
  • 15,113 POSTS
This is the schematic of the windows and the layout of the connector on the switch.
Jun 4, 2020 at 2:02 PM
Avatar
KASEKENNY
  • CERTIFIED EXPERT
  • 18,907 POSTS
I attached all the info on this vehicle. Let me know if you need more info. Thanks for using 2CarPros.
Jun 4, 2020 at 2:08 PM
Advertisement