power window?

2014 NISSAN ALTIMA
135,000 MILES • 2.5L • 4 CYL • 2WD • AUTOMATIC
Avatar
RANDY1955
  • MEMBER
  • 71 POSTS
I have bought two master window switches recently, bought one it quit working 2 weeks after I bought it. We are only talking about driver side window only. so, after the new switch quit working, I ordered another one and used my original one that quit working in the first place so the new switch I just ordered I put it in and now that one quit working just the driver side window everything else works. I will check the fuses and see. Thank you
Dec 1, 2024 at 4:16 PM
Advertisement
Avatar
JACOBANDNICKOLAS
  • CERTIFIED EXPERT
  • 110,175 POSTS
Hi,

It sounds like you may have a wire that is broken and not making a good contact. Check the wiring between the door frame and the door itself. That is a common place for a problem.

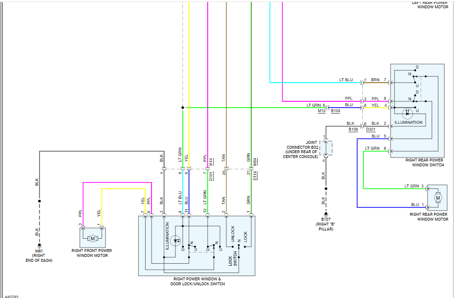
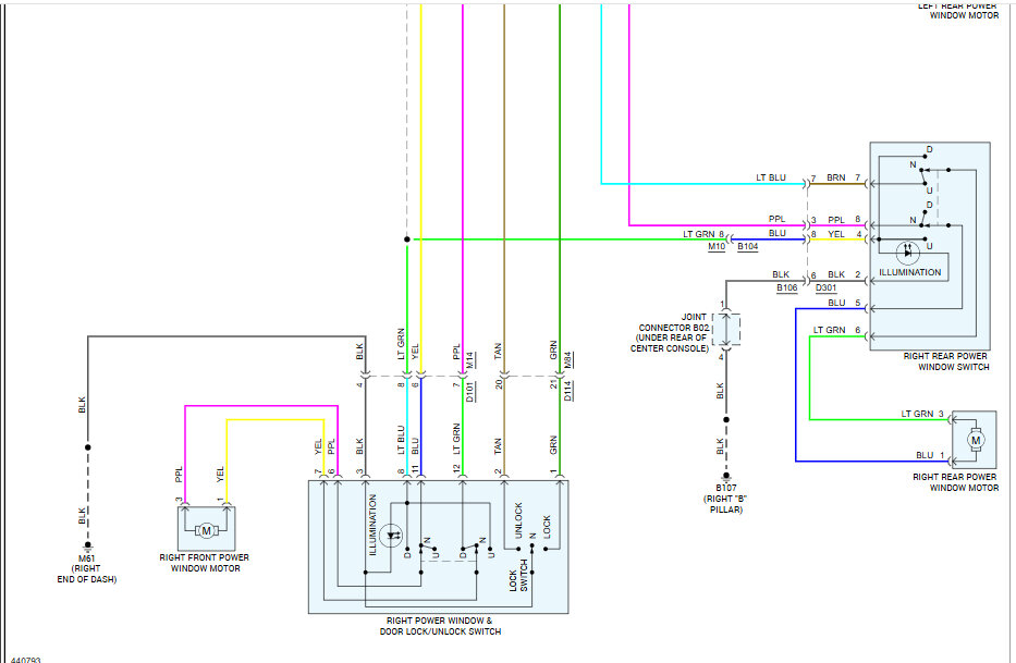
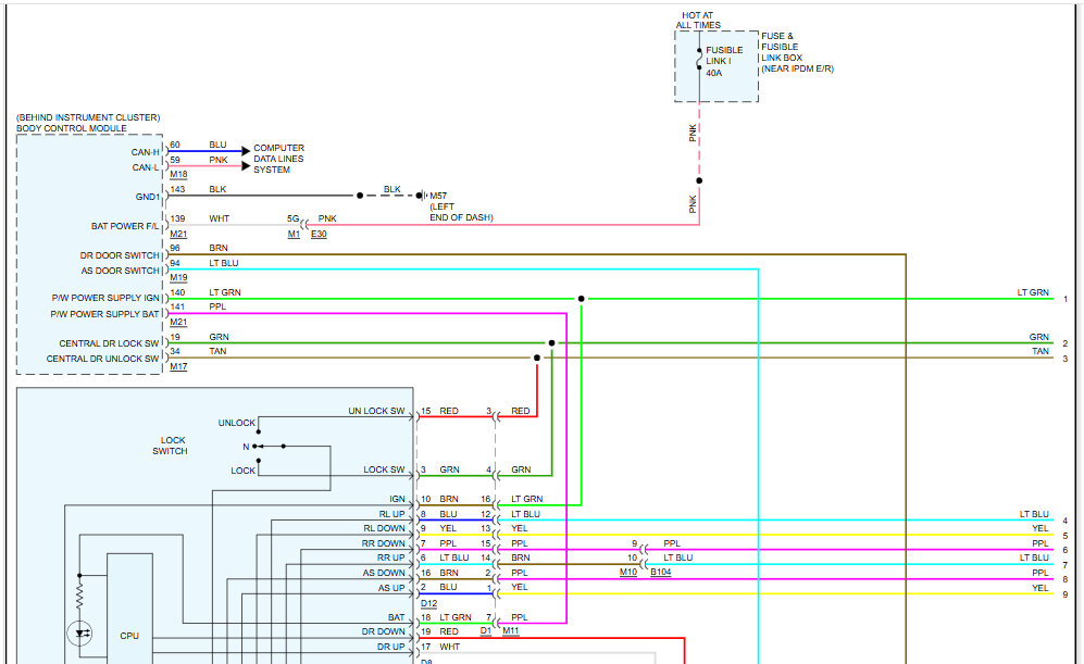
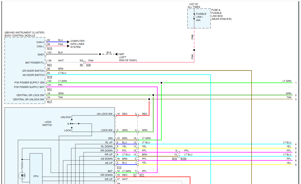
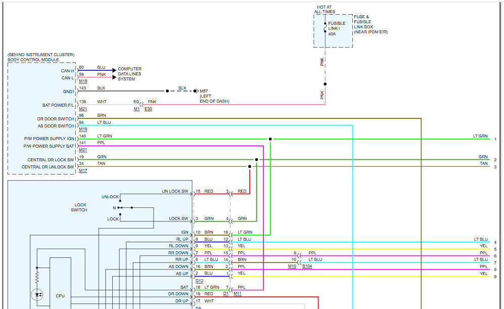
Next, I attached the wiring schematic below so that you have a reference. Check the brown wire at the driver's side switch to see if there is a power supply issue. Also, confirm the black wire (ground) has continuity to ground, and the encoder power and ground wires are not damaged or loose at the connection.

Let me know.

Joe

See pics below. Note: The schematic was two pages long. I had to cut each pic in half to make them readable.
Dec 1, 2024 at 10:15 PM
Avatar
RANDY1955
  • MEMBER
  • 71 POSTS
Can anyone tell me what wires on the connector that I can use to roll my window up and down to see if it is anything on the connector on down is the blame. My master switch is only a couple weeks old now the driver side only window is not operating the locks, and the rest of the windows are fine. Thank you
Dec 4, 2024 at 11:03 AM (Merged)
Advertisement
Avatar
STRAILER
  • CERTIFIED EXPERT
  • 53,854 POSTS
Can I ask why you never respond? We have answered for free 71 questions and you never answer back?
Dec 4, 2024 at 11:04 AM