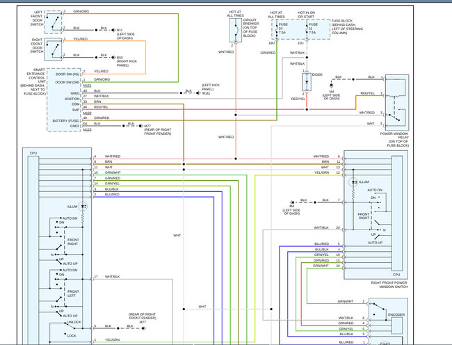
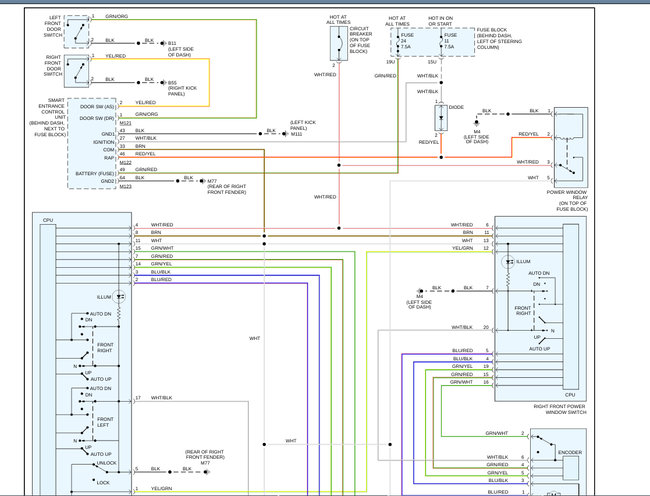
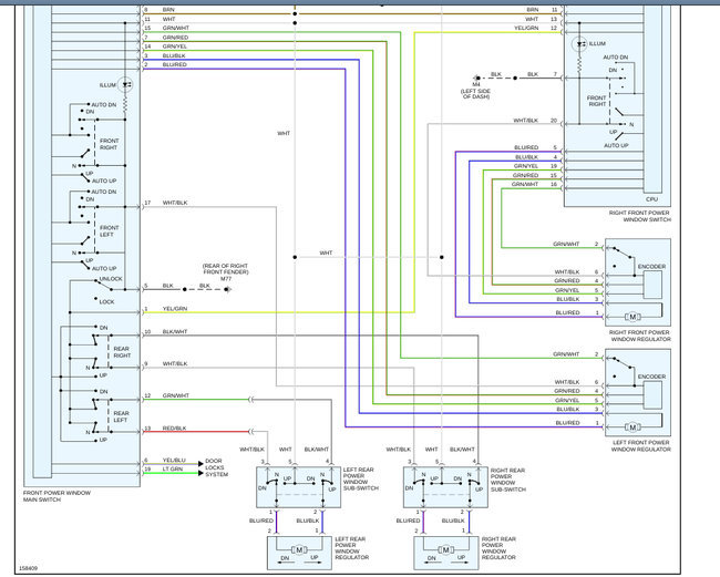
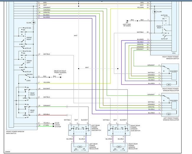
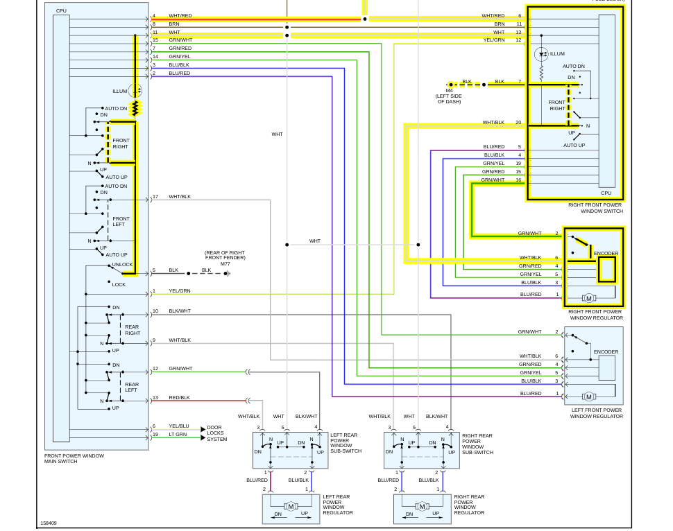
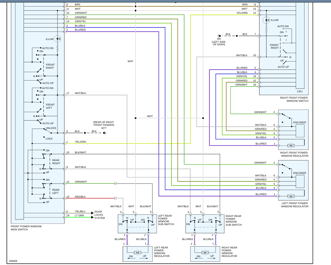
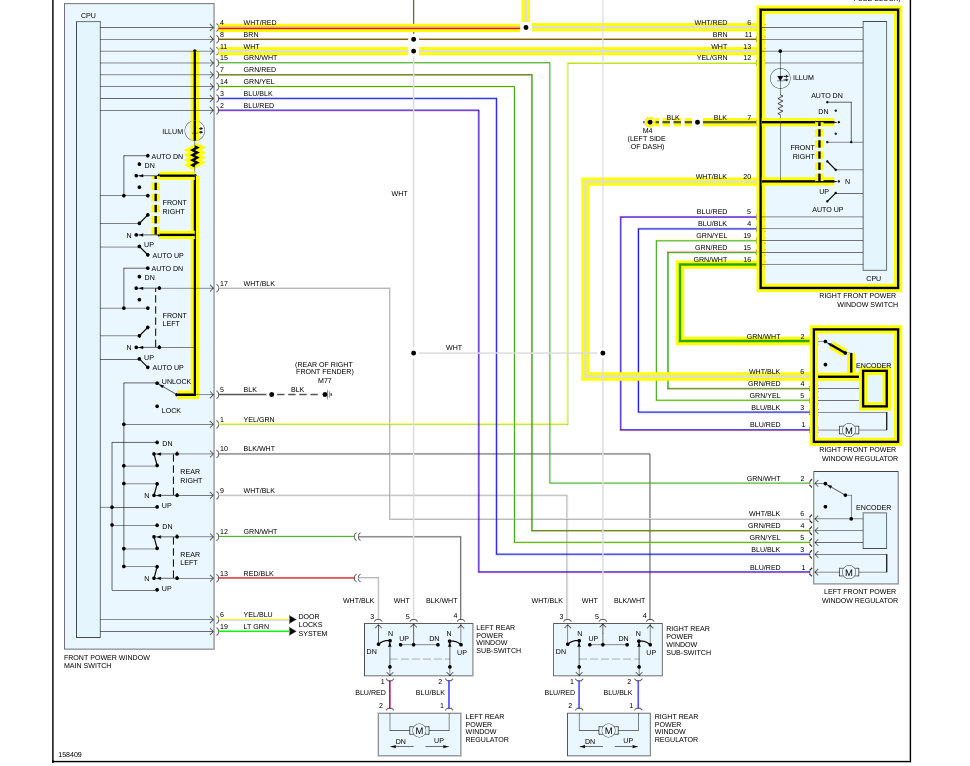
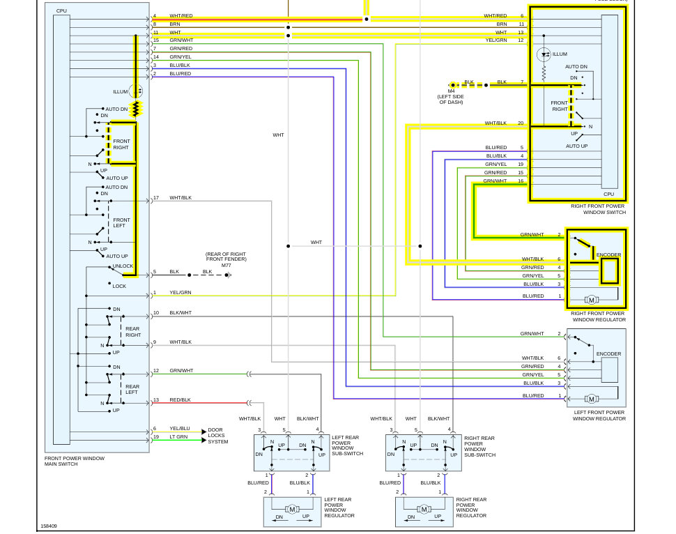
All the other windows and locks work. there is a 40 amp fuse under the hood on the right side for the windows, it's good . I cannot find no other fuses. Is there any fusible links?
Jan 26, 2020 at 10:20 AM










