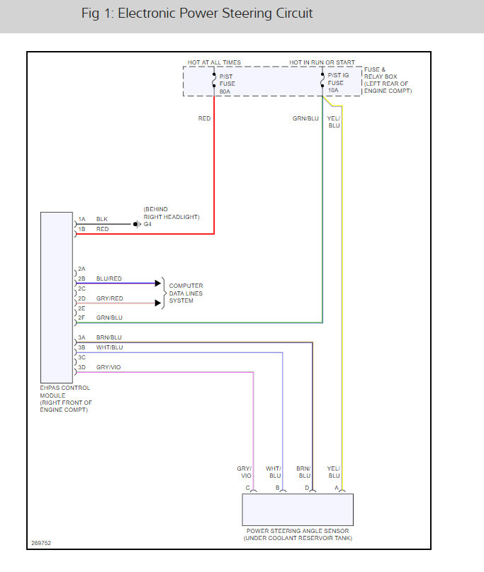
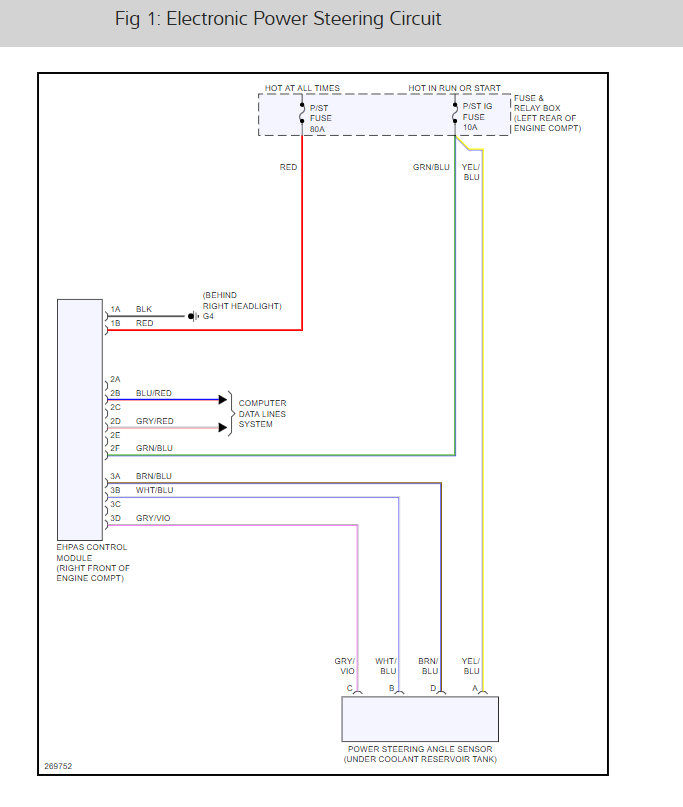
My power steering light continues to turn on and off randomly. I have no codes for it, just (!) Dash light. The previous owner really went through a lot to hide all the problems this car has. Power steering res was overfilled when I got it, and most was taken out. I only get a hard wheel sometimes when I turn slow and if the light is on, normally if it turns off while driving it feels lose? I have turned it off when it happens and the light doesn't always go off if I restart the car. Same when I disconnect the battery. Should I just look at the pump in general? Any tail tell signs to see if it's the res, pump or just need cleaned out?
Jan 14, 2020 at 12:44 PM



