power steering pulley

2000 MAZDA 626
156,000 MILES • 2.5L • V6 • FWD • AUTOMATIC
Avatar
MAZDA626OR
  • MEMBER
  • 2 POSTS
cannot get pulley off tension adjuster is broke. There is no room to get onto the nut with breaker bar can get in with open wrench, but get any leverage to break it loose and it is tight and need it off to get pump out stumped on this one.
Sep 11, 2017 at 12:40 PM
Advertisement
Avatar
STRAILER
  • CERTIFIED EXPERT
  • 53,854 POSTS
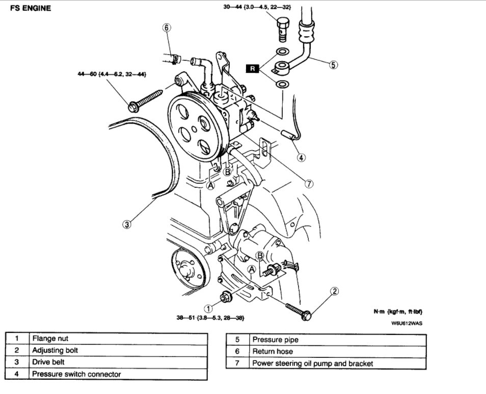
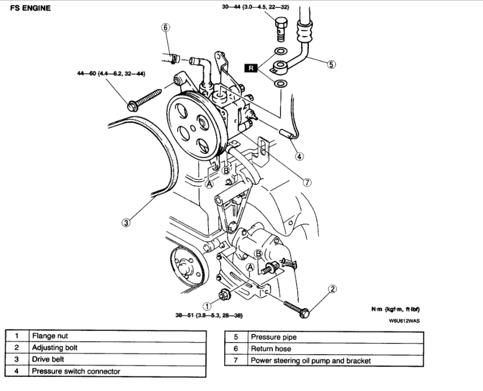
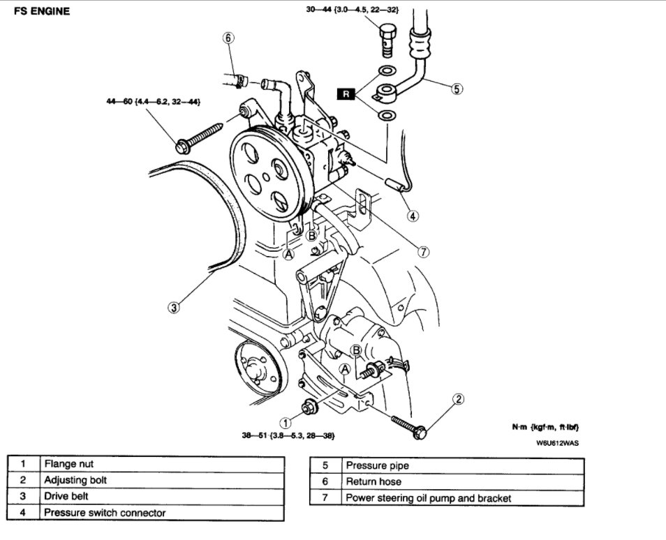
Can you upload an image of what the problem is? Here is a guide and some diagrams (below) of the job you are doing to shed some light but to see the problem would really help. I would flush the system before installing the new pump if you can FYI.

https://www.2carpros.com/articles/how-to-replace-a-power-steering-pump

and

https://www.2carpros.com/articles/power-steering-fluid-flush

Please let us know what happens so it will help others.

Cheers, Ken
Sep 12, 2017 at 11:23 AM
Avatar
MAZDA626OR
  • MEMBER
  • 2 POSTS
great diagrams but the motor and power steering wheel is close the inner fender wall hard to get wrench on the nut from the top no leverage to break nut. breaker bar w socket wont go on to close to inner fender. open end goes on but nut is on tight and afraid it will round out nut. under neath can get box end wrench on it but know leverage both look like knuckle crackers. need tool will fit on the nut from the top and has a long handle to get leverage. ps is working gd but leaks on exhaust pipe and burns and smokes and stinks any ideas
Sep 13, 2017 at 1:28 PM
Advertisement
Avatar
STRAILER
  • CERTIFIED EXPERT
  • 53,854 POSTS
It sounds like you must replace it for sure to stop the leak. Is there a chance you can take a video of the problem and upload it to the site?

This way I can see whats going on to help you.
Sep 14, 2017 at 10:29 AM