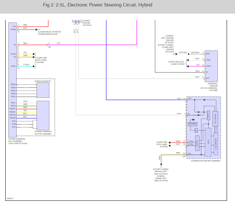
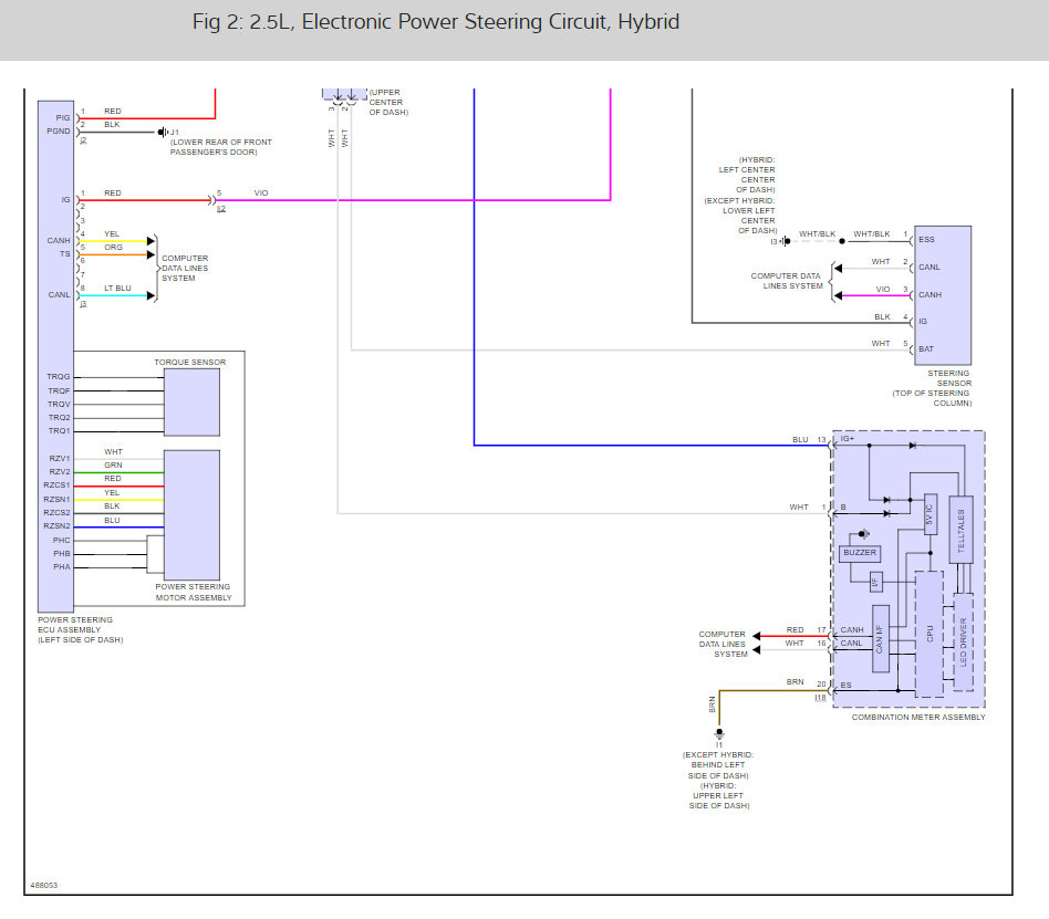
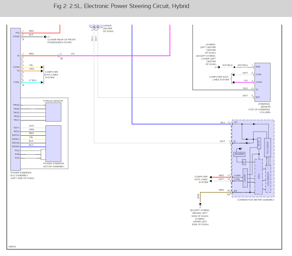
I bought a salvage the car listed above it is the XSE model. It was damaged in front right wheel. When I received it the steering will turn over right side by itself when car was started. When I was driving also steering wheel was turning right side. Then I calibrated it and now power steering is not working. There are written "check electric power steering system" and found out DTC codes C1515 and C1517. Can you help me how to fix it?
Dec 6, 2017 at 7:13 AM

















































