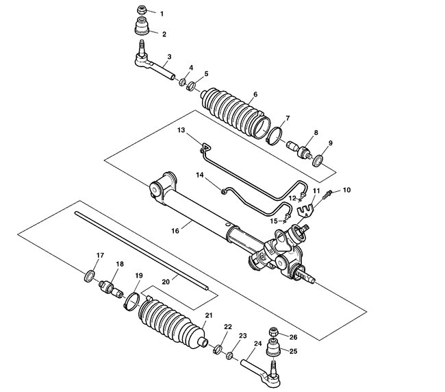
I recently replaced the rack and pinion on my car listed above GT model. The unit itself works great, but I can't get the hoses to connect properly. I have tried multiple gaskets to go onto the hose and then slide into the rack and pinion, but no matter what, it leaks. It leaks a lot. Any thoughts?
Apr 24, 2019 at 10:18 AM
