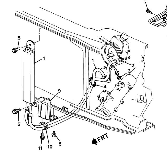
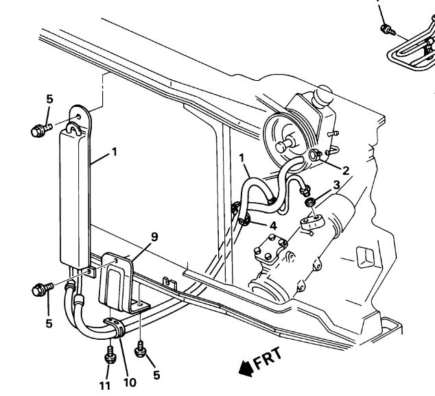
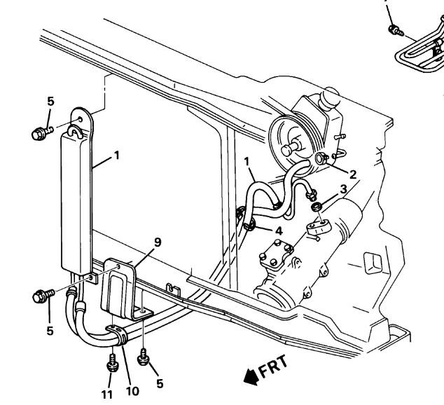
Power steering was leaking and had to refill every other day. Pump finally gave out and was replaced. It’s still leaking. So much that I have to fill it every time I drive it. I’ve made sure all the hoses are tight I’ve replaced the o rings but it still leaks. I filled it up before I went to work today and after work I checked the fluid level and it was about half full. I thought that might mean the leak was somewhere above that level. Drove home and it started whining like it was empty. Got home checked and it was empty. I can’t find the leak.
Oct 16, 2019 at 2:52 PM
